电脑桌面
添加小米粒文库到电脑桌面
安装后可以在桌面快捷访问

锅炉房安装工程监理细则.(DOC33页)VIP免费

锅炉房安装工程监理细则.(DOC33页)_第1页
1/24
锅炉房安装工程监理细则.(DOC33页)_第2页
2/24
锅炉房安装工程监理细则.(DOC33页)_第3页
3/24
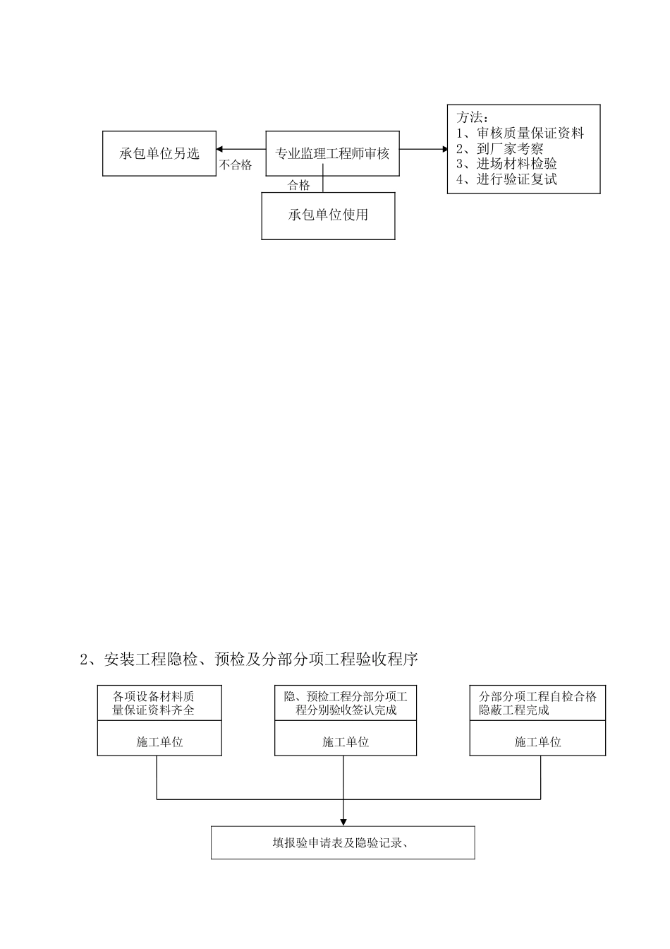
锅炉房设备安装工程监理细则目 录 一、 专业工程概况-------------------------------------2二、 编制依据-----------------------------------------2三、 监理工作流程-------------------------------------2四、 设备安装监理工作要点及目标值---------------------5五、 监理工作方法和措施-------------------------------23一、本专业工程概况: 简述本工程设备安装工程的规模、内容、主要设备类别及安装台数,设备安装地点和时间要求,本期所安装设备可形成的工艺路线、生产产品的名称及生产能力等。承担安装工程施工的单位名称、资质等级和完成本期工程的具体日期等。二、编制依据:1、《锅炉安装工程施工及验收规范》(GB50273—2009);2、《现场设备工业管道焊接工程施工及验收规范》(GB50236—98);3、《蒸汽锅炉安全技术监察规程》(96 版);4、《热水锅炉安全技术监察规程》(97 版);5、《锅炉房设计规范》(GB50041-92);6、《工业金属管道工程施工及验收规范》(GB50237-97);7、《机械设备安装工程施工及验收通用规范》(GB50231-98);8、 《压缩机、风机、泵安装工程施工及验收规范》(GB50275-2010);9、 《工业自动化仪表工程施工及验收规范》(GBJ93-86);10、《工业设备及管道绝热工程施工及验收规范》(GBJ126-89);11、《工业锅炉水质标准》GB/T 1576--200812、《建设工程监理规范》(GB50319-2000);13、其他有关的规范、标准等;(根据工程的实际情况添加);14、经批准的施工组织设计(方案);15、已批准的监理规划;;16、本工程的设计文件和技术资料;;17、设备随机技术文件的安装技术要求;三、监理工作流程:1、工程材料及设备质量控制程序承包单位填写(工程材料/构配件/设备报验单) 2、安装工程隐检、预检及分部分项工程验收程序填报验申请表及隐验记录、合格不合格承包单位另选专业监理工程师审核方法:1、审核质量保证资料2、到厂家考察3、进场材料检验4、进行验证复试承包单位使用各项设备材料质量保证资料齐全施工单位隐、预检工程分部分项工程分别验收签认完成施工单位分部分项工程自检合格隐蔽工程完成施工单位检验批报项目监理部施 工 单 位1、审核各项质量保证资料是否齐全2、检查隐、预验及分部分项工程是否完成3、检查检验批、分部、分项工程质量是否合格各有关专业监理工程师验收合格验收不合格监理工程师监理工程师3、安装材料验收程序 NY进行下道工序施工施工单...

1、当您付费下载文档后,您只拥有了使用权限,并不意味着购买了版权,文档只能用于自身使用,不得用于其他商业用途(如 [转卖]进行直接盈利或[编辑后售卖]进行间接盈利)。
2、本站所有内容均由合作方或网友上传,本站不对文档的完整性、权威性及其观点立场正确性做任何保证或承诺!文档内容仅供研究参考,付费前请自行鉴别。
3、如文档内容存在违规,或者侵犯商业秘密、侵犯著作权等,请点击“违规举报”。

碎片内容

锅炉房安装工程监理细则.(DOC33页)

确认删除?
VIP
微信客服
  • 扫码咨询
会员Q群
  • 会员专属群点击这里加入QQ群
客服邮箱
回到顶部