电脑桌面
添加小米粒文库到电脑桌面
安装后可以在桌面快捷访问

脚手架安全专项施工方案培训资料VIP免费

脚手架安全专项施工方案培训资料_第1页
1/41
脚手架安全专项施工方案培训资料_第2页
2/41
脚手架安全专项施工方案培训资料_第3页
3/41
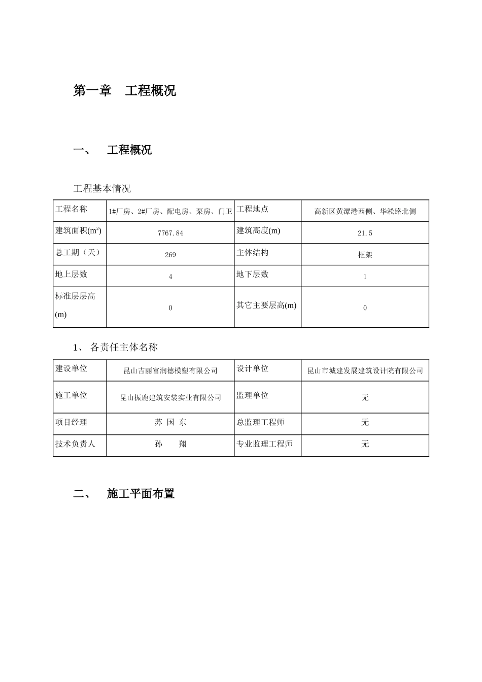
1#厂房、2#厂房、配电房、泵房、门卫工程脚手架安全专项施工方案编制人: 郁 勤 丰 职务: 资 料 员 校对人: 陈 立 职务: 安 全 员 审核人: 苏 国 东 职务: 项 目 经 理 审批人: 孙 翔 职务: 技 术 负 责 人 目 录第一章 工程概况-----------------------------------------------------2一、 工程概况---------------------------------------------------2二、 施工平面布置-----------------------------------------------2三、 施工要求---------------------------------------------------3四、 技术保证条件-----------------------------------------------3第二章 编制依据-----------------------------------------------------4第三章 施工计划-----------------------------------------------------4一、 施工进度计划-----------------------------------------------4二、 材料与设备计划---------------------------------------------4第四章 施工工艺技术-------------------------------------------------6一、 技术参数---------------------------------------------------6二、 工艺流程---------------------------------------------------7三、 施工方法---------------------------------------------------7四、 检查验收--------------------------------------------------16第五章 施工安全保证措施--------------------------------------------17一、 组织保障--------------------------------------------------17二、 技术措施--------------------------------------------------20三、 监测监控--------------------------------------------------25四、 应急预案--------------------------------------------------27第六章 劳动力计划--------------------------------------------------28一、 专职安全生产管理人员--------------------------------------28二、 特种作业人员----------------------------------------------29第七章 计算书及相关图纸--------------------------------------------29一、 计算书----------------------------------------------------29二、 节点图------------------------------------错误!未定义书签。第一章 工程概况一、 工程概况工程基本情况工程名称1#厂房、2#厂房、配电房、泵房、...

1、当您付费下载文档后,您只拥有了使用权限,并不意味着购买了版权,文档只能用于自身使用,不得用于其他商业用途(如 [转卖]进行直接盈利或[编辑后售卖]进行间接盈利)。
2、本站所有内容均由合作方或网友上传,本站不对文档的完整性、权威性及其观点立场正确性做任何保证或承诺!文档内容仅供研究参考,付费前请自行鉴别。
3、如文档内容存在违规,或者侵犯商业秘密、侵犯著作权等,请点击“违规举报”。

碎片内容

脚手架安全专项施工方案培训资料

确认删除?
VIP
微信客服
  • 扫码咨询
会员Q群
  • 会员专属群点击这里加入QQ群
客服邮箱
回到顶部