电脑桌面
添加小米粒文库到电脑桌面
安装后可以在桌面快捷访问

纱窗滑轮塑料模具设计说明书VIP免费

纱窗滑轮塑料模具设计说明书_第1页
1/26
纱窗滑轮塑料模具设计说明书_第2页
2/26
纱窗滑轮塑料模具设计说明书_第3页
3/26
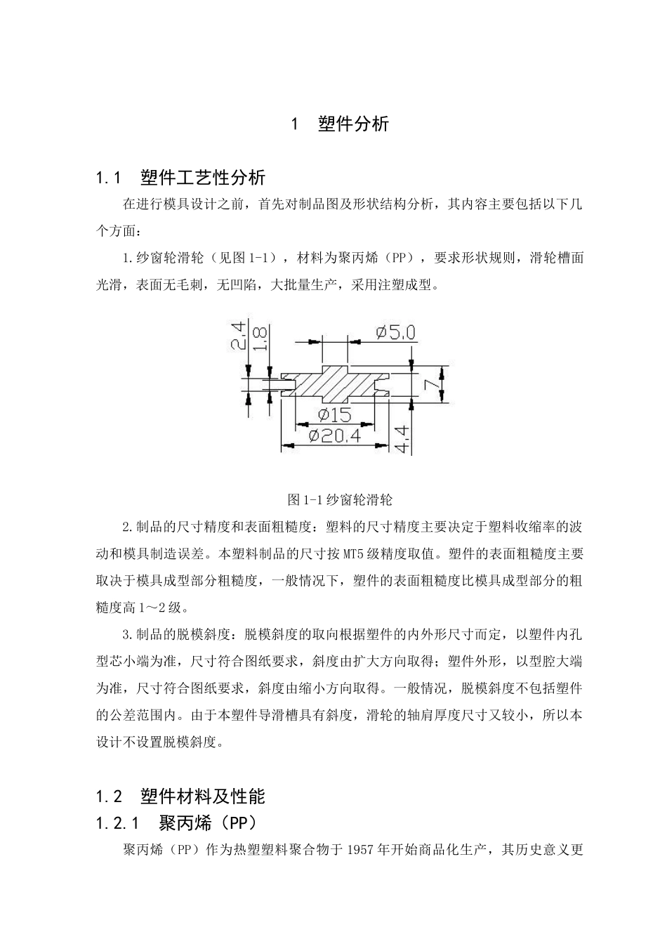
1 塑件分析1.1 塑件工艺性分析在进行模具设计之前,首先对制品图及形状结构分析,其内容主要包括以下几个方面:1.纱窗轮滑轮(见图 1-1),材料为聚丙烯(PP),要求形状规则,滑轮槽面光滑,表面无毛刺,无凹陷,大批量生产,采用注塑成型。 图 1-1 纱窗轮滑轮 2.制品的尺寸精度和表面粗糙度:塑料的尺寸精度主要决定于塑料收缩率的波动和模具制造误差。本塑料制品的尺寸按 MT5 级精度取值。塑件的表面粗糙度主要取决于模具成型部分粗糙度,一般情况下,塑件的表面粗糙度比模具成型部分的粗糙度高 1~2 级。3.制品的脱模斜度:脱模斜度的取向根据塑件的内外形尺寸而定,以塑件内孔型芯小端为准,尺寸符合图纸要求,斜度由扩大方向取得;塑件外形,以型腔大端为准,尺寸符合图纸要求,斜度由缩小方向取得。一般情况,脱模斜度不包括塑件的公差范围内。由于本塑件导滑槽具有斜度,滑轮的轴肩厚度尺寸又较小,所以本设计不设置脱模斜度。1.2 塑件材料及性能1.2.1 聚丙烯(PP)聚丙烯(PP)作为热塑塑料聚合物于 1957 年开始商品化生产,其历史意义更体现在,它一直是增长最快的主要热塑性塑料,1991 年它的世界总产量达到 240 亿磅。它在热塑性塑料领域内有十分广泛的应用,特别是在纤维和长丝、薄膜挤压、注塑加工等方面。 ⑴ 基本特性 聚丙烯无色、无味、无毒。外观似聚乙烯,但比聚乙烯更透明更轻。密度仅为 0.90~0.91g/cm 3。它不吸水,光泽好,易着色。屈服强度、抗拉、抗压强度和硬度及弹性比聚乙烯好。定向拉伸后聚丙烯可制作铰链,有特别高的抗弯曲疲劳强度。如用聚丙烯注射成型一体铰链(盖和本体合一的各种容器),经过7×107次开闭弯折未产生损坏和断裂现象。聚丙烯熔点为 164~1700C,耐热型好,能在 1000C 以上的温度下进行消毒灭菌。其低温使用温度达-150C,低于-350C 时会断裂。聚丙烯的高频绝缘性能好。因不吸水,绝缘性能不受湿度的影响。但在氧、热、光的作用下极易解聚、老化,所以必须加入防老化剂。(2)主要用途 聚丙烯可用作各种机械零件如法兰、接头、泵叶轮、汽车零件和自行车零件。作水、蒸气、各种酸碱等的输送管道,化工容器和其他设备的衬里、表面涂层。制造盖和本体合一的箱壳,各种绝缘零件,并用于医药工业中。⑶ 成型特点 1) 结晶性好料,吸湿性小,可能发生熔融破裂,长期与热金属接触易发生分解。2) 流动性极好,溢边值 0.03mm 左右。3) 聚丙烯热容量大,注射成型模具必须设计...

1、当您付费下载文档后,您只拥有了使用权限,并不意味着购买了版权,文档只能用于自身使用,不得用于其他商业用途(如 [转卖]进行直接盈利或[编辑后售卖]进行间接盈利)。
2、本站所有内容均由合作方或网友上传,本站不对文档的完整性、权威性及其观点立场正确性做任何保证或承诺!文档内容仅供研究参考,付费前请自行鉴别。
3、如文档内容存在违规,或者侵犯商业秘密、侵犯著作权等,请点击“违规举报”。

碎片内容

纱窗滑轮塑料模具设计说明书

您可能关注的文档

确认删除?
VIP
微信客服
  • 扫码咨询
会员Q群
  • 会员专属群点击这里加入QQ群
客服邮箱
回到顶部