电脑桌面
添加小米粒文库到电脑桌面
安装后可以在桌面快捷访问

铁路明珠地产广场核心筒作业指导书VIP免费

铁路明珠地产广场核心筒作业指导书_第1页
1/9
铁路明珠地产广场核心筒作业指导书_第2页
2/9
铁路明珠地产广场核心筒作业指导书_第3页
3/9
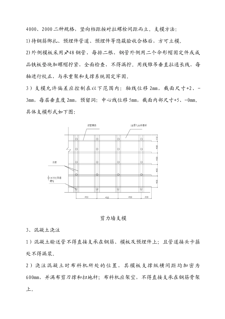
本工程位于南昌市井冈山大道 683 号,其中 A、B 座写字楼、H 座商务办公楼的主体结构为框架-核心筒结构。核心筒剪力墙墙厚 200mm~350mm,层高 3.2m~5.2m。为了确保核心筒施工顺利完成,项目部设立总工(熊志勇)、技术员(万鹏)、质检员(邓国强)、施工员(郭向阳)等人员进行现场核心筒施工指导、监控。一、材料要求材料进场由监理见证取样后送检,合格后方可投入使用。混凝土有开盘鉴定。二、施工机具设备名称设备型号台数电焊机BX-3302电渣压力焊机JSD-6004闪光对焊机UN1-1002钢筋切断机GJ-40A2钢筋弯曲机WG-40A-12钢筋调直机TZ-8-132插入式振动器HZ-5010平板振动器PZ-504铁锹20砼地泵2砼输送车20坍落度筒1三、施工工艺1、钢筋绑扎工艺流程:校正预埋插筋→绑扎钢筋→绑扎拉筋→设置垫块→预留洞口补强钢筋绑扎1)墙钢筋在楼板浇筑混凝土后、绑扎前应校正预埋插筋,位移较严重的,应进行加固处理。2)一般先立 2~4 根竖筋,在其上划上水平筋间距,然后在下部及中部绑两根定位横筋,在其上划竖筋间距,接着绑其余竖筋,再后绑其余横筋。3)墙钢筋应满扎,两侧和上下应对称进行,钢筋的搭接长度及位置应符合设计和施工规范的要求。搭接处应在中心和两端用铁丝绑牢。4)双排钢筋之间应绑拉筋或支撑筋。在钢筋的外侧绑扎垫块,以控制保护层的厚度。5)墙上有洞口时,在洞口竖筋上划标高线,洞口要按设计要求加绑附加钢筋。洞口上下梁两端锚入墙内长度要符合设计要求。墙内埋设的预埋铁件、管道、预留洞口,其位置及标高均应符合设计要求,切断钢筋应加绑附加钢筋补强。2、支模 剪力墙采用高强度九合板配制,Ф12 对拉螺栓连接,间距 450×450mm纵横布置。采用 80×60 方木作衬档形成整体,接头错开,方木长度采用4000、2000 二种规格,竖向档距按对拉螺栓间距而立。支模方法:1)待钢筋绑扎、预埋件管道、预埋件等隐蔽验收合格后,方可立模。2)外侧模板采用48 钢管,每排二根,钢管外侧用二个伞形帽固定件或成品铁板垫块加螺帽拧紧,全面检查,不得漏拧。用线锥吊垂直拉通长线,每轴进行校正,与承重架和支撑系统固定牢固。3)支模允许偏差应控制在以下范围内:轴线位移 2mm,截面尺寸+2、-3mm,每层垂直度 2mm,预留洞:中心线位移 5mm,截面内部尺寸+5、-0mm。具体支模形式如下图:剪力墙支模3、混凝土浇注1)混凝土输送管不得直接支承在钢筋、模板及预埋件上;且管道接头卡箍处不得漏浆。2)浇注混凝土时布料机所处的位...

1、当您付费下载文档后,您只拥有了使用权限,并不意味着购买了版权,文档只能用于自身使用,不得用于其他商业用途(如 [转卖]进行直接盈利或[编辑后售卖]进行间接盈利)。
2、本站所有内容均由合作方或网友上传,本站不对文档的完整性、权威性及其观点立场正确性做任何保证或承诺!文档内容仅供研究参考,付费前请自行鉴别。
3、如文档内容存在违规,或者侵犯商业秘密、侵犯著作权等,请点击“违规举报”。

碎片内容

铁路明珠地产广场核心筒作业指导书

您可能关注的文档

确认删除?
VIP
微信客服
  • 扫码咨询
会员Q群
  • 会员专属群点击这里加入QQ群
客服邮箱
回到顶部