电脑桌面
添加小米粒文库到电脑桌面
安装后可以在桌面快捷访问

主运输大巷掘进施工作业规程VIP免费

主运输大巷掘进施工作业规程_第1页
1/43
主运输大巷掘进施工作业规程_第2页
2/43
主运输大巷掘进施工作业规程_第3页
3/43
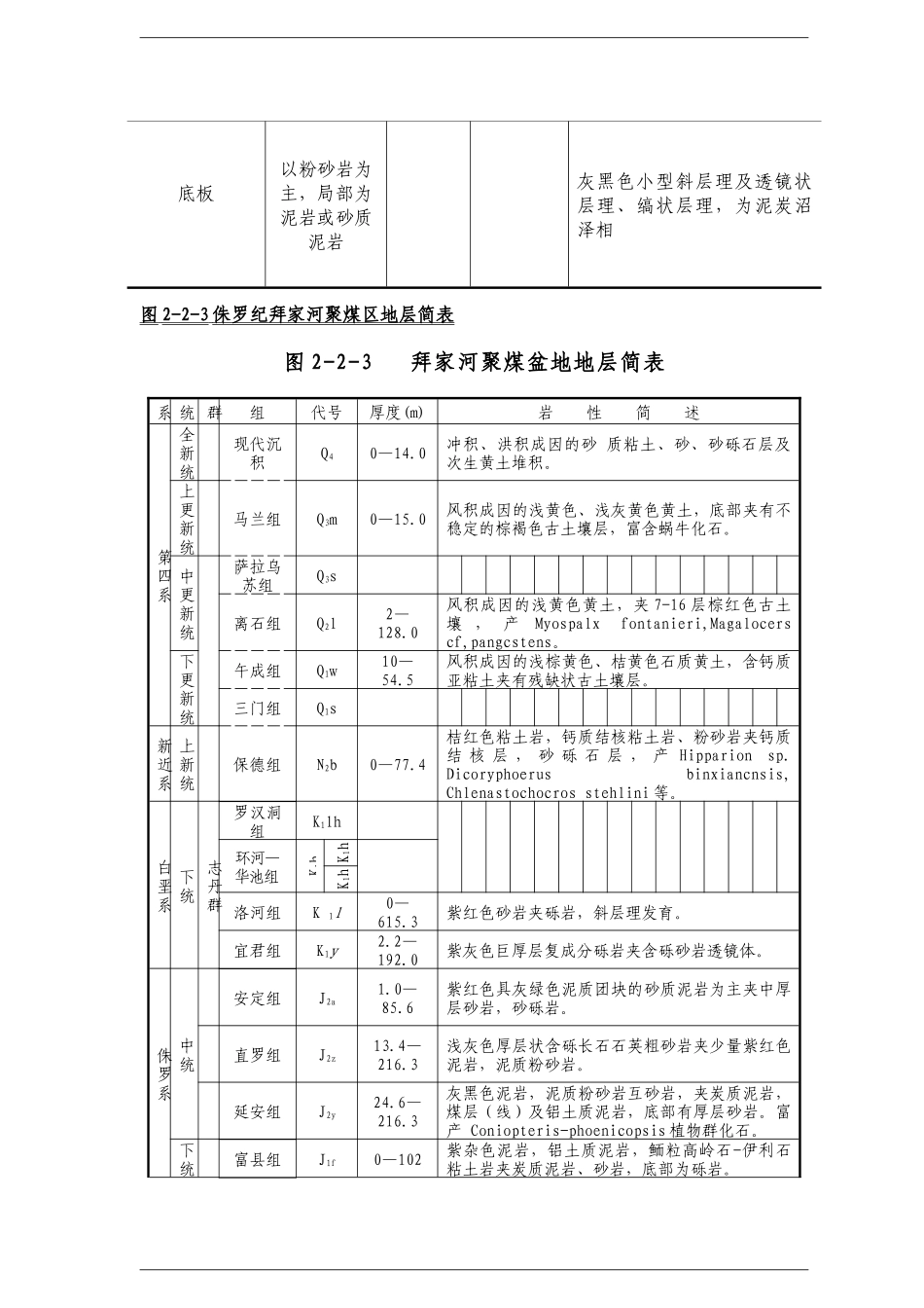
永寿平遥毛家山煤矿主运输大巷掘进施工作业规程第一章 概 况第一节 概 述 一、巷道名称主运输大巷掘进施工 二、掘进目的及用途掘进目的及巷道用途:负责承担矿井的运煤、进风、行人任务。三、服务年限服务年限 10 年。四、工程概况1、毛家山矿井运输大巷设计长度 1200m,沿煤层顶板掘进,巷道采用直墙半圆拱断面,掘进断面 16㎡,净断面 14.7㎡,掘宽 4800mm,掘高 3900mm,净宽4500mm,净高 3600mm。现已掘进里程 220m,根据目前揭露情况,为加快项目建设进度,确保巷道支护质量,将原锚网索喷支护,变更为锚网喷浆架棚联合支护方式。喷厚 120mm,铺设 150mm 混凝土底板,掘进机掘进。 2、工程概况表: 第二节 编写依据一、根据毛家山煤矿(整合区)勘探报告和委托陕西高新煤炭设计公司编写的《平遥毛家山煤矿资源整合实施方案开采设计》及相关资料。二、根据《煤矿安全规程》、《掘进各工种操作规程》及《煤矿井巷工程质量验收规范》等与本工程有关的国家及部颁布现行各种技术规范、规程、规定。附图 1: 运输大巷平面布置图第二章 地面位置及地质情况第一节 地面相对位置及邻近采区开采情况地面相对位置及邻近采区开采情况见表 2-1。表 2-1 井上下对照关系表 巷道名称设计工程量(m)净宽(mm) 净高(mm)开工日期计划竣工日期运输大巷运输大巷掘进1200450036002013 年 5 月待定水平、采区+1295m工程名称运输大巷运输大巷掘进井口标高/m+1295m井底标高/m+1220地面的相对位置建筑物、小井及其他运输大巷地表为黄土塬、黄土梁和沟壑地段井下相对位置对掘进巷道的影响运输大巷位于主斜井西侧,与回风大巷方向平行布置 临近采掘情况对掘进巷道的影响运输大巷布置在井田中央位置,北为回风大巷,南为辅助运输巷,邻近无开采采区。第二节 煤(岩)层赋存特征煤(岩)层赋存特征见表 2-2-1;煤层顶、底板情况见表 2-2-2;4#煤岩层综合柱状图见图 2-2-3。表 2-2-1 煤层特征情况表 指 标参 数备 注煤层厚度(最小~最大/平均)/m0.8~4.69/4.0煤层倾角(最小~最大/平均)/(°)10°左右煤层硬度f1.8-2.4煤层层理(发育程度)不发育煤层节理(发育程度)不发育自燃发火期/d30~180发火期短绝对瓦斯量/(m3·min-1)0.31低瓦斯矿井煤层爆炸指数/%60具有爆炸性危险地温/℃无热害区表 2-2-2 煤层顶、底板情况表 顶底板名称岩石类别硬度(f)厚度(m)岩性顶板以泥岩为主,局部为粉砂岩浅灰色,有水平层理、交...

1、当您付费下载文档后,您只拥有了使用权限,并不意味着购买了版权,文档只能用于自身使用,不得用于其他商业用途(如 [转卖]进行直接盈利或[编辑后售卖]进行间接盈利)。
2、本站所有内容均由合作方或网友上传,本站不对文档的完整性、权威性及其观点立场正确性做任何保证或承诺!文档内容仅供研究参考,付费前请自行鉴别。
3、如文档内容存在违规,或者侵犯商业秘密、侵犯著作权等,请点击“违规举报”。

碎片内容

主运输大巷掘进施工作业规程

您可能关注的文档

确认删除?
VIP
微信客服
  • 扫码咨询
会员Q群
  • 会员专属群点击这里加入QQ群
客服邮箱
回到顶部