电脑桌面
添加小米粒文库到电脑桌面
安装后可以在桌面快捷访问

煤炭工业技术政策修订表VIP免费

煤炭工业技术政策修订表_第1页
1/39
煤炭工业技术政策修订表_第2页
2/39
煤炭工业技术政策修订表_第3页
3/39
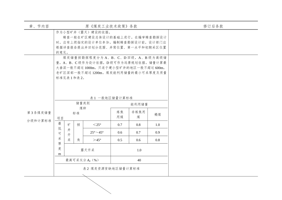
附件《煤炭工业技术政策》修订表单位(公章):章、节内容原《煤炭工业技术政策》条款修订后条款总 则党在新时期的总任务是逐步实现工业、农业、国防和科学技术的现代化,把我国建设成为高度文明、高度民主的社会主义国家。煤炭是我国的主要能源,煤炭工业是国民经济的基础工业。加速煤炭工业的发展,确保本世纪末煤炭产量翻一番,对保证全国工农业总产值翻两番战略目标的实现,具有重大的战略意义。煤炭工业必须坚持改革、开放、搞活,以提高经济效益为中心,做到持续、稳定、健康地发展。为此,要继续贯彻大、中、小型煤矿同时并举的方针,充分发挥各个方面的积极性,继续贯彻依靠科学技术进步的方针,坚持自己研究与引进消化相结合,不断提高煤炭工业的技术水平和装备水平;继续贯彻安全生产方针,不断改善安全状况和劳动条件;继续贯彻以煤为主、多种经营的方针,不断增强企业的活力和经济实力;继续贯彻开发与节约并重的方针,促进煤炭的合理利用和综合利用。力争到本世纪末,统配和地方国营煤矿中的骨干煤矿达到发达国家70 年代末或 80 年代初的水平,部分骨干煤矿赶上或接近当时世界先进水平。煤炭工业现代化是我国工业现代化的一个重要组成部分。建设现代化煤矿是煤炭工业的技术发展方向。要结合我国的具体情况,建设具有中国特色的社会主义的现代化煤矿,实现效率高、用人少、质量高、安全好、效益好、职工生活年年有改善的要求。我国煤田分布区域广阔,条件复杂多样。煤矿开发体制是多层次的,因此要实行多层次的技术结构和技术与经济相统一的技术政策。统配煤矿和地方国营煤矿中有条件的矿井,要通过技术改造建成现代化煤矿。一般矿井要达到质量标准化要求,并积极创造条件,逐步向现代化煤矿发展。对乡镇煤矿要在统筹章、节内容原《煤炭工业技术政策》条款修订后条款规划、合理安排的前提下,积极扶持,正确引导,通过整顿、联合、改造,使乡镇煤矿提高综合生产能力,保持生产发展后劲,实现正规化。《煤炭工业技术政策》是国家对煤炭工业的技术发展进行宏观指导的政策性规定,对煤炭生产建设的发展和提高经济效益具有指导、促进的作用,是制定规划、规范、规程和安排各项技术工作的依据。煤炭工业各主管部门、企业和事业单位必须认真贯彻执行。煤炭部、各省(区)煤炭局(厅、公司)负责监督检查技术政策的贯彻执行。本技术政策的适用范围是统配和地方国营煤矿年产 9 万 t 及以上的正规设计矿井,有关统配和地方国营煤矿的小...

1、当您付费下载文档后,您只拥有了使用权限,并不意味着购买了版权,文档只能用于自身使用,不得用于其他商业用途(如 [转卖]进行直接盈利或[编辑后售卖]进行间接盈利)。
2、本站所有内容均由合作方或网友上传,本站不对文档的完整性、权威性及其观点立场正确性做任何保证或承诺!文档内容仅供研究参考,付费前请自行鉴别。
3、如文档内容存在违规,或者侵犯商业秘密、侵犯著作权等,请点击“违规举报”。

碎片内容

煤炭工业技术政策修订表

确认删除?
VIP
微信客服
  • 扫码咨询
会员Q群
  • 会员专属群点击这里加入QQ群
客服邮箱
回到顶部