电脑桌面
添加小米粒文库到电脑桌面
安装后可以在桌面快捷访问

企业财产保险承保专业技能测试题VIP专享VIP免费

企业财产保险承保专业技能测试题_第1页
1/6
企业财产保险承保专业技能测试题_第2页
2/6
企业财产保险承保专业技能测试题_第3页
3/6
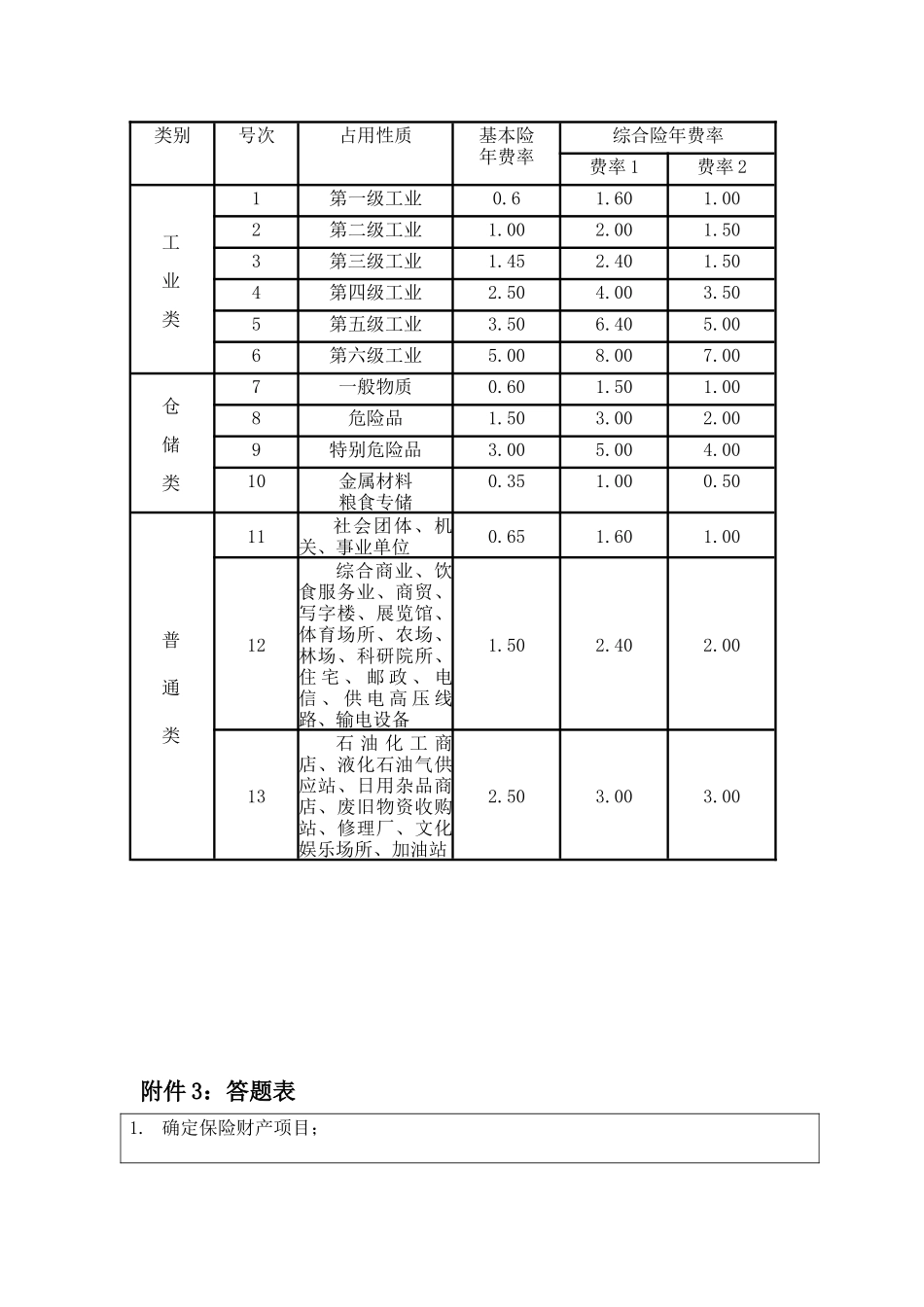
保险职业学院保险营销专业企业财产保险承保专业技能测试题班级: 姓名: 得分: 一、测试条件:1、测试地点:保险综合实训室2、资料提供:1) 案例介绍((电子版&纸制版)(见附件 1)2) 保险费率表((电子版&纸制版)(见附件 2)3) 答题表(电子版)(见附件 3)4) 空白保险单(电子版)(见附件 4)3、工具:可自带纸、笔、计算器。二、测试要求:1、 确定保险财产项目;2、 确定保险金额;3、 计算保险费;4、 填制《财产保险综合险保单》。注:以上测试答题均在电子表格(见附件 3-4)内完成。三、评分测试点及分值:序号内容分值1确定保险财产项目10 分2确定保险金额20 分3计算保险费率20 分4填制《财产保险综合险投保单》50 分合计100 分附件 1:案例介绍(一)2005 年 7 月 2 日,长沙市红卫轴承厂投保财产保险综合险,经双方协商,达成如下保险事项:a、保险标的项目:固定资产、存货、在建工程。b、轴承厂 2005 年 5 月末《资产负责表》及有关账册为依据,保险金额按 5 月末账面余额确定,有关数据如下:( 1 ) 《 资 产 负 债 表 》 中 “ 资 产 ” 方 “ 固 定 资 产 原 价 ” 项 目 期 末 数 为14,350,000 元,加在 50%投保;(2)《资产负债表》中“存货”项目期末数为 6,200,000 元;(3)《资产负债表》中“在建工程”项目期末数为 1,860,000 元。( 二 ) 机 器 设 备 附 加 机 损 险 , 经 查 固 定 资 产 账 册 , 生 产 用 机 器 设 备 为6,250,000 元,非生产用机器设备为 1,020,000 元。(三)存货项目中“产成品”附加盗抢险,经查 2005 年 5 月末账册,“产成品”总账余额为 1,960,000 元。(四)下列已入账财产剔除不保:(1)交通运输工具原价为 960,000 元;(2)道路原价为 250,000 元;(3)围墙及护坡原价为 190,000 元;(4)材料采购科目账面借方余额为 250,000 元;(5)“产成品”中委托代销商品账面借方余额为 560,000 元;(6)出包工程账面借方余额为 960,000 元。(五)保险责任期限从 2005 年 7 月 4 日零时起至 2006 年 7 月 3 日 24 时止。保险费按现行费率规章计算[见附表],但因上一保险年度赔付率高,综合险上浮 30%;附加机损险费率订为 6‰,存货只选择产成品附加盗抢险,费率订为5‰。(六)被保险人地址为白沙市青年路 30 号,保...

1、当您付费下载文档后,您只拥有了使用权限,并不意味着购买了版权,文档只能用于自身使用,不得用于其他商业用途(如 [转卖]进行直接盈利或[编辑后售卖]进行间接盈利)。
2、本站所有内容均由合作方或网友上传,本站不对文档的完整性、权威性及其观点立场正确性做任何保证或承诺!文档内容仅供研究参考,付费前请自行鉴别。
3、如文档内容存在违规,或者侵犯商业秘密、侵犯著作权等,请点击“违规举报”。

碎片内容

企业财产保险承保专业技能测试题

状元书店+ 关注
实名认证
内容提供者

热爱教学事业,对互联网知识分享很感兴趣

确认删除?
VIP
微信客服
  • 扫码咨询
会员Q群
  • 会员专属群点击这里加入QQ群
客服邮箱
回到顶部