电脑桌面
添加小米粒文库到电脑桌面
安装后可以在桌面快捷访问

万科实测实量操作指引(A5版)(DOC70页)VIP免费

万科实测实量操作指引(A5版)(DOC70页)_第1页
1/69
万科实测实量操作指引(A5版)(DOC70页)_第2页
2/69
万科实测实量操作指引(A5版)(DOC70页)_第3页
3/69
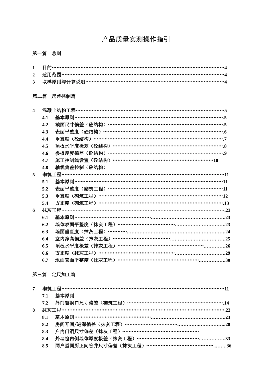
产品质量实测操作指引第一篇总则1目的………………………………………………………………………………………………42适用范围…………………………………………………………………………………………43取样原则与计算说明……………………………………………………………………………4第二篇尺差控制篇4混凝土结构工程…………………………………………………………………………………54.1基本原则………………………………………………………………………………….54.2截面尺寸偏差(砼结构)……………………………………………………………….54.3表面平整度(砼结构)………………………………………………………………….64.4垂直度(砼结构)……………………………………………………………………….74.5顶板水平度极差(砼结构)…………………………………………………………….84.6楼板厚度偏差(砼结构)……………………………………………………………….94.7施工控制线设置(砼结构)………………………………………………………104.8轴线偏差控制(砼结构)5砌筑工程…………………………………………………………………………………………115.1基本原则…………………………………………………………………………………115.2表面平整度(砌筑工程)………………………………………………………………115.3垂直度(砌筑工程)……………………………………………………………………125.4方正度(砌筑工程)…………………………………………………………………….136抹灰工程………………………………………………………………………………………….236.1基本原则………………………………………….……………………………………….236.2墙体表面平整度(抹灰工程)……………………………….………………………….236.3墙面垂直度(抹灰工程)………….…………………………………………………….246.4室内净高偏差(抹灰工程)……………………………….…………………………….256.5顶板水平度极差(抹灰工程)……………………………………………….………….266.6方正度(抹灰工程)………………………………………….………………………….296.7地面表面平整度(抹灰工程)…………………………………………….…………….30第三篇定尺加工篇7砌筑工程…………………………………………………………………………………………1...

1、当您付费下载文档后,您只拥有了使用权限,并不意味着购买了版权,文档只能用于自身使用,不得用于其他商业用途(如 [转卖]进行直接盈利或[编辑后售卖]进行间接盈利)。
2、本站所有内容均由合作方或网友上传,本站不对文档的完整性、权威性及其观点立场正确性做任何保证或承诺!文档内容仅供研究参考,付费前请自行鉴别。
3、如文档内容存在违规,或者侵犯商业秘密、侵犯著作权等,请点击“违规举报”。

碎片内容

万科实测实量操作指引(A5版)(DOC70页)

您可能关注的文档

确认删除?
VIP
微信客服
  • 扫码咨询
会员Q群
  • 会员专属群点击这里加入QQ群
客服邮箱
回到顶部