电脑桌面
添加小米粒文库到电脑桌面
安装后可以在桌面快捷访问

污水管工程拖管法施工组织设计方案(DOC26页)VIP免费

污水管工程拖管法施工组织设计方案(DOC26页)_第1页
1/18
污水管工程拖管法施工组织设计方案(DOC26页)_第2页
2/18
污水管工程拖管法施工组织设计方案(DOC26页)_第3页
3/18
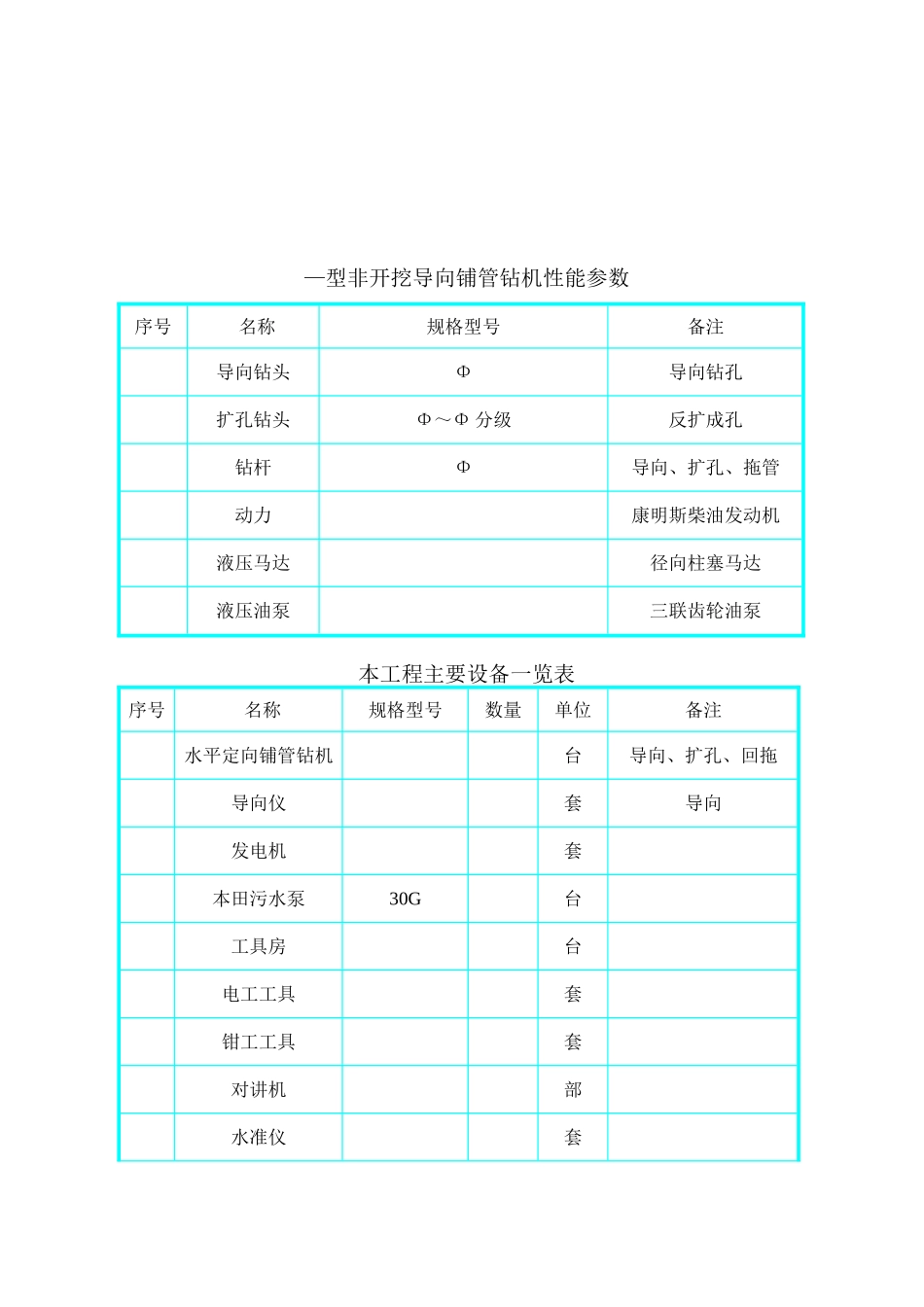
总体概述 工程概况松夏工业园区美图三路道路排水工程,拟沿美图三路道路两侧敷设,是收集美图三路工厂、商铺和居民污水排放的主要管道,本工程施工拟采用水平定向钻穿越敷设;穿越线路管道总长 655m,其中约 535m,约120m,埋深约-6m;采用中空缠绕管,环刚度≥;施工现场地下管线较多,车流量大。 管道定向钻进总体布置管道定向钻进总体布置如图所示。 施工准备、进度计划 临时设施、水源、动力准备.现场施工人员的办公、住宿房采用临时租用民房;.施工用电量约需;.施工用水就近接通城市供水管;.临时排污:施工污水无污染,可就地经沉淀池沉淀后排入污水管道。 材料准备本工程采用水平定向钻方式铺管,管材采用管,由于水平定向钻进、长距离穿越铺管工程需小时连续施工,工程开工前,管材、各种焊材提前到场。 设备准备本公司拟采用型非开挖导向铺管钻机,本钻机为履带式全液压铺管钻机,具有机动性能好、质量可靠、结构紧凑、整体性强、扭矩大、效率高、自动化程度高、操作简单可靠、装卸钻杆方便省力等特点。特别适合复杂地形,大口径、长距离管道穿越施工。动力头输出速度:~额定回转扭矩:主机自重:, 外形尺寸:2230mm泥浆循环系统容量:1.7m3 最大推力():最大回拉力(): 扭矩():—型非开挖导向铺管钻机性能参数序号名称规格型号备注导向钻头Φ导向钻孔扩孔钻头Φ~Φ 分级反扩成孔钻杆Φ导向、扩孔、拖管动力康明斯柴油发动机液压马达径向柱塞马达液压油泵三联齿轮油泵本工程主要设备一览表序号名称规格型号数量单位备注水平定向铺管钻机台导向、扩孔、回拖导向仪套导向发电机套本田污水泵30G台工具房台电工工具套钳工工具套对讲机部水准仪套经纬仪套 施工人员组织⑴ 公司将全面负责协调工程质量进度,组织强有力的现场管理部,全面负责本工程的施工、进度、技术、安全及文明施工等工作。⑵ 项目部每周主持现场办公会议,解决施工中存在问题,确保工程顺利进行。⑶ 项目经理用五日计划来控制每日进度,确保按计划实施。工程项目管理组织及岗位责任框图施工人员组织表岗位职责人数项目经理全面控制施工质量和进度施工负责人项目副经理兼,负责指挥生产工作班长(兼记录)负责全班施工,协调各工序间操作钻机操作员操作导向钻机控向员负责导向泥浆工程师负责泥浆配比项目副经理项目工程师项目经理后 勤 组技术质量组材料设备组施 工 组施工安全组焊工负责管道焊接。机械﹑电工负责维修使机械正常运转民工后勤负...

1、当您付费下载文档后,您只拥有了使用权限,并不意味着购买了版权,文档只能用于自身使用,不得用于其他商业用途(如 [转卖]进行直接盈利或[编辑后售卖]进行间接盈利)。
2、本站所有内容均由合作方或网友上传,本站不对文档的完整性、权威性及其观点立场正确性做任何保证或承诺!文档内容仅供研究参考,付费前请自行鉴别。
3、如文档内容存在违规,或者侵犯商业秘密、侵犯著作权等,请点击“违规举报”。

碎片内容

污水管工程拖管法施工组织设计方案(DOC26页)

您可能关注的文档

确认删除?
VIP
微信客服
  • 扫码咨询
会员Q群
  • 会员专属群点击这里加入QQ群
客服邮箱
回到顶部