电脑桌面
添加小米粒文库到电脑桌面
安装后可以在桌面快捷访问

某多高层钢结构住宅毕业设计(含计算书、建筑结构设VIP免费

某多高层钢结构住宅毕业设计(含计算书、建筑结构设_第1页
1/89
某多高层钢结构住宅毕业设计(含计算书、建筑结构设_第2页
2/89
某多高层钢结构住宅毕业设计(含计算书、建筑结构设_第3页
3/89
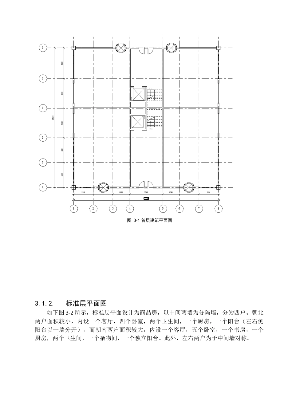
雅居乐多高层钢结构住宅方案设计1. 工程概况工程名称:雅居乐多高层钢结构住宅;建设地点:东莞市区某地;工程概况:场地大小为 30m×30m,8~12 层,建筑总高度不超过 40m,室内外高差为 0.3m,设计使用年限为 50 年;基本风压:=0.8kN/m2,地面粗糙程度为 C 类;抗震要求:抗震设防类别为丙类,抗震设防烈度为 8 度,Ⅱ类场地土,设计地震分组为第一组。场地土层情况:表 2-1场地土层情况层次层厚(m)层底标高(m)(地面标高±0.00)土体类型土体参数Ⅰ1.00-1.00杂填土Ⅱ2.50-3.50淤泥质土Ⅲ3.00-6.50粉质粘土含 水 率, 塑 限,液限Ⅳ5.50-12.00粉土孔隙比Ⅴ-中密的中砂2. 建筑与结构布置3.1. 建筑布置3.1.1.首层建筑平面图如下图 3-1 所示,首层平面设计为大空间的形式,可以用此空间做为店面,即商住两用住宅。中间设计为过道、楼梯和电梯。由过道和墙把首层建筑分开为四个大空间,作为四爿店。由于商业的要求,首层平面将进行比较豪华的装修,例如钢柱将外包为方柱,而墙也做成玻璃幕墙与装饰墙混合的形式。此外,门也将用比较好看的旋转门,以吸引顾客。0131% P18% L37% 0.7e 图 3-1 首层建筑平面图3.1.2.标准层平面图如下图 3-2 所示,标准层平面设计为商品房,以中间两墙为分隔墙,分为四户。朝北两户面积较小,内设一个客厅,四个卧室,两个卫生间,一个厨房,一个阳台(左右侧阳台以一墙分开)。而朝南两户面积较大,内设一个客厅,五个卧室,一个书房,一个厨房,两个卫生间,一个杂物间,一个独立阳台。此外,左右两户为于中间墙对称。图 3-2 标准层平面图计算书配套 CAD 图纸在爱建筑网下载全套毕业设计尽在爱建筑网 www.2jianzhu.com3.1.3.顶层平面图如下图 3-2 所示,顶层设计为空旷的天台,外围有 1.2m 的女儿墙,屋檐外挑500mm。图 3-3顶层平面图3.1.4.剖面图图 3-4剖面图 1图 3-4剖面图 23.1.5.立面图图 3-5南立面图3.2. 结构布置如下图 3-4 所示,结构布置为纯框架结构,主梁与柱刚接,由于建筑设计中布置了许多轻质 ALC 隔板,为满足结构需要,布置连续次梁。由于结构比较规则,且受力也比较对称,次梁与主梁连接采用刚接方式。图 3-4标准层结构布置图图 3-5顶层结构布置图3. 初步设计4.1. 建筑做法屋面做法:压型钢板混凝土组合楼板,20mm 石灰砂浆抹底,20mm 水泥砂浆找平,100~140 厚(2%找坡)膨胀珍珠岩保温层,八层作法防水层(三毡四...

1、当您付费下载文档后,您只拥有了使用权限,并不意味着购买了版权,文档只能用于自身使用,不得用于其他商业用途(如 [转卖]进行直接盈利或[编辑后售卖]进行间接盈利)。
2、本站所有内容均由合作方或网友上传,本站不对文档的完整性、权威性及其观点立场正确性做任何保证或承诺!文档内容仅供研究参考,付费前请自行鉴别。
3、如文档内容存在违规,或者侵犯商业秘密、侵犯著作权等,请点击“违规举报”。

碎片内容

某多高层钢结构住宅毕业设计(含计算书、建筑结构设

您可能关注的文档

状元书店+ 关注
实名认证
内容提供者

热爱教学事业,对互联网知识分享很感兴趣

确认删除?
VIP
微信客服
  • 扫码咨询
会员Q群
  • 会员专属群点击这里加入QQ群
客服邮箱
回到顶部