电脑桌面
添加小米粒文库到电脑桌面
安装后可以在桌面快捷访问

电气检修作业指导书VIP免费

电气检修作业指导书_第1页
1/21
电气检修作业指导书_第2页
2/21
电气检修作业指导书_第3页
3/21
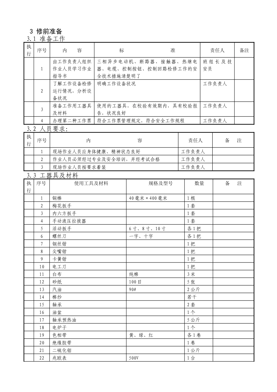
编号:Q/QL ×××动力二车间三相异步电动机检修作业指导书编制人: 张传斌 2011 年 4 月 11 日审核人: 2011 年 4 月 11 日批准人: 2011 年 4 月 11 日作业负责人: 青海桥头铝电股份有限公司电解铝分公司动力二车间编制1 适用范围本作业指导书,适用于动力二车间整循泵、空循泵、污水站各三相异步电动机检修。2 引用文件QHLD-JS100:2005 青海桥头铝电有限公司技术标准;QHLD-JS148:2005 动力车间技术标准职业技能鉴定教材《维修电工》 3 修前准备3.1 准备工作执行序号内 容标 准责任人备注1由工作负责人组织作业人员学习作业指导书三相异步电动机、断路器、接触器、热继电器、电缆、控制按钮、控制回路检修工作的安全技术措施清楚明了班 组 长 及 技安员2了解工作设备检修运行情况,分析设备状况明确工作设备状况工作负责人3准备工作用工器具及材料使用的工器具,在校验有效期内,具有校验报告,状况良好工作负责人4办理第二种工作票符合工作票管理规定,符合安全工作规程工作负责人3.2 人员要求: 执行序号内 容责任人备 注1现场作业人员应身体健康、精神状态良好工作负责人2作业人员必须经过专业及安全培训,并经考试合格工作负责人3现场作业人员按要求着装工作负责人3.3 工器具及材料执行序号使用工具及材料规格及型号数量备 注1铜棒40 毫米×400 毫米1 根2梅花扳手1 套3内六方扳手1 套4手动液压拉拔器1 套5活动扳手6 寸、8 寸、10 寸各 1 把6螺丝刀一字、十字各 1 把7钢丝钳1 把8尖嘴钳1 把9卡簧钳1 把10电工刀1 把11白布纯棉3 米12砂纸100 目5 张13汽油90#2 公斤14棉纱若干15轴承2 套16油盆1 个17轴承预热油5 公斤18电炉子1 个19色相带黄、绿、红各 1 卷20绝缘胶带1 卷21二硫化钼1 公斤22兆欧表500V1 台23万用表VC9808+1 台3.4 危险点分析:执行序号危险点内容控制措施1相邻设备运行设安全围栏2电气设备工作前进行验电3使用手动液压拉拔器,盲目加压使用手动液压拉拔器,观察压力表,泄压后再继续操作4起重作业起重设备操作人员必须具有操作证5电炉子远离易燃、易爆物质,并派专人监护6人员安排工作人员观察其精神状态、思想情绪保证人员状态良好,并佩带合格的劳动防护用品7工器具规范使用合格工器具8工作环境开工前根据工作现场实际交待注意事项3.5 安全措施:执行序号内 容1在工作区域内,设安全围栏。2在断路器操作把手、控制按钮上挂“禁止合闸,有人工作...

1、当您付费下载文档后,您只拥有了使用权限,并不意味着购买了版权,文档只能用于自身使用,不得用于其他商业用途(如 [转卖]进行直接盈利或[编辑后售卖]进行间接盈利)。
2、本站所有内容均由合作方或网友上传,本站不对文档的完整性、权威性及其观点立场正确性做任何保证或承诺!文档内容仅供研究参考,付费前请自行鉴别。
3、如文档内容存在违规,或者侵犯商业秘密、侵犯著作权等,请点击“违规举报”。

碎片内容

电气检修作业指导书

确认删除?
VIP
微信客服
  • 扫码咨询
会员Q群
  • 会员专属群点击这里加入QQ群
客服邮箱
回到顶部