电脑桌面
添加小米粒文库到电脑桌面
安装后可以在桌面快捷访问

通信行业-省会运行维护中心-监控班机务员岗位说明书VIP免费

通信行业-省会运行维护中心-监控班机务员岗位说明书_第1页
1/2
通信行业-省会运行维护中心-监控班机务员岗位说明书_第2页
2/2
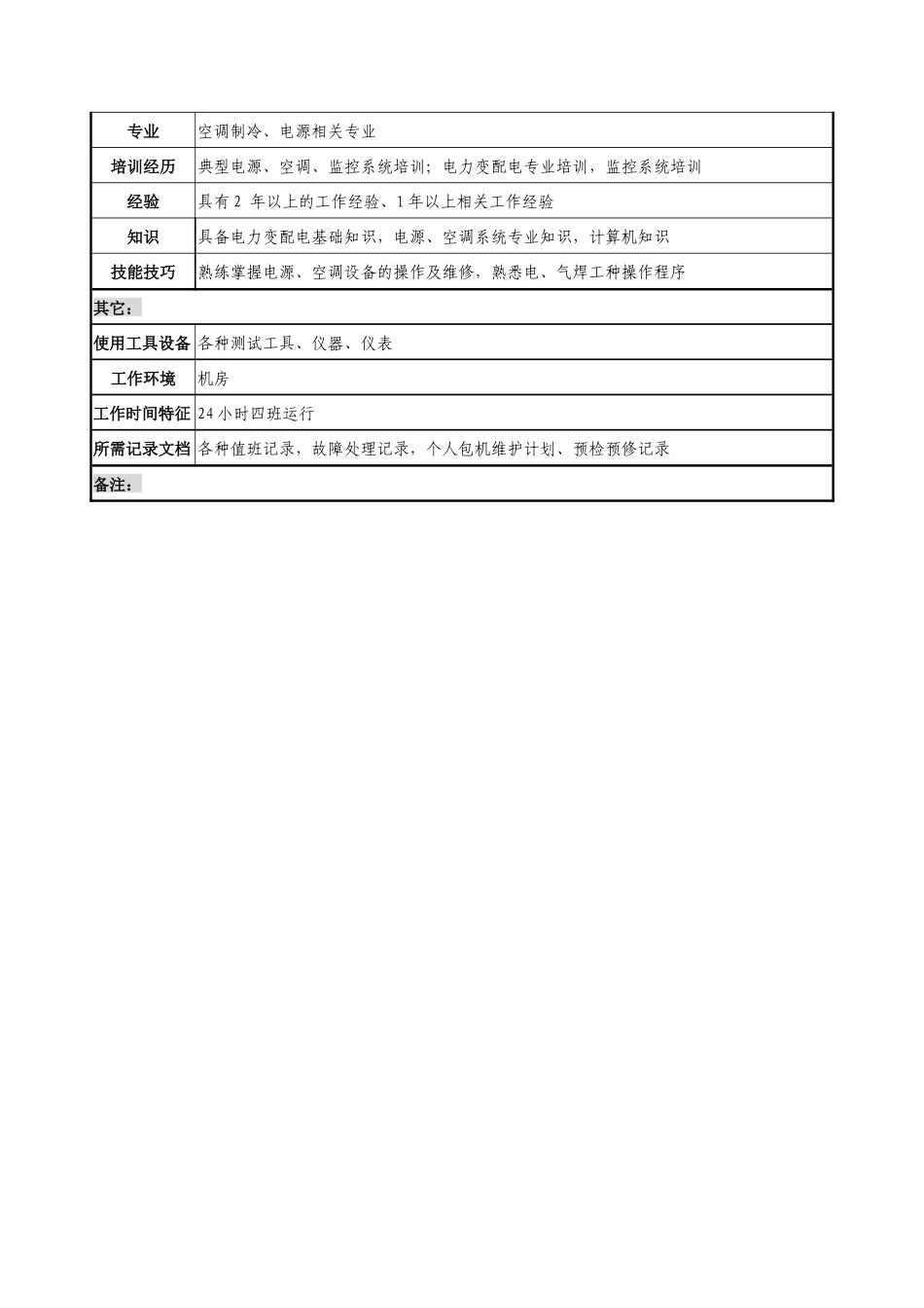
监控班机务员职务说明书岗位名称监控机务员岗位编号YW-24所在部门省会运行维护中心电力室岗位定员8 人直接上级监控班班长职系直接下级薪酬等级所辖人员岗位分析日期2003 年 5 月 27 日本职:负责基站动力环境集中监控及监控室设备维护、故障处理工作职责与工作任务:职责一职责表述:负责基站动力环境集中监控工作 工作时间百分比:30 %工作任务负责基站动力环境的集中监控,并填写相关记录分析判断告警,配发障碍处理单职责二职责表述:负责监控室的日常维护工作及障碍的处理工作 工作时间百分比:30 %工作任务负责机房的卫生清洁工作负责电力监控室各种设备的日常维护工作负责或配合电力监控室障碍的处理工作职责三职责表述:负责 29 号楼办公自动化供电系统的维护 工作时间百分比:35 %职责四职责表述:完成上级交付的其它任务工作时间百分比:5 %权力:有对本班组设备操作维护权力有参与本班组拟定作业计划权力有对本班组工作提出合理化建议权有权对各班组及郊县分公司的电源故障派修有权对各郊县分公司的动力环境监控系统进行检查工作协作关系:内部协调关系 中心各室外部协调关系任职资格:教育水平大专及以上学历专业空调制冷、电源相关专业培训经历典型电源、空调、监控系统培训;电力变配电专业培训,监控系统培训经验具有 2 年以上的工作经验、1 年以上相关工作经验知识具备电力变配电基础知识,电源、空调系统专业知识,计算机知识技能技巧熟练掌握电源、空调设备的操作及维修,熟悉电、气焊工种操作程序其它:使用工具设备 各种测试工具、仪器、仪表工作环境机房工作时间特征 24 小时四班运行所需记录文档 各种值班记录,故障处理记录,个人包机维护计划、预检预修记录备注:

1、当您付费下载文档后,您只拥有了使用权限,并不意味着购买了版权,文档只能用于自身使用,不得用于其他商业用途(如 [转卖]进行直接盈利或[编辑后售卖]进行间接盈利)。
2、本站所有内容均由合作方或网友上传,本站不对文档的完整性、权威性及其观点立场正确性做任何保证或承诺!文档内容仅供研究参考,付费前请自行鉴别。
3、如文档内容存在违规,或者侵犯商业秘密、侵犯著作权等,请点击“违规举报”。

碎片内容

通信行业-省会运行维护中心-监控班机务员岗位说明书

您可能关注的文档

确认删除?
VIP
微信客服
  • 扫码咨询
会员Q群
  • 会员专属群点击这里加入QQ群
客服邮箱
回到顶部