电脑桌面
添加小米粒文库到电脑桌面
安装后可以在桌面快捷访问

潍坊化工厂安全标准化样本VIP免费

潍坊化工厂安全标准化样本_第1页
1/38
潍坊化工厂安全标准化样本_第2页
2/38
潍坊化工厂安全标准化样本_第3页
3/38
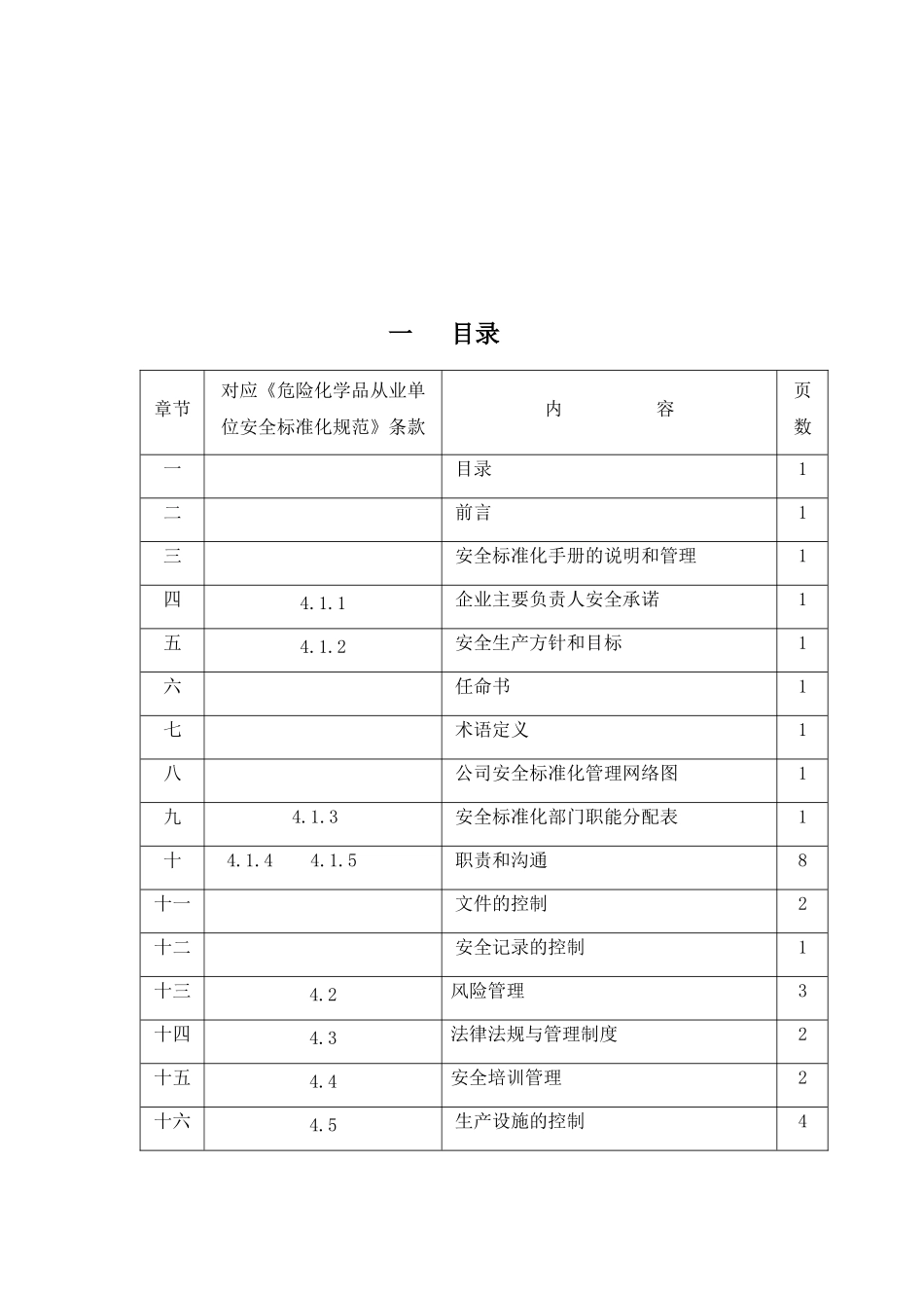
*****化学股份有限公司安全标准化文件 YH/ABG00—2006安 全 标 准 化 手 册 编制: 审核: 批准: 2006-06 - 01 发布 2006 - 06 - 05 实 施地址: 电话: 传 真: 邮编: 电子邮箱: 批 准 页本公司《安全标准化手册》由安全环保处组织编写,符合《危险化学品从业单位安全标准化规范》要求及本公司的实际情况。本公司《安全标准化手册》是 2006 版,它的作用是指导安全标准化覆盖部门开展全员培训、文件编写和自查、自评,使安全标准化工作持续开展,全面提升公司的安全管理水平。对公司开展的各项安全标准化活动的描述,符合《危险化学品从业单位安全标准化规范》要求,切合公司的实际情况,现予以批准颁布执行。2006 版《安全标准化手册》自发布之日(2006 年 6 月 1 日)起生效,并于 2006 年 6 月 5 日开始实施。 企业主要负责人: 年 月 日一 目录章节对应《危险化学品从业单位安全标准化规范》条款内 容页数一目录1二前言1三安全标准化手册的说明和管理1四4.1.1企业主要负责人安全承诺 1五4.1.2安全生产方针和目标1六任命书1七术语定义1八公司安全标准化管理网络图1九4.1.3安全标准化部门职能分配表1十 4.1.4 4.1.5职责和沟通8十一文件的控制2十二安全记录的控制1十三4.2风险管理3十四4.3法律法规与管理制度2十五4.4安全培训管理2十六4.5生产设施的控制4十七4.6、4.7、4.8作业安全、产品安全、职业危害的控制2十八4.9事故与应急程序2十九4.10检查与绩效考核2二 前 言潍坊*****化学股份有限公司是*****集团有限公司控股的中外合资子公司,它的前身是具有近八十年发展历史的原***化工厂。企业坐落在山东省半岛沿海开发区内,地处风景秀丽的世界风筝都,这里与莱洲湾濒临,自然条件优越,生产优质原盐,交通运输便利,具有诱人的发展前景。 公司拥有固定资产 13 亿元,职工 2887 人,集生产、经营、科研和进出口贸易为一体,经济技术力量雄厚,产品质量过硬。公司主要生产烧碱、聚氯乙烯、氯化聚乙烯、液氯、盐酸、次氯酸钠等多种基本化工原料。其中烧碱、聚氯乙烯、液氯和盐酸按国家标准组织生产,烧碱、盐酸为部优、省优产品。氯化聚乙烯产品按高于行标的企业标准(等效采用德国赫司特公司标准)组织生产,该产品被评为国家级新产品和山东省名牌产品,产品占世界总产量的 40%,畅销全国并出口亚、欧、美、非洲等二十几个国家和地区。近几年来,*****化学坚持以技术创新为基础,以...

1、当您付费下载文档后,您只拥有了使用权限,并不意味着购买了版权,文档只能用于自身使用,不得用于其他商业用途(如 [转卖]进行直接盈利或[编辑后售卖]进行间接盈利)。
2、本站所有内容均由合作方或网友上传,本站不对文档的完整性、权威性及其观点立场正确性做任何保证或承诺!文档内容仅供研究参考,付费前请自行鉴别。
3、如文档内容存在违规,或者侵犯商业秘密、侵犯著作权等,请点击“违规举报”。

碎片内容

潍坊化工厂安全标准化样本

确认删除?
VIP
微信客服
  • 扫码咨询
会员Q群
  • 会员专属群点击这里加入QQ群
客服邮箱
回到顶部