电脑桌面
添加小米粒文库到电脑桌面
安装后可以在桌面快捷访问

园路检验批表格VIP免费

园路检验批表格_第1页
1/13
园路检验批表格_第2页
2/13
园路检验批表格_第3页
3/13
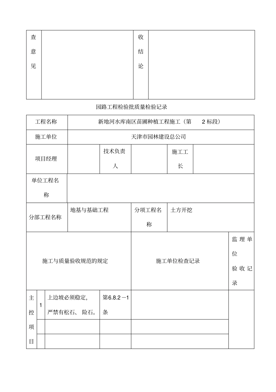
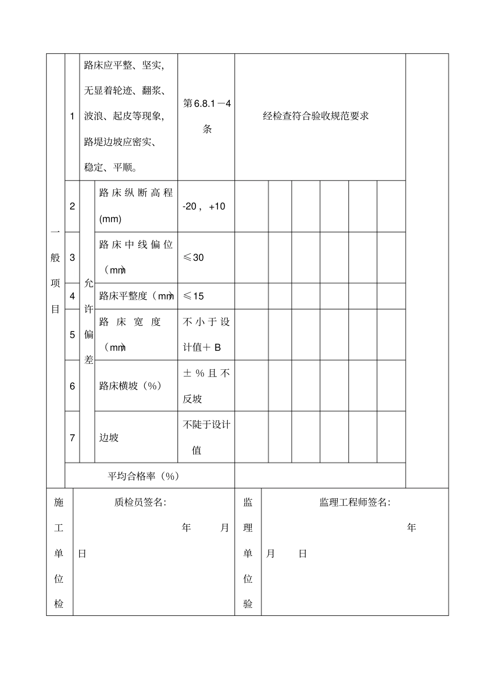
园路工程检验批质量检验记录工程名称新地河水库南区苗圃种植工程施工(第2 标段)施工单位天津市园林建设总公司项目经理技术负责人施工工长单位工程名称分部工程名称地基与基础工程分项工程名称土方施工与质量验收规范的规定施工单位检查记录监理单位验收记录主控项目1压实度应符合规范规定第 6.8.1-1条2弯沉值不应大于设计规定第 6.8.1-2条施工与质量验收规范的规定不合格点的实测偏差值或实测值应测点数合格点数合格率( %)一般项目1路床应平整、坚实,无显着轮迹、翻浆、波浪、起皮等现象,路堤边坡应密实、稳定、平顺。第 6.8.1-4条经检查符合验收规范要求2允许偏差路 床 纵 断 高 程(mm)-20 ,+103路 床 中 线 偏 位(mm)≤304路床平整度( mm) ≤155路 床 宽 度(mm)不 小 于 设计值+ B6路床横坡(%)± % 且 不反坡7边坡不陡于设计值平均合格率(%)施工单位检质检员签名:年月日监理单位验监理工程师签名:年月日查意见收结论园路工程检验批质量检验记录工程名称新地河水库南区苗圃种植工程施工(第2 标段)施工单位天津市园林建设总公司项目经理技术负责人施工工长单位工程名称分部工程名称地基与基础工程分项工程名称土方开挖施工与质量验收规范的规定施工单位检查记录监 理 单位验 收 记录主控项目1上边坡必须稳定,严禁有松石、 险石。第6.8.2-1条施工与质量验收规范的规定不合格点的实测偏差值或实测值应测点数合格点数合格率(%)一般项目1允许偏差路 床 纵 断 高 程(mm)+50;-1002路 床 中 线 偏 位(mm)≤303路床宽( mm)不 小 于 设计 规 定 +B4边坡不 陡 于 设计规定平均合格率(%)施工单位检查意见质检员签名:年月日监理单位验收结论监理工程师签名:年月日园路工程检验批质量检验记录工程名称新地河水库南区苗圃种植工程施工(第2 标段)施工单位天津市园林建设总公司项目经理技术负责人施工工长单位工程名称分部工程名称地基与基础工程分项工程名称路基施工与质量验收规范的规定施工单位检查记录监理单位验收记录主控项目1级配碎砾石垫层的材料质量应符合设计要求。第6.8.4--2条2压实度应大于等于90%。第6.8.4-2条施工与质量验收规范的规定不合格点的实测偏差值或实测值应测点数合格点数合格率(%)一般项目1 允许偏差宽度不 小 于 设计 规 定 +B8 8 100 2 厚度不 少 于 设计规定9 9 100 平均合格率(%)施工单位检查意见质...

1、当您付费下载文档后,您只拥有了使用权限,并不意味着购买了版权,文档只能用于自身使用,不得用于其他商业用途(如 [转卖]进行直接盈利或[编辑后售卖]进行间接盈利)。
2、本站所有内容均由合作方或网友上传,本站不对文档的完整性、权威性及其观点立场正确性做任何保证或承诺!文档内容仅供研究参考,付费前请自行鉴别。
3、如文档内容存在违规,或者侵犯商业秘密、侵犯著作权等,请点击“违规举报”。

碎片内容

园路检验批表格

爱的疯狂+ 关注
实名认证
内容提供者

该用户很懒,什么也没介绍

相关文档

确认删除?
VIP
微信客服
  • 扫码咨询
会员Q群
  • 会员专属群点击这里加入QQ群
客服邮箱
回到顶部