电脑桌面
添加小米粒文库到电脑桌面
安装后可以在桌面快捷访问

围挡专项施工方案VIP免费

围挡专项施工方案_第1页
1/5
围挡专项施工方案_第2页
2/5
围挡专项施工方案_第3页
3/5
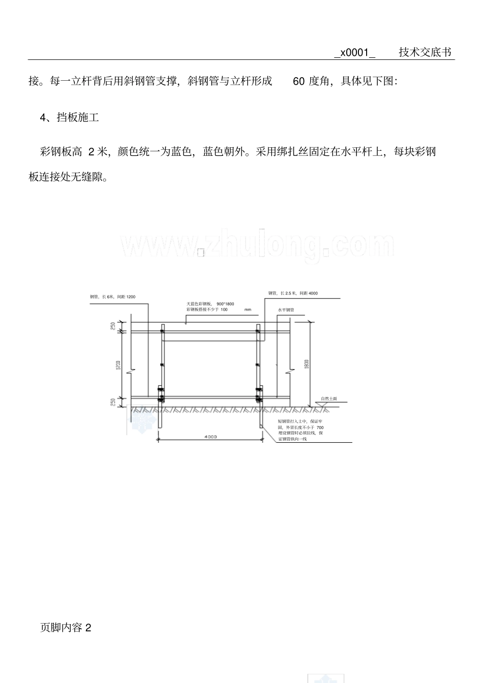
_x0001_ 技术交底书页脚内容 1三、总体施工方案因各施工区域人员活动较为密集,以免施工时间造成安全事故, 根据建设、 监理单位要求及实际情况, 对各施工区域采用彩钢板进行封闭施工。围挡高度为 2 米。具体方案为:为保证围挡安设的稳固性和整体性,围栏固定采用骨架底部用钢管打入土层固定。在每骨架柱位置,加钢管斜撑,并在1米内用短钢管打入土层固定,与钢管斜撑连接,围栏间连接牢固保证正常施工过程中不发生倾斜。各施工区域进行封闭围挡维护。 在施工进口处设置大门进出施工人员及车辆。四、施工工艺和施工方法1、临时围挡定位依据施工区域划分示意图, 对临时围挡进行放线定位。 确定线路后, 请建设方予以确认,与现场不符部位及时进行调整。2、脚手架钢管立柱固定在准备围挡位置划线按照4 米间隔用钢管打入土层固定,在拐角及薄弱环节适当加密,在钢管打入土层之前要仔细调查是否有地下管线,必要时请业主协助现场指定地下管线位置,有管线处尽量绕开,不能绕开的位置对管线采取保护性措施。3、围挡骨架施工钢管打入土层以后,专业围挡安设人员按照打入土层钢管安装立杆,架管采用直径Ф 48mm 壁厚 3.5mm 钢管,绑扎采用用直角扣件、十字扣件、回转扣件和对接扣件连_x0001_ 技术交底书页脚内容 2接。每一立杆背后用斜钢管支撑,斜钢管与立杆形成60 度角,具体见下图:4、挡板施工彩钢板高 2 米,颜色统一为蓝色,蓝色朝外。采用绑扎丝固定在水平杆上,每块彩钢板连接处无缝隙。钢管,长 2.5米,间距 4000短钢管打入土中,保证牢固,外冒长度不小于 700埋设钢管时必须拉线,保证钢管纵向一线水平钢管天蓝色彩钢板, 900*1800彩钢板搭接不少于 100mm自然土面钢管,长 6米,间距 1200_x0001_ 技术交底书页脚内容 3彩钢板短钢管打入土中,保证牢固,外冒长度不少于 500斜杆,长 2.5 米,间距 4000六、围挡的维护围挡的安全作用的发挥以及良好的外部形象的体现关键在于日常的维护。安排一组人员进行维护。日常维护包括:风吹倒及时恢复,破损的维修,对污染部位进行清洁。人员分别安排 1名安全员带领 2 名维护工人进行巡查维护。 在夜间施工期间以及特殊天气期间增派人员进行巡查维护,确保安全。七、注意事项(1)围挡施工过程中,彩钢板不能出现锈迹,要涂有保护材料。(2)围挡施工完毕,彩钢板与钢管之间、钢管与钢管之间必须连接牢固,不得有松动现象。_x0001_ 技术交底书页脚内容 4(3)围挡施工...

1、当您付费下载文档后,您只拥有了使用权限,并不意味着购买了版权,文档只能用于自身使用,不得用于其他商业用途(如 [转卖]进行直接盈利或[编辑后售卖]进行间接盈利)。
2、本站所有内容均由合作方或网友上传,本站不对文档的完整性、权威性及其观点立场正确性做任何保证或承诺!文档内容仅供研究参考,付费前请自行鉴别。
3、如文档内容存在违规,或者侵犯商业秘密、侵犯著作权等,请点击“违规举报”。

碎片内容

围挡专项施工方案

确认删除?
VIP
微信客服
  • 扫码咨询
会员Q群
  • 会员专属群点击这里加入QQ群
客服邮箱
回到顶部