电脑桌面
添加小米粒文库到电脑桌面
安装后可以在桌面快捷访问

土建三级技术交底大全VIP免费

土建三级技术交底大全_第1页
1/42
土建三级技术交底大全_第2页
2/42
土建三级技术交底大全_第3页
3/42
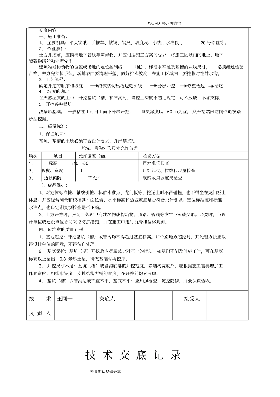
WORD 格式可编辑专业知识整理分享正阳县第八小学综合楼施工技术交底(三级)施工单位:正阳县纪元建筑工程有限公司年月日WORD 格式可编辑专业知识整理分享技 术 交 底 记 录年月日工程名称正阳县第八小学综合楼分部工程地基与基础工程分项工程名称:土方开挖工程WORD 格式可编辑专业知识整理分享交底内容一、施工准备:1、 主要机具:平头铁锹、手推车、铁镐、钢尺、坡度尺、小线﹑水准仪﹑20 号铅丝等。2、 作业条件:土方开挖前,应摸清地下管线等障碍物,并应根据施工方案的要求,将施工区域内的地上、地下障碍物清除和处理完毕。建筑物或构筑物的位置或场地的定位控制线(桩),标准水平桩及基槽的灰线尺寸,必须经过检验合格,并办完预检手续。场地表面要清理平整,做好排水坡度,在施工区域内,要挖临时性排水沟。3、工艺流程:确定开挖的顺序和坡度沿灰线切出槽边轮廓线分层开挖修整槽边清底4、 坡度的确定:在天然湿度的土中,开挖基坑(槽)和管沟时,当挖土深度不超过规定,可不放坡,不加支撑。5、开挖各种槽坑:浅条形基础。 一般粘性土可自上而下分层开挖,每层深度以60 ㎝为宜, 从开挖端部逆向倒退按踏步型挖掘。二、质量标准:1、保证项目:基坑、基槽的土质必须符合设计要求,并严禁扰动。基坑、管沟外形尺寸允许偏差项次项目允许偏差(㎜)检验方法1、标高 +10 -50 用水准仪检查2、长度、宽度 -0 用经纬仪、拉线和尺量检查3、边坡偏陡不允许观察或用坡度尺检查三、成品保护:1、对定位标准桩、轴线引桩、标准水准点、龙门板等,挖运土时不得碰撞,也不得坐在龙门板上休息。并应经常测量和校核其平面位置、水平标高和边坡坡度是否符合设计要求。定位标准桩和标准水准点,也应定期复测检查是否正确。2、土方开挖时,应防止邻近已有建筑物或构筑物、道路、管线等发生下沉或变形。必要时,与设计单位或建设单位协商采取防护措施,并在施工中进行沉降和位移观测。四、应注意的质量问题1、基地超挖:开挖基坑(槽)或管沟均不得超过基底标高。如个别地方超挖时,其处理方法应取得设计单位的同意,不得私自处理。2、 基底保护:基坑(槽)开挖后应尽量减少对基土的扰动。如基础不能及时施工时,可在基底标高以上留出0.3 米厚土层,待做基础时再挖掉。3、 开挖尺寸不足:基坑(槽)或管沟底部的开挖宽度,除结构宽度外,应根据施工需要增加工作面宽度。如排水设施、支撑结构所需的宽度,在开挖前均应考虑。4、 ...

1、当您付费下载文档后,您只拥有了使用权限,并不意味着购买了版权,文档只能用于自身使用,不得用于其他商业用途(如 [转卖]进行直接盈利或[编辑后售卖]进行间接盈利)。
2、本站所有内容均由合作方或网友上传,本站不对文档的完整性、权威性及其观点立场正确性做任何保证或承诺!文档内容仅供研究参考,付费前请自行鉴别。
3、如文档内容存在违规,或者侵犯商业秘密、侵犯著作权等,请点击“违规举报”。

碎片内容

土建三级技术交底大全

确认删除?
VIP
微信客服
  • 扫码咨询
会员Q群
  • 会员专属群点击这里加入QQ群
客服邮箱
回到顶部