电脑桌面
添加小米粒文库到电脑桌面
安装后可以在桌面快捷访问

土方开挖工程检验批质量验收记录文本VIP免费

土方开挖工程检验批质量验收记录文本_第1页
1/10
土方开挖工程检验批质量验收记录文本_第2页
2/10
土方开挖工程检验批质量验收记录文本_第3页
3/10
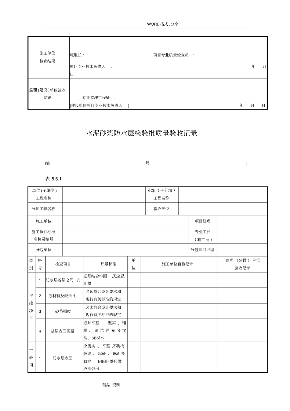
WORD格式 .分享精品 .资料土方开挖工程检验批质量验收记录编号 :表 5.3.1 单位 (子单位 ) 工程名称分部 ( 子分部 )工程名称分项工程名称验收部位施工单位项目经理施工执行标准名称及编号专业工长( 施工员 )分包单位分包项目经理类别序号检查项目质量标准单位施工单位自检记录监理 (建设 ) 单位验收记录主控项目1 基底土性应符合设计要求2 边坡 、表面坡度应符合设计要求和现行有关标准的规定。 表面坡度设计无要求时, 应向排水沟方向做不小于2‰ 的坡度 。3 标 高 偏差柱基 、 基坑 、基槽0~-50 mm 挖方场地平整人工+ 10~- 30 机械±50管沟0~-50 地 (路)面基层0~-20 4 长 度 、宽度 (由设 计 中心 线 向两边量 ) 偏差柱基 、 基坑 、基槽+20 ~0 mm 挖方场地平整人工+20 ~0 机械+50 ~0管沟+50 ~0 一般项目1 表面平整度柱基 、 基坑 、基槽≤20mm 挖方场地平整人工≤20机械≤50管沟≤20地 (路 )面基层 注)≤ 20施工单位检查结果班组长 :项目专业质量检查员:项目专业技术负责人:年月日WORD格式 .分享精品 .资料监理 (建设 )单位验收结论专业监理工程师 :(建设单位项目专业技术负责人) 年月日注: 地( 路) 面基层的偏差只适用于直接在挖、填方上做地 (路 )面的基层 。土方回填工程检验批质量验收记录编号 :表 5.3.2 单位 (子单位 ) 工程名称分部 (子分部 )工程名称分项工程名称验收部位施工单位项目经理施工执行标准名称及编号专业工长(施工员 )分包单位分包项目经理类别序号检查项目质量标准单位施工单位自检记录监理 (建设 ) 单位验收记录主控项目1 基底处理必须符合设计要求和现行有关标准的规定2 分层压实系数必须符合设计要求3 边坡坡度应符合设计要求和现行有关标准及施工技术措施规定4 标高偏差柱基 、基坑 、 基槽0~-20 mm 场 地 平整人 工±20 机 械±50 管沟±20 地(路)面基层±20 5 回填土料应符合设计要求一般项目1 分层厚度及含水量应符合设计要求2 表面平整度柱基 、 基坑 、 基槽≤20 mm 挖方场地平整人工≤20 机械≤30 mm 管沟≤20 地(路)面基层≤20 WORD格式 .分享精品 .资料施工单位检查结果班组长 :项目专业质量检查员:项目专业技术负责人:年月日监理 (建设 )单位验收结论专业监理工程师:(建设单位项目专业技术负责人) 年月日水泥砂浆防水层检验批质量...

1、当您付费下载文档后,您只拥有了使用权限,并不意味着购买了版权,文档只能用于自身使用,不得用于其他商业用途(如 [转卖]进行直接盈利或[编辑后售卖]进行间接盈利)。
2、本站所有内容均由合作方或网友上传,本站不对文档的完整性、权威性及其观点立场正确性做任何保证或承诺!文档内容仅供研究参考,付费前请自行鉴别。
3、如文档内容存在违规,或者侵犯商业秘密、侵犯著作权等,请点击“违规举报”。

碎片内容

土方开挖工程检验批质量验收记录文本

确认删除?
VIP
微信客服
  • 扫码咨询
会员Q群
  • 会员专属群点击这里加入QQ群
客服邮箱
回到顶部