电脑桌面
添加小米粒文库到电脑桌面
安装后可以在桌面快捷访问

基坑开挖风险评价报告书VIP免费

基坑开挖风险评价报告书_第1页
1/13
基坑开挖风险评价报告书_第2页
2/13
基坑开挖风险评价报告书_第3页
3/13
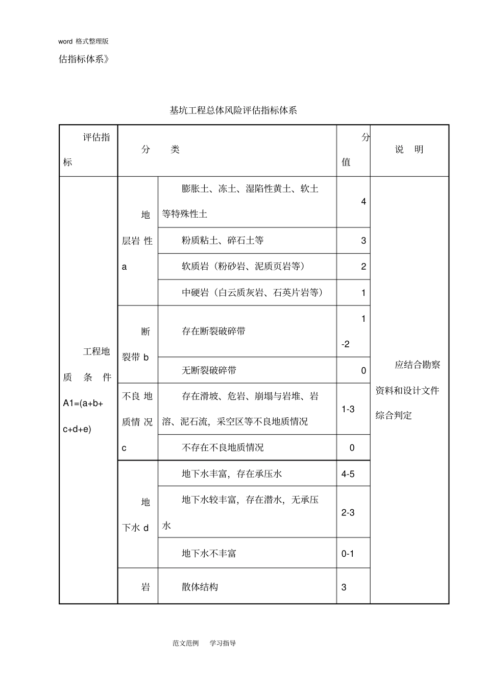
word 格式整理版范文范例学习指导基坑开挖风险评估报告1.1 评估目的本次预评估的目的是在对《XXX 合同段施工组织设计》 、《XXX 合同段施工图》等项目建设资料进行研究的基础上,根据同类工程建设过程中发生的相关安全事故特点,辨识该项目基坑开挖工程施工过程中各项作业活动、作业环境、施工设备、危险物品等所潜在的风险,并对其进行定性、定量分析,以求明确各类危险源的种类及危害程度,进而从安全技术和组织管理等方面提出可行的安全对策措施,提高工程项目施工期间的安全度,实现安全生产。1.2 总则1、 为指导基坑工程施工安全风险评估工作,有效控制施工安全风险,减少重特大生产安全事故的发生,降低人员伤亡和经济损失,保障公路基坑工程建设的安全2、 本《指南》适用于XXX 合同段基坑工程的施工安全风险评估工作。1.3 评估内容基坑开挖施工安全风险评估为总体风险评估。总体风险评估指开工前根据基坑的工程地质条件、场地位置等危险环境与致险因子,评估基坑工程整体风险,确定其安全风险等级。1.4 评估依据建设项目相关文件《XXX 合同段施工图设计》《XXX 合同段项目前期策划书》《XXX 合同段项目施工组织设计》word 格式整理版范文范例学习指导《XXX 合同段招标文件(项目专用本) 》1.5 评估过程和方法1.5.1准备阶段(1)成立专项评估小组,明确职责分工,其中小组负责人应当具有5 年以上工程管理经验;(2)明确评估对象和范围,收集国内外相关法律和标准,了解同类工程的事故情况;(3)现场查勘评估对象的地理、水文、气象条件,收集工程建设有关资料。1.5.2展开总体风险评估基坑工程施工安全总体风险评估,是指开工前根据基坑工程的工程地质条件、场地环境等危险环境与致险因子,确定基坑工程整体风险及其安全风险等级。1.5.3确定专项评估范围。总体风险评估中,对于Ⅲ级(高度风险)及以上等级的深基坑工程,应组织开展专项风险评估。其他风险等级的高边坡或基坑工程,视情况确定是否开展专项风险评估,确定风险控制措施。1.6 总体风险评估方法1.6.1深基坑工程总体评估基坑工程施工安全总体风险评估主要考虑工程地质条件、气候条件、场地位置、基坑深度等四个评估指标。各评估指标的分类、赋值标准见表《基坑工程总体风险评word 格式整理版范文范例学习指导估指标体系》基坑工程总体风险评估指标体系评估指标分类分值说明工程地质条件A1=(a+b+c+d+e) 地层岩 性a 膨胀土、冻土、湿陷性黄土、软土等特殊...

1、当您付费下载文档后,您只拥有了使用权限,并不意味着购买了版权,文档只能用于自身使用,不得用于其他商业用途(如 [转卖]进行直接盈利或[编辑后售卖]进行间接盈利)。
2、本站所有内容均由合作方或网友上传,本站不对文档的完整性、权威性及其观点立场正确性做任何保证或承诺!文档内容仅供研究参考,付费前请自行鉴别。
3、如文档内容存在违规,或者侵犯商业秘密、侵犯著作权等,请点击“违规举报”。

碎片内容

基坑开挖风险评价报告书

您可能关注的文档

确认删除?
VIP
微信客服
  • 扫码咨询
会员Q群
  • 会员专属群点击这里加入QQ群
客服邮箱
回到顶部