电脑桌面
添加小米粒文库到电脑桌面
安装后可以在桌面快捷访问

基础土方开挖专项施工方案VIP免费

基础土方开挖专项施工方案_第1页
1/4
基础土方开挖专项施工方案_第2页
2/4
基础土方开挖专项施工方案_第3页
3/4
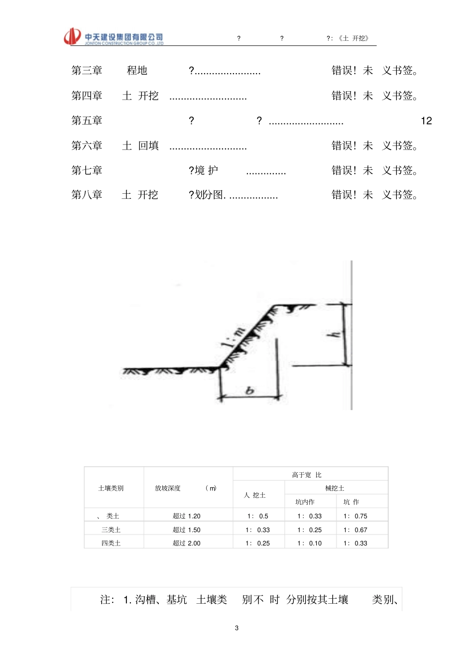
???:《土 开挖》1 土 开挖 程名称:?? 程地点: ???村周边 单位:??分编制单位:??分编 制 人:审 核 人:审 批 人:审批日 :年月日 专 ( )报审表???:《土 开挖》2 程名称: ??编号:致: 程??(监理单位)?????程土 开挖专??编制 单位 ? 人?批准 请予以审查。 :土 开挖专 ?承包单位(章) :理 :日:专 监理 程?师审查意见:专 监理 程?师:日: 监理 程师?审核意见: 监理 ?: 监理 程师?:日:第 章编制依 ........................... 错误!未 义书签。第 章 程概况 ........................... 错误!未 义书签。???:《土 开挖》3 第三章 程地 ?....................... 错误!未 义书签。第四章土 开挖 ........................... 错误!未 义书签。第五章?? .......................... 12第六章土 回填 ........................... 错误!未 义书签。第七章?境 护 .............. 错误!未 义书签。第八章土 开挖 ?划分图. ................. 错误!未 义书签。注: 1. 沟槽、基坑 土壤类别不 时 分别按其土壤类别、土壤类别放坡深度 ( m)高于宽 比人 挖土 械挖土坑内作 坑 作 、 类土超过 1.20 1: 0.5 1: 0.33 1: 0.75 三类土超过 1.50 1: 0.33 1: 0.25 1: 0.67 四类土超过 2.00 1: 0.25 1: 0.10 1: 0.33 ???:《土 开挖》4 放坡比例以不土壤厚度分 别计算; 2. 计算放坡 程量时交接处重 复 程量不扣除 符 放坡深度 时才能放坡 放坡高度 自垫层下表面至计室外地坪高计算。(四).

1、当您付费下载文档后,您只拥有了使用权限,并不意味着购买了版权,文档只能用于自身使用,不得用于其他商业用途(如 [转卖]进行直接盈利或[编辑后售卖]进行间接盈利)。
2、本站所有内容均由合作方或网友上传,本站不对文档的完整性、权威性及其观点立场正确性做任何保证或承诺!文档内容仅供研究参考,付费前请自行鉴别。
3、如文档内容存在违规,或者侵犯商业秘密、侵犯著作权等,请点击“违规举报”。

碎片内容

基础土方开挖专项施工方案

您可能关注的文档

确认删除?
VIP
微信客服
  • 扫码咨询
会员Q群
  • 会员专属群点击这里加入QQ群
客服邮箱
回到顶部