电脑桌面
添加小米粒文库到电脑桌面
安装后可以在桌面快捷访问

塔吊基础施工方案最终版VIP免费

塔吊基础施工方案最终版_第1页
1/15
塔吊基础施工方案最终版_第2页
2/15
塔吊基础施工方案最终版_第3页
3/15
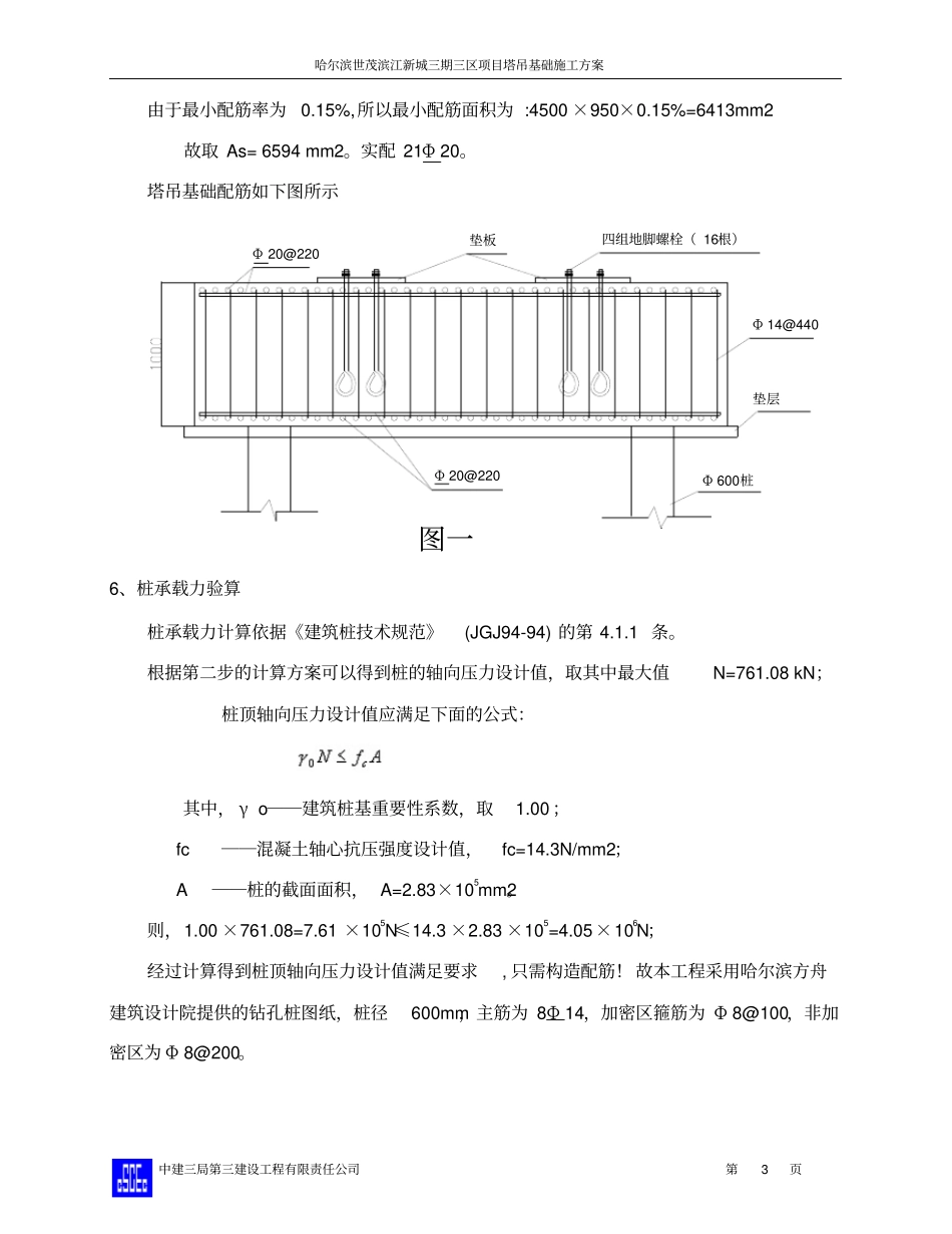
哈尔滨世茂滨江新城三期三区项目塔吊基础施工方案中建三局第三建设工程有限责任公司第1 页塔吊基础计算书1. 参数信息塔吊自重 ( 包括平衡重 )F=650.62kN,基础承台自重 G=506.25 KN,塔身宽度 B=1.80m,混凝土强度等级 :C30,基础最小厚度 h=1m,基础的平面尺寸取: Ac×Bc=4500mm×4500mm 3、塔吊基础承台顶面的竖向力和弯矩确定根据塔吊厂家提供的使用说明书得出水平力 Fh(KN)垂直力 Fv(KN)弯矩 M(KN.m)扭矩 Mn(KN.M)工作工况22.8 684.5 2152 402 非工作工况97 624.5 2695.1 0 4、矩形承台弯矩及单桩桩顶竖向力的计算4.1 、 桩顶竖向力的计算轴心竖向力作用下:nGFNkkk依据《建筑桩技术规范》 JGJ94-94 的第 5.1.1 条。取两水平桩的连线为计算轴,则2.7,0iiym x经计算得到单桩桩顶竖向力标准组合值。最大压力:max2min2506.2547711702.70761.0832.7506.2547711702.70105.5842.7NKNNKN4.2 、矩形承台弯矩的计算荷载工况哈尔滨世茂滨江新城三期三区项目塔吊基础施工方案中建三局第三建设工程有限责任公司第2 页依据《建筑桩技术规范》 JGJ94-2008 的第 5.9.2 条。计算截面取塔吊柱边线。其中 Mx1,My1──计算截面处 XY方向的弯矩设计值 (kN.m) ; xi,yi──单桩相对承台中心轴的XY方向距离取 a/2-B/2=0.7m ; Ni1──扣除承台自重的单桩桩顶竖向力设计值(kN) ,Ni 1=Ni-G/n=592.33kN ;经过计算得到弯矩设计值:Mx1=My1=2×592.33 ×0.7=829.26 kN.m 。5、矩形承台截面主筋的计算依据《混凝土结构设计规范》(GB50010-2002)第 7.2 条受弯构件承载力计算。式中, α l ──系数,当混凝土强度不超过C50 时, α 1 取为 1.0, 当混凝土强度等级为 C80时, α 1 取为 0.94, 期间按线性内插法得1.00 ; fc──混凝土抗压强度设计值查表得16.7N/mm2; ho──承台的计算高度Hc-50.00=950.00mm; fy──钢筋受拉强度设计值,fy=300N/mm2;经过计算得:6210829.26 100.01221.0 16.74500 950scMf bh11211 20.01220.0123s0.0123110.993922s620829.26 1029280.9939 950 300xysyMAsAsmmh f哈尔滨世茂滨江新城三期三区项目塔吊基础施工方案中建三局第三建设工程有限责任公司第3 页由于最小配筋率为0.15%,所以最小配筋面积为 :4500 ×950×0.15%=6413mm2 故取 As= 6594 mm2。实配 21Φ 20。塔吊基础配筋如下图所示图一垫板Φ 20@220Φ 14@440垫层Φ 600桩Φ...

1、当您付费下载文档后,您只拥有了使用权限,并不意味着购买了版权,文档只能用于自身使用,不得用于其他商业用途(如 [转卖]进行直接盈利或[编辑后售卖]进行间接盈利)。
2、本站所有内容均由合作方或网友上传,本站不对文档的完整性、权威性及其观点立场正确性做任何保证或承诺!文档内容仅供研究参考,付费前请自行鉴别。
3、如文档内容存在违规,或者侵犯商业秘密、侵犯著作权等,请点击“违规举报”。

碎片内容

塔吊基础施工方案最终版

您可能关注的文档

确认删除?
VIP
微信客服
  • 扫码咨询
会员Q群
  • 会员专属群点击这里加入QQ群
客服邮箱
回到顶部