电脑桌面
添加小米粒文库到电脑桌面
安装后可以在桌面快捷访问

如何进行危险源辨识VIP免费

如何进行危险源辨识_第1页
1/6
如何进行危险源辨识_第2页
2/6
如何进行危险源辨识_第3页
3/6
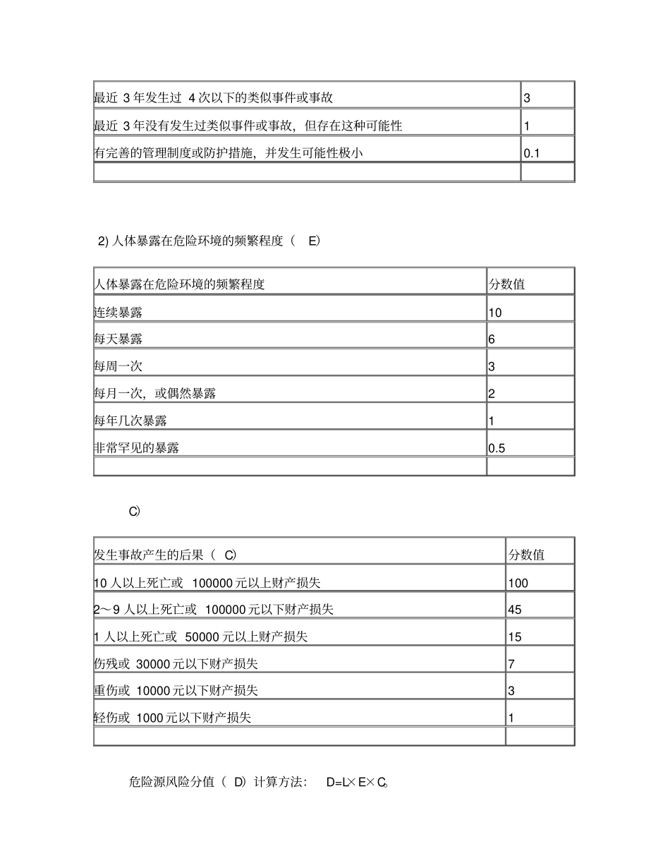
如何进行危险源辨识如何进行危险源辨识并预知危险源、评价安全等级是大家从事安全管理的难题。实际上只要大家掌握一些基本的方法达到目的并不难。大家主要掌握危险源产生的原因、辨识方法、评价方法基本上可以做到心中有底。班组长还必须掌握这一基本能力。(1)危险源的分类第一类危险源:生产过程中存在的,可能发生意外释放的能量(能源或能源载体)第二类危险源:可能导致能量/ 危险物质约束或限制措施破坏/ 失效的各种因素广义划分法 : 机械类、电气类、辐射类、物质类、火灾与爆炸类(2)可能产生偏差的五个方面人(培训不够、防护不当、个人身体原因、精神原因)机(正常、异常、紧急三状态下的噪声、失控等)料(毒性、易燃性、腐蚀性、放射性、感染性)法(方法不当、操作不当)环(过分拥挤、通风不好、光线太暗或过强、温度太高或太低等)(3)危险源辩识方法危险源辨识主要通过现场观察、查阅记录、事故树、事件树,生产工艺过程进行分析。当前现场最有效的方法还是生产工艺过程辨识法。(4)风险评价的方法: LEC法D =LEC D—风险值危险源风险从三个方面进行评价L—发生事故的可能性大小E—暴露于危险环境的频繁程度C—发生事故产生的后果1) 发生事故的可能性( L)事故发生的可能性分数值无任何管理措施或防护手段10 最近 3 年发生过 4 次以上的类似事件或事故6 最近 3 年发生过 4 次以下的类似事件或事故3 最近 3 年没有发生过类似事件或事故,但存在这种可能性1 有完善的管理制度或防护措施,并发生可能性极小0.1 2) 人体暴露在危险环境的频繁程度(E)人体暴露在危险环境的频繁程度分数值连续暴露10 每天暴露6 每周一次3 每月一次,或偶然暴露2 每年几次暴露1 非常罕见的暴露0.5 C)发生事故产生的后果( C)分数值10 人以上死亡或 100000 元以上财产损失100 2~9 人以上死亡或 100000 元以下财产损失45 1 人以上死亡或 50000 元以上财产损失15 伤残或 30000 元以下财产损失7 重伤或 10000 元以下财产损失3 轻伤或 1000 元以下财产损失1 危险源风险分值( D)计算方法:D=L×E×C。分数值( D)危险程度风险级别>320 极其危险,不能连续作业1 级160~320 高度危险,要立即整改2 级70~160 显著危险,需要整改3 级20~70 一般危险,需要注意4 级<20 稍有危险,可以接受5 级(5)重大危险源风险确定原则a. 存在违反相关法律法规及其他要求的危险源,直接评价...

1、当您付费下载文档后,您只拥有了使用权限,并不意味着购买了版权,文档只能用于自身使用,不得用于其他商业用途(如 [转卖]进行直接盈利或[编辑后售卖]进行间接盈利)。
2、本站所有内容均由合作方或网友上传,本站不对文档的完整性、权威性及其观点立场正确性做任何保证或承诺!文档内容仅供研究参考,付费前请自行鉴别。
3、如文档内容存在违规,或者侵犯商业秘密、侵犯著作权等,请点击“违规举报”。

碎片内容

如何进行危险源辨识

您可能关注的文档

确认删除?
VIP
微信客服
  • 扫码咨询
会员Q群
  • 会员专属群点击这里加入QQ群
客服邮箱
回到顶部