电脑桌面
添加小米粒文库到电脑桌面
安装后可以在桌面快捷访问

如何降低成本减少浪费VIP免费

如何降低成本减少浪费_第1页
1/11
如何降低成本减少浪费_第2页
2/11
如何降低成本减少浪费_第3页
3/11
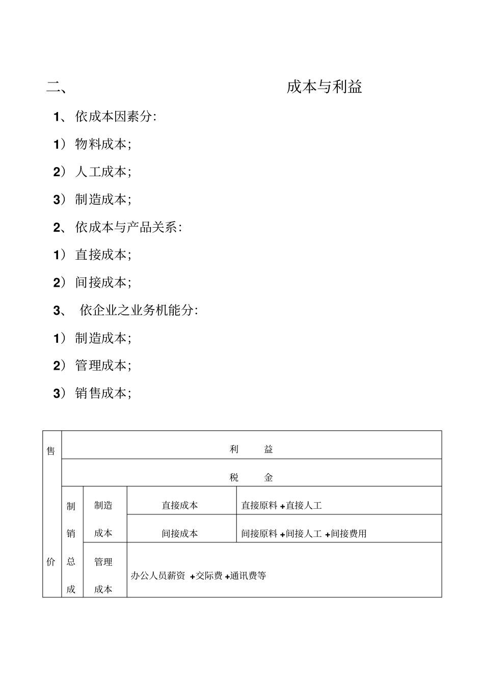
目录页次一、浪费概说⋯⋯⋯⋯⋯⋯⋯⋯⋯⋯⋯⋯⋯⋯⋯⋯⋯⋯⋯⋯M-1 二、成本与利益⋯⋯⋯⋯⋯⋯⋯⋯⋯⋯⋯⋯⋯⋯⋯⋯⋯⋯⋯M-2 三、浪费的领域⋯⋯⋯⋯⋯⋯⋯⋯⋯⋯⋯⋯⋯⋯⋯⋯⋯⋯⋯M-3 四、只有5%有附加价值⋯⋯⋯⋯⋯⋯⋯⋯⋯⋯⋯⋯⋯⋯⋯M-4 五、IE手法在现场中的应用⋯⋯⋯⋯⋯⋯⋯⋯⋯⋯⋯⋯⋯⋯M-4 六、动作经济原则⋯⋯⋯⋯⋯⋯⋯⋯⋯⋯⋯⋯⋯⋯⋯⋯⋯⋯M-5 七、IE的重点⋯⋯⋯⋯⋯⋯⋯⋯⋯⋯⋯⋯⋯⋯⋯⋯⋯⋯⋯⋯M-5 八、提案改善在企业的推行⋯⋯⋯⋯⋯⋯⋯⋯⋯⋯⋯⋯⋯⋯M-6 九、推行的步骤⋯⋯⋯⋯⋯⋯⋯⋯⋯⋯⋯⋯⋯⋯⋯⋯⋯⋯⋯M-7 十、改善的角度⋯⋯⋯⋯⋯⋯⋯⋯⋯⋯⋯⋯⋯⋯⋯⋯⋯⋯⋯M-8 十一、改善提案⋯⋯⋯⋯⋯⋯⋯⋯⋯⋯⋯⋯⋯⋯⋯⋯⋯⋯⋯M-9 十二、改善提案评价表⋯⋯⋯⋯⋯⋯⋯⋯⋯⋯⋯⋯⋯⋯⋯⋯.M-10 十三、降低成本的系统图⋯⋯⋯⋯⋯⋯⋯⋯⋯⋯⋯⋯⋯⋯⋯M-11 十四、降低成本检核表之一⋯⋯⋯⋯⋯⋯⋯⋯⋯⋯⋯⋯⋯⋯M-12 十五、降低成本检核表之二⋯⋯⋯⋯⋯⋯⋯⋯⋯⋯⋯⋯⋯⋯M-13 十六、减低成本(费用)特性要因图⋯⋯⋯⋯⋯⋯⋯⋯⋯⋯M-13 十七、降低成本的检核表之三⋯⋯⋯⋯⋯⋯⋯⋯⋯⋯⋯⋯⋯M-14 十八、附录——领班们可以改善之146种浪费⋯⋯⋯⋯⋯⋯M-15 前言⋯⋯⋯⋯⋯⋯⋯⋯⋯⋯⋯⋯⋯⋯⋯⋯⋯⋯⋯⋯⋯M-15 1 、时间的浪费⋯⋯⋯⋯⋯⋯⋯⋯⋯⋯⋯⋯⋯⋯⋯⋯⋯⋯M-15 2 、创意的浪费⋯⋯⋯⋯⋯⋯⋯⋯⋯⋯⋯⋯⋯⋯⋯⋯⋯⋯M-16 3 、材料与供应品之浪费⋯⋯⋯⋯⋯⋯⋯⋯⋯⋯⋯⋯⋯⋯M-16-17 4 、机械与设备之浪费⋯⋯⋯⋯⋯⋯⋯⋯⋯⋯⋯⋯⋯⋯⋯M-18 5 、人力的浪费⋯⋯⋯⋯⋯⋯⋯⋯⋯⋯⋯⋯⋯⋯⋯⋯⋯M-19-20 6 、意外事故的浪费⋯⋯⋯⋯⋯⋯⋯⋯⋯⋯⋯⋯⋯⋯⋯⋯M-21 7 、缺乏合作的浪费⋯⋯⋯⋯⋯⋯⋯⋯⋯⋯⋯⋯⋯⋯⋯⋯M-22 8 、空间的浪费⋯⋯⋯⋯⋯⋯⋯⋯⋯⋯⋯⋯⋯⋯⋯⋯M-22-23 十九、演练、交流一、浪费概说● 10% 浪费 =100% 营业额● 第二次浪费更可怕● 时间管理(计划、优先、集中、不拖延、时段)● 间接部门之浪费更被重视● 否定传统● 只有 5% 是有附加价值● 1/PPM →O 不良浪费二、成本与利益1、 依成本因素分:1) 物料成本;2) 人工成本;3) 制造成本;2、 依成本与产品关系:1) 直接成本;2) 间接成本;3、 依企业之业务机能分:1) 制造成本;2) 管理成本;3) 销售成本;售价利益税金制销总成制造成本直接成本...

1、当您付费下载文档后,您只拥有了使用权限,并不意味着购买了版权,文档只能用于自身使用,不得用于其他商业用途(如 [转卖]进行直接盈利或[编辑后售卖]进行间接盈利)。
2、本站所有内容均由合作方或网友上传,本站不对文档的完整性、权威性及其观点立场正确性做任何保证或承诺!文档内容仅供研究参考,付费前请自行鉴别。
3、如文档内容存在违规,或者侵犯商业秘密、侵犯著作权等,请点击“违规举报”。

碎片内容

如何降低成本减少浪费

您可能关注的文档

确认删除?
VIP
微信客服
  • 扫码咨询
会员Q群
  • 会员专属群点击这里加入QQ群
客服邮箱
回到顶部