电脑桌面
添加小米粒文库到电脑桌面
安装后可以在桌面快捷访问

石油化工企业工艺安全管理实施导则应用范例VIP免费

石油化工企业工艺安全管理实施导则应用范例_第1页
1/29
石油化工企业工艺安全管理实施导则应用范例_第2页
2/29
石油化工企业工艺安全管理实施导则应用范例_第3页
3/29
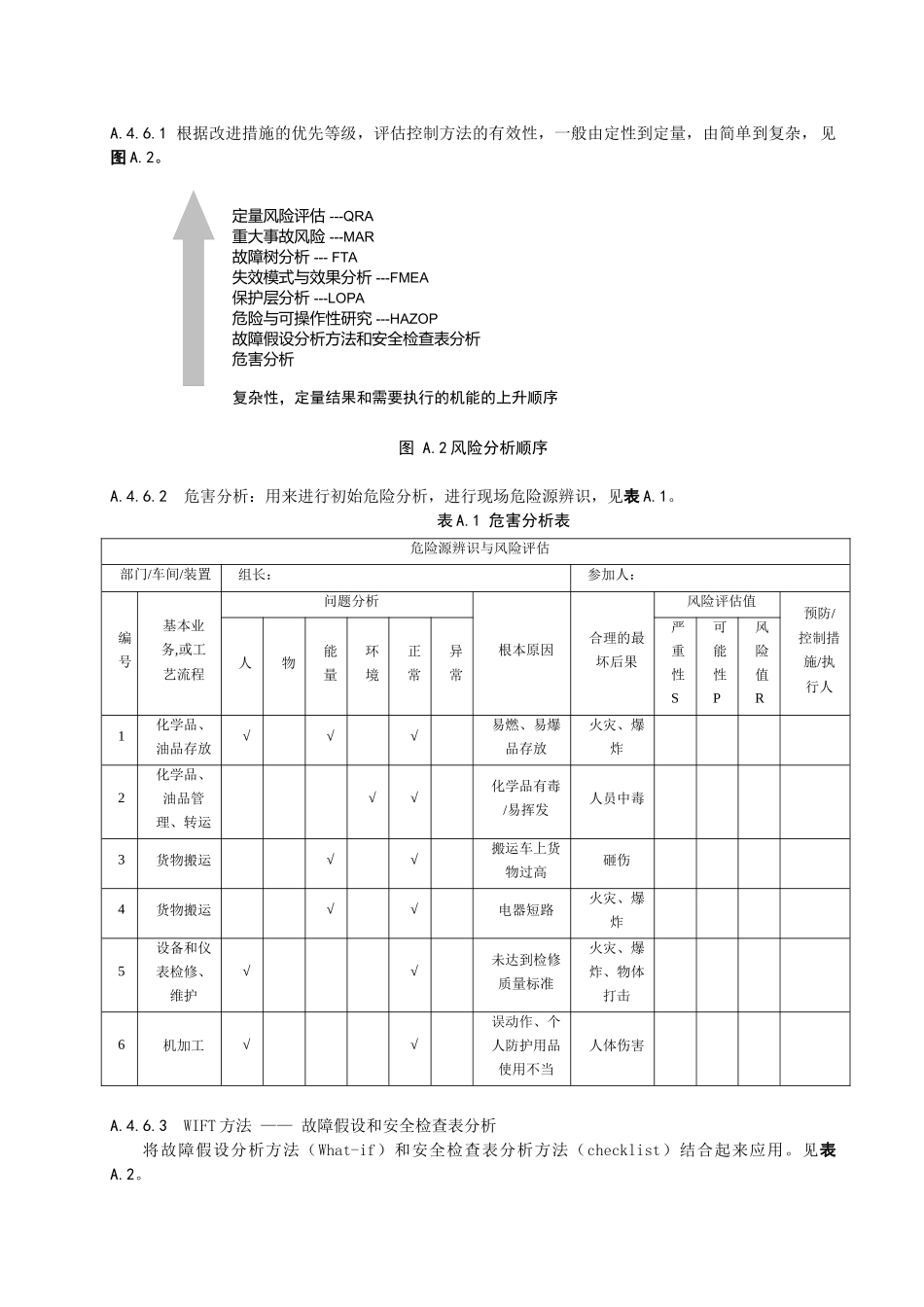
石油化工企业工艺安全管理实施导则应用范例A.1 简介 企业名称:石油化工企业甲是目前世界上乙烯单线产能最大装置之一,并有聚乙烯装置、苯乙烯装置、芳烃抽提装置、聚苯乙烯装置、丙烯腈装置、聚丙烯装置和丁二烯装置。具有世界级上下游一体化的特点,体现规模经济的效应。采用了世界上最先进的工艺技术,生产主要产品:乙烯、聚乙烯 、苯乙烯、聚苯乙烯、丙烯、丙烯腈、聚丙烯、丁二烯、苯、甲苯及副产品等,每年可向市场提供国内紧缺的高质量、多规格、宽覆盖面的石化产品。 管理模式:建立安全管理体系,设立 HSSE(健康、安全、保卫、环保)部门,负责具体的健康、安全、保卫、环保(以下简称 HSSE)事务实施。A.2 HSSE 方针、目标和承诺企业甲的 HSSE 方针由公司总经理、副总经理签署批准后发布实施。同时企业甲的员工和承包商在 HSSE 承诺板上签字。A.3 工艺安全信息A.3.1 工艺安全信息的重要性开展工艺危害分析前,企业应完成书面工艺安全信息建立。工艺安全信息的重要性包括:a) 对工艺系统的准确描述,依据正确的工艺信息进行生产、操作和变更,有效避免工艺事故发生;b) 是开展工艺危害分析的基础;c) 确保生产和维修符合最初设计的意图;d) 是进行工艺系统改造的重要依据;e) 是记录和积累工厂设计、生产操作、维护保养经验和教训。A.3.2 与工厂储存、使用和生产的化学品的危害相关的信息建立 MSDS 信息管理系统,确保所有化学品都有相应的最新版本 MSDS,并可以方便地获取所需要的 MSDS。A.3.3 获取工艺安全信息的途径企业可以通过多种途径获得所需的工艺安全信息,一般可在企业的内网上设立生产信息管理系统 ,及时更新,使用最新版本,在需要时及时获取。例如:企业生产管理系统(PMIS)显示了信息菜单、数据报表、静态报告、应急操作、程序文件和规范标准清单等等。A.4 工艺危害分析A.4.1 任务描述 对任务的内容进行描述,介绍与任务相关的客观存在的风险。建立风险管理程序,明确工艺危害分析的过程、方法和人员,对生产的整个运行周期中遇到的或因运作而产生的危害、威胁、潜在危险事件和影响进行系统分析。见图 A.1。A.4.2 识别危害和潜在影响 所有类别的潜在风险得到识别、评估,可从以下方面考虑:a) 人员安全―考虑由于危险事件的影响,造成人员的急性伤害;b) 人员健康―考虑由于职业接触危害物,可能损害人员健康;c) 环保―考虑对周围环境的短期、长期破坏;d) 财产损失—考虑由于事...

1、当您付费下载文档后,您只拥有了使用权限,并不意味着购买了版权,文档只能用于自身使用,不得用于其他商业用途(如 [转卖]进行直接盈利或[编辑后售卖]进行间接盈利)。
2、本站所有内容均由合作方或网友上传,本站不对文档的完整性、权威性及其观点立场正确性做任何保证或承诺!文档内容仅供研究参考,付费前请自行鉴别。
3、如文档内容存在违规,或者侵犯商业秘密、侵犯著作权等,请点击“违规举报”。

碎片内容

石油化工企业工艺安全管理实施导则应用范例

您可能关注的文档

确认删除?
VIP
微信客服
  • 扫码咨询
会员Q群
  • 会员专属群点击这里加入QQ群
客服邮箱
回到顶部