电脑桌面
添加小米粒文库到电脑桌面
安装后可以在桌面快捷访问

框架结构(营房)施工组织设计方案方案(DOC126页)VIP免费

框架结构(营房)施工组织设计方案方案(DOC126页)_第1页
1/79
框架结构(营房)施工组织设计方案方案(DOC126页)_第2页
2/79
框架结构(营房)施工组织设计方案方案(DOC126页)_第3页
3/79
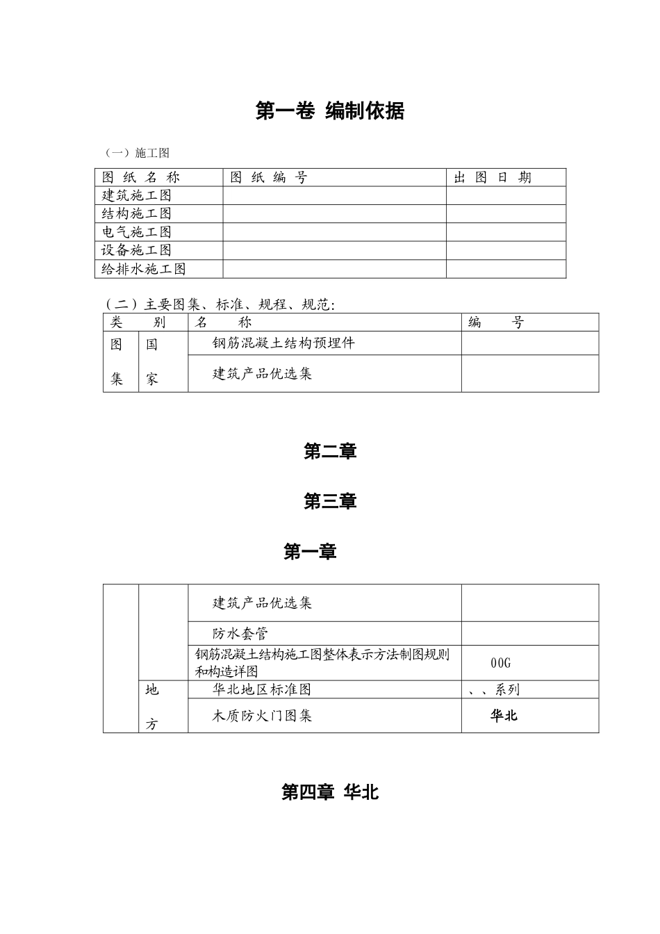
框架结构(某营房)编制日期:年月日编制单位:目录第一卷 编制依据(一)施工图图 纸 名 称图 纸 编 号出 图 日 期建筑施工图结构施工图电气施工图设备施工图给排水施工图(二)主要图集、标准、规程、规范:类 别名 称编 号图集国家钢筋混凝土结构预埋件建筑产品优选集第二章 第三章 第一章 建筑产品优选集防水套管钢筋混凝土结构施工图整体表示方法制图规则和构造详图00G地方华北地区标准图、、系列木质防火门图集华北第四章 华北第五章 第二章 木质防火门图集华北钢筋混凝土过梁京 92G外墙内保温构造图集(一)京外墙内保温构造图集(二)京框架结构填充墙空心砌块构造图集京 规范规程国家采暖与卫生工程施工及验收规范土方与爆破工程施工及验收规范地基与基础工程施工及验收规范混凝土结构工程施工及验收规范建筑地面工程施工及验收规范电气装置安装工程施工及验收规范砌体工程施工及验收规范行业建筑机械使用安全技术规程施工现场临时用电安全技术规范建筑施工高处作业安全技术规程第二节 第三节 第一节 建筑施工高处作业安全技术规程建筑装饰工程施工及验收规范钢筋焊接及验收规程玻璃幕墙工程技术规范建筑工程冬期施工规程外墙饰面砖工程施工及验收规范建筑给水铝塑复合管道工程技术规程 地方建筑工程施工测量规程01-21-95建筑安装分项工程施工工艺规程01-26-9601-26-96 一、 建筑安装分项工程施工工艺规程01-26-96建筑安装工程资料管理规程标准国家建筑安装工程质量检验评定统一标准建筑工程质量检验评定标准建筑采暖卫生与煤气工程质量检验评定标准建筑电气安装工程质量检验评定标准地方工程建设监理规程企业质量手册及程序文件(三)主要法规:序号 名 称 编 号《建筑工程质量管理监督法规文件汇编》北京市建设工程质量监督总站《中华人民共和国计量法》年主席令第号建设工程质量管理条例年月日国务院颁发《中华人民共和国建筑法》年主席令第号《北京市建设工程施工试验实行有见证取样和送检制度的暂行规定的补充通知》京建法()号《预防砼工程碱集料反应技术管理规定(试行)》京建科()号《房屋建筑工程和市政基础设施工程实行见证取样和送检的规定》京建质[]号(四)建设单位提供施工用地、水、电等条件施工场地基本能满足施工要求。水电由甲方指定地点引入。(五)地质条件根据勘测结果如下:① 层为粘质粉土填土,松散,工程性能差,厚度为~米;② 层为砂质粉土,中密,厚度为~米;③ 层为粘质...

1、当您付费下载文档后,您只拥有了使用权限,并不意味着购买了版权,文档只能用于自身使用,不得用于其他商业用途(如 [转卖]进行直接盈利或[编辑后售卖]进行间接盈利)。
2、本站所有内容均由合作方或网友上传,本站不对文档的完整性、权威性及其观点立场正确性做任何保证或承诺!文档内容仅供研究参考,付费前请自行鉴别。
3、如文档内容存在违规,或者侵犯商业秘密、侵犯著作权等,请点击“违规举报”。

碎片内容

框架结构(营房)施工组织设计方案方案(DOC126页)

您可能关注的文档

确认删除?
VIP
微信客服
  • 扫码咨询
会员Q群
  • 会员专属群点击这里加入QQ群
客服邮箱
回到顶部