电脑桌面
添加小米粒文库到电脑桌面
安装后可以在桌面快捷访问

北京某住宅小区地下车库施工组织设计VIP免费

北京某住宅小区地下车库施工组织设计_第1页
1/176
北京某住宅小区地下车库施工组织设计_第2页
2/176
北京某住宅小区地下车库施工组织设计_第3页
3/176
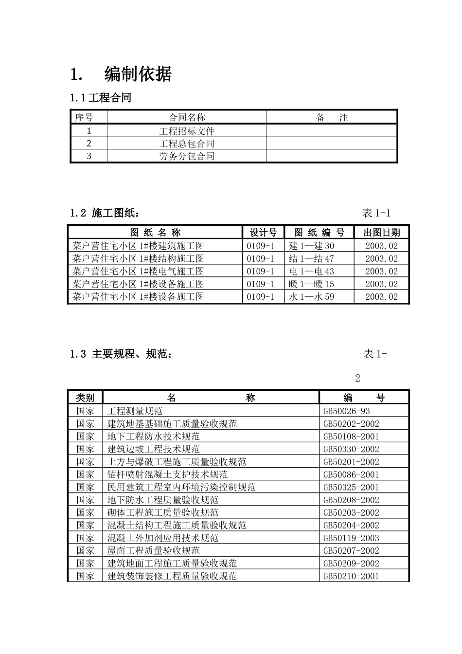
北京丽泽花园菜户营住宅小区地下车库施工组织设计1. 编制依据1.1 工程合同序号合同名称备 注1工程招标文件2工程总包合同3劳务分包合同1.2 施工图纸: 表 1-1图 纸 名 称设计号图 纸 编 号出图日期菜户营住宅小区 1#楼建筑施工图0109-1建 1—建 302003.02菜户营住宅小区 1#楼结构施工图0109-1结 1—结 472003.02菜户营住宅小区 1#楼电气施工图0109-1电 1—电 432003.02菜户营住宅小区 1#楼设备施工图0109-1暖 1—暖 152003.02菜户营住宅小区 1#楼设备施工图0109-1水 1—水 592003.021.3 主要规程、规范: 表 1-2类别名 称编 号国家工程测量规范GB50026-93国家建筑地基基础施工质量验收规范GB50202-2002国家地下工程防水技术规范GB50108-2001国家建筑边坡工程技术规范GB50330-2002国家土方与爆破工程施工质量验收规范GB50201-2002国家锚杆喷射混凝土支护技术规范GB50086-2001国家民用建筑工程室内环境污染控制规范GB50325-2001国家地下防水工程质量验收规范GB50208-2002国家砌体工程施工质量验收规范GB50203-2002国家混凝土结构工程施工质量验收规范GB50204-2002国家混凝土外加剂应用技术规范GB50119-2003国家屋面工程质量验收规范GB50207-2002国家建筑地面工程施工质量验收规范GB50209-2002国家建筑装饰装修工程质量验收规范GB50210-2001国家住宅装饰装修工程施工规范GB50327-2001国家建筑给水排水及采暖工程施工质量验收规范GB50242-2002国家通风与空调工程施工质量验收规范GB50243-2002国家建筑电气安装工程施工质量验收规范GB50303-2002国家建设工程文件归档整理规范GB/T50328-2001国家建设工程项目管理规范GB/T20326-2001国家组合钢模板技术规范GB50214-2001国家大模板多层住宅结构设计与施工规程JGJ20-84国家钢筋混凝土高层建筑结构设计与施工规程JGJ3-91行业钢筋焊接及验收规程JGJ18-2003行业钢筋机械连接通用技术规程JGJ107-2003行业混凝土泵送施工技术规程JGJ/T10-95行业建筑工程冬期施工规程JGJ104-97行业建筑机械使用安全技术规程JGJ33-2001地方施工现场临时用电安全技术规范JGJ46-88地方预拌砼质量管理规程DBJ01-6-90地方北京市屋面卷材防水推荐作法京 93TJ2地方《建筑工程施工测量规程》DBJ01-21-95地方《建筑工程监理规程》DBJ01-41-2002地方《建筑工程资料管理规程》DBJ01-51-2003地方《建筑工程施工技术管理规程》DBJ01-80-2003地方《建筑工程施工安全操作规程》DBJ01-62-20021.4 主要图集: ...

1、当您付费下载文档后,您只拥有了使用权限,并不意味着购买了版权,文档只能用于自身使用,不得用于其他商业用途(如 [转卖]进行直接盈利或[编辑后售卖]进行间接盈利)。
2、本站所有内容均由合作方或网友上传,本站不对文档的完整性、权威性及其观点立场正确性做任何保证或承诺!文档内容仅供研究参考,付费前请自行鉴别。
3、如文档内容存在违规,或者侵犯商业秘密、侵犯著作权等,请点击“违规举报”。

碎片内容

北京某住宅小区地下车库施工组织设计

确认删除?
VIP
微信客服
  • 扫码咨询
会员Q群
  • 会员专属群点击这里加入QQ群
客服邮箱
回到顶部