电脑桌面
添加小米粒文库到电脑桌面
安装后可以在桌面快捷访问

XXXX广西壮族自治区零售连锁总部GSP细则VIP免费

XXXX广西壮族自治区零售连锁总部GSP细则_第1页
1/44
XXXX广西壮族自治区零售连锁总部GSP细则_第2页
2/44
XXXX广西壮族自治区零售连锁总部GSP细则_第3页
3/44
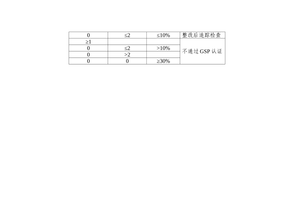
附件 2广西壮族自治区药品零售连锁企业总部药品经营质量管理规范认证检查细则(试行)说 明1、为规范《药品经营质量管理规范》(卫生部令第 90 号,以下简称《规范》)现场检查,确保检查工作质量,根据《规范》以及附录的条款设置要求,制定本细则。2、食品药品监督管理部门应当根据《规范》和本细则,对企业实施《规范》情况进行全面检查。3、药品零售连锁企业总部检查项目共 252 项,其中严重缺陷项目(**)5 项,主要缺陷项目(*)55 项,一般缺陷项目 192 项。企业计算机系统,药品储存运输环境温湿度自动检测,药品收货与验收,冷藏、冷冻药品的储存与运输管理,验证管理等应符合《规范》附录中相关规定的要求。4、药品零售连锁企业门店抽查比例:连锁门店≤30 家的,抽查 20%,但不得少于 3 家;连锁门店>30 家的,抽查 10%,但不得少于 6 家;一个连锁门店不合格,视为一个主要缺陷。5、本细则由广西壮族自治区食品药品监督管理局认证审评中心负责解释。6、评定方法(1)现场检查时,检查组应对所列条款检查内容进行全面检查,并逐条作出评定。(2)每一条款检查内容中,凡有一条评定细则未达标的,该条款即为缺陷项目。其中,严重缺陷项目不合格为严重缺陷,主要缺陷项目不合格为主要缺陷,一般项目不合格为一般缺陷。(3)合理缺陷项目认定原则:《药品经营许可证》中经营范围未核准的项目,即为合理缺陷项目。合理缺陷项目不予评定,计算一般缺陷率时,从标准项目总数中,减去合理缺陷项目数,计算公式为:一般缺陷率= 一般缺陷项目数×100%一般项目总数-一般合理缺陷项目数(4)结果评定项 目结 果严重缺陷项数主要缺陷项数一般缺陷率00≤10%通过 GSP 认证0010-30%限期 3 个月内整改后追踪检查0≤2≤10%≥1不通过 GSP 认证0≤2>10%0>200≥30%序号项目号检查内容检查细则1**00401药品经营企业应当依法经营。1.《药品经营许可证》、《营业执照》均在有效期内(含连锁门店)。2.不得有以下行为: (1)批发经营;(2)超范围经营;(3)挂靠、走票,为他人以本企业的名义经营药品提供场所、资质证明文件、票据等;(4)不具备经营某类药品基本条件(质量制度、机构人员、设施设备等); (5)法律、法规、部门规章、地方条例、规范性文件等规定的应进行处罚的违法经营行为。2**00402药品经营企业应当坚持诚实守信,禁止任何虚假、欺骗行为。1.为零售连锁企业开展配送业务的批发企业一年内经营行为符合《广...

1、当您付费下载文档后,您只拥有了使用权限,并不意味着购买了版权,文档只能用于自身使用,不得用于其他商业用途(如 [转卖]进行直接盈利或[编辑后售卖]进行间接盈利)。
2、本站所有内容均由合作方或网友上传,本站不对文档的完整性、权威性及其观点立场正确性做任何保证或承诺!文档内容仅供研究参考,付费前请自行鉴别。
3、如文档内容存在违规,或者侵犯商业秘密、侵犯著作权等,请点击“违规举报”。

碎片内容

XXXX广西壮族自治区零售连锁总部GSP细则

您可能关注的文档

确认删除?
VIP
微信客服
  • 扫码咨询
会员Q群
  • 会员专属群点击这里加入QQ群
客服邮箱
回到顶部