电脑桌面
添加小米粒文库到电脑桌面
安装后可以在桌面快捷访问

采矿专业检查表(新)810VIP免费

采矿专业检查表(新)810_第1页
1/15
采矿专业检查表(新)810_第2页
2/15
采矿专业检查表(新)810_第3页
3/15
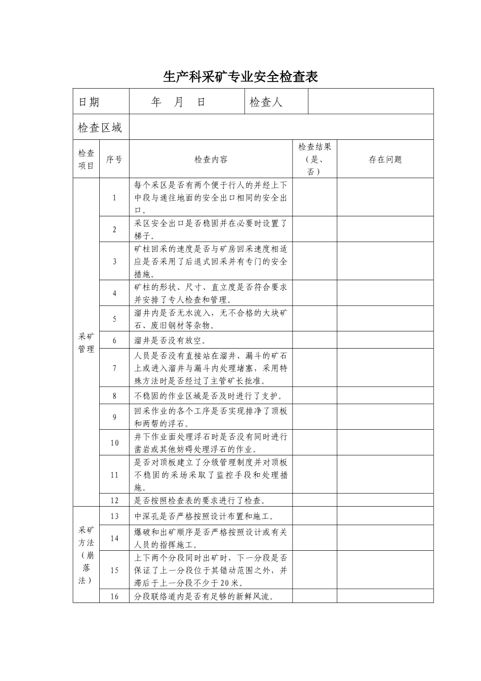
生产科掘进专业安全检查表日期年 月 日 检查人检查区域检查项目序号检查内容检查结果(是、否)存在问题设计培训1工程施工是否符合设计要求。2施工前是否对有关人员进行了施工组织培训。安全出口3有跑矿危险的地点是否设立了确保人员安全撤离的通道。4生产中段是否至少有两个便于行人与直接通往地面的安全出口相同的安全出口。5井巷分道口是否有注明了所在地点和通往地面安全出口的路标。6行人的水平运输巷道宽度和高度是否符合要求掘进作业7出渣前是否排净了工作面顶帮的浮石。8出渣时是否进行湿式作业。9天井掘进是否架设了牢固可靠的工作台。10天井掘进是否及时架设了距工作面不超过 6 米且安全可靠的支护棚11天井掘进超过 7 米时,是否装备了中间间隔的梯子间和溜渣间。12未贯通的天井内施工时是否有可靠有效的通风措施。13距天井贯通 7 米时是否给出贯通点并设置了警戒标志和围栏。14井巷掘进过程中各种线路是否按设计及时标准的架设。 15作业巷道是否干净平整无积水无乱石无杂物。16作业面内的矿、岩是否铲运干净。井巷维护和报17井下的安全出口和升降人员的井筒是否按月进行了检查。18地压较大的井巷和人员活动频繁的出矿废巷道是否每班进行了检查并留有记录。19对主要井筒和运输大巷检修时是否制定了经主管矿长批准的安全技术措施。20报废的井巷是否及时进行了封闭。21修复废旧井巷时是否采取了安全可靠的措施。22竖井与各中段的连接处是否有足够的照明,不小于 1.5 米的栅栏门、阻车器、人行绕道。天井、溜井、地井、漏斗口是否有标志照明护栏或格筛、盖板。23在“三井”上口和距坠落基准面 2 米以上地点作业时作业人员是否佩戴了安全带并有专人监护。24是否按照检查表的要求对所列项目逐项进行了检查并详细记录了问题的内容和所采取的措施。25作业人员是否按标准佩戴了劳保用品。26各种设备设施是否完好无损坏。27作业巷道是否牢固无浮石。28293031323334353637383940414243注:是打√,否打×生产科采矿专业安全检查表日期年 月 日 检查人检查区域检查项目序号检查内容检查结果(是、否)存在问题采矿管理1每个采区是否有两个便于行人的并经上下中段与通往地面的安全出口相同的安全出口。2采区安全出口是否稳固并在必要时设置了梯子。3矿柱回采的速度是否与矿房回采速度相适应是否采用了后退式回采并有专门的安全措施。4矿柱的形状、尺寸、直立度是否符合要求并安排了专人检查和管理。5溜井内是否无水流入,无不合格的...

1、当您付费下载文档后,您只拥有了使用权限,并不意味着购买了版权,文档只能用于自身使用,不得用于其他商业用途(如 [转卖]进行直接盈利或[编辑后售卖]进行间接盈利)。
2、本站所有内容均由合作方或网友上传,本站不对文档的完整性、权威性及其观点立场正确性做任何保证或承诺!文档内容仅供研究参考,付费前请自行鉴别。
3、如文档内容存在违规,或者侵犯商业秘密、侵犯著作权等,请点击“违规举报”。

碎片内容

采矿专业检查表(新)810

确认删除?
VIP
微信客服
  • 扫码咨询
会员Q群
  • 会员专属群点击这里加入QQ群
客服邮箱
回到顶部