电脑桌面
添加小米粒文库到电脑桌面
安装后可以在桌面快捷访问

橡胶塑炼与混炼VIP免费

橡胶塑炼与混炼_第1页
1/24
橡胶塑炼与混炼_第2页
2/24
橡胶塑炼与混炼_第3页
3/24
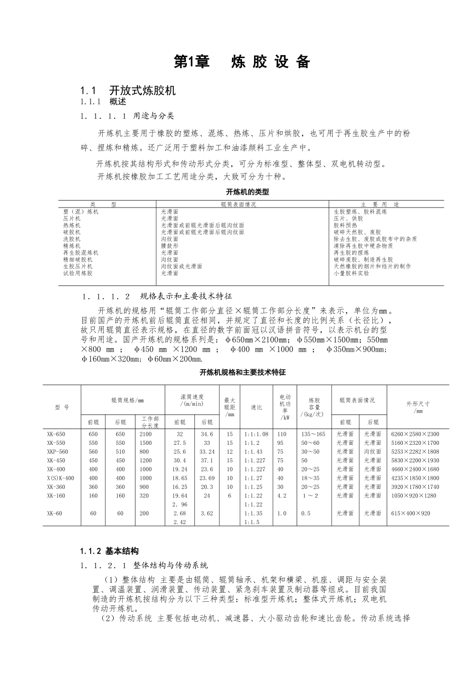
第1章炼 胶 设 备1.1开放式炼胶机1.1.1 概述1.1.1.1 用途与分类 开炼机主要用于橡胶的塑炼、混炼、热炼、压片和烘胶,也可用于再生胶生产中的粉碎、捏炼和精炼。还广泛用于塑料加工和油漆颜料工业生产中。 开炼机按其结构形式和传动形式分类,可分为标准型、整体型、双电机转动型。 开炼机按橡胶加工工艺用途分类,大致可分为十种。 开炼机的类型 类 型 辊筒表面情况 主 要 用 途塑(混)炼机压片机热炼机破胶机洗胶机精炼机再生胶混炼机精细破胶机生胶压片机试验用炼胶光滑面光滑面光滑面或前辊光滑面后辊沟纹面光滑面或前辊光滑面后辊沟纹面沟纹面腰鼓形光滑面沟纹面沟纹面或光滑面光滑面生胶塑炼、胶料混炼压片、供胶胶料预热破碎天然胶、废胶除去生胶、废胶或胶布中的杂质清除再生胶中硬杂物质再生胶的捏炼破碎废胶、制造再生胶天然橡胶的烟片和绉片的制作小量胶料实验1.1.1.2 规格表示和主要技术特征开炼机的规格用“辊筒工作部分直径×辊筒工作部分长度”来表示,单位为㎜。目前国产的开炼机前后辊筒直径相同,并规定了直径和长度的比例关系(长径比),故只用辊筒直径表示规格,在直径的数字前面冠以汉语拼音符号,以表示机台的型号和用途。国产开炼机的规格系列是:φ650㎜×2100㎜;φ550㎜×1500㎜;550㎜×800 ㎜ ; φ450 ㎜ ×1200 ㎜ ; φ400 ㎜ ×1000 ㎜ ; φ350mm×900mm; φ160mm×320mm; φ60mm×200mm.开炼机规格和主要技术特征型 号辊筒规格/㎜滚筒速度/(m/min)最大辊距/mm速比电动机功率/kW炼胶容量/(kg/次)辊筒表面情况外形尺寸/mm前辊后辊工作部分长度前辊后辊前辊后辊XK-650XK-550XKP-560XK-450XK-400X(S)K-400XK-360XK-160XK-606505505604504004003601606065055051045040040036016060210015008001200100010009003202003227.525.630.419.2418.6516.2519.642.962.682.4234.63333.2437.123.623.6920.3243.621515121510101061:1:1.081:1.21:1.431:1.2271:1.2271:1.271:1.251:1.221:1.221:1.351:1.51109575754040304.21.0135~16550~6030~505020~2518~3520~251~20.5光滑面光滑面光滑面光滑面光滑面光滑面光滑面光滑面光滑面 光滑面光滑面沟纹面光滑面光滑面光滑面光滑面光滑面光滑面6260×2580×23005160×2320×17005253×2282×18085830×2200×19304660×2400×16804235×1850×18003920×1780×17401050×920×1280615×400×9201.1.2 基本结构 1.1.2....

1、当您付费下载文档后,您只拥有了使用权限,并不意味着购买了版权,文档只能用于自身使用,不得用于其他商业用途(如 [转卖]进行直接盈利或[编辑后售卖]进行间接盈利)。
2、本站所有内容均由合作方或网友上传,本站不对文档的完整性、权威性及其观点立场正确性做任何保证或承诺!文档内容仅供研究参考,付费前请自行鉴别。
3、如文档内容存在违规,或者侵犯商业秘密、侵犯著作权等,请点击“违规举报”。

碎片内容

橡胶塑炼与混炼

确认删除?
VIP
微信客服
  • 扫码咨询
会员Q群
  • 会员专属群点击这里加入QQ群
客服邮箱
回到顶部