电脑桌面
添加小米粒文库到电脑桌面
安装后可以在桌面快捷访问

某公寓临时用水用电工程施工组织设计VIP免费

某公寓临时用水用电工程施工组织设计_第1页
1/9
某公寓临时用水用电工程施工组织设计_第2页
2/9
某公寓临时用水用电工程施工组织设计_第3页
3/9
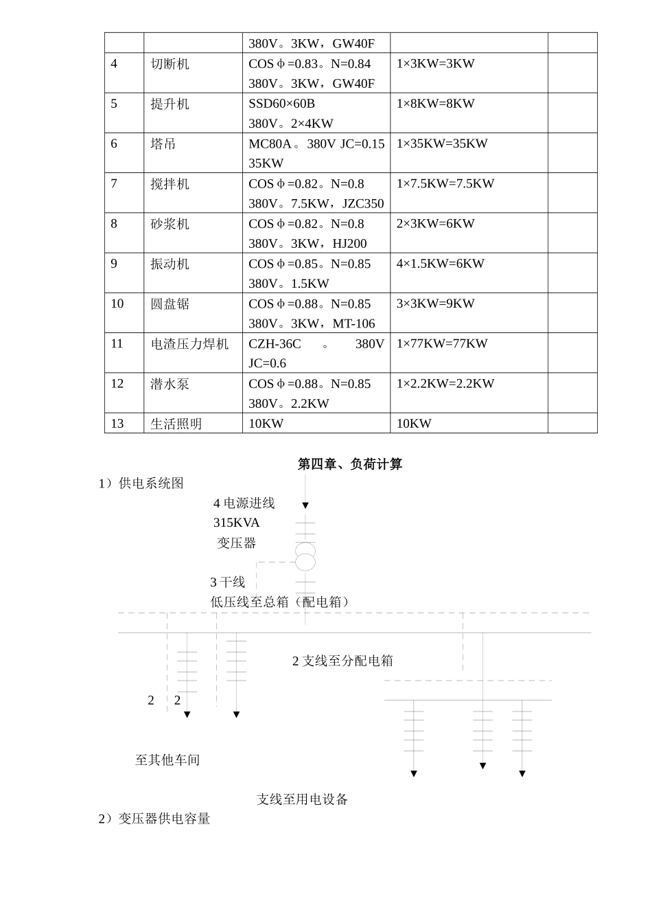
太子山公寓临时用水用电施工方案编制:审核:批准: 厦门华远建设集团有限公司 2003 年 10 月太子山公寓临时用电施工组织设计第一章、工程概况:1. 1 太子山公寓工程位于万寿路以南,万寿宾馆北侧,建筑面积 10134.49㎡,为地下一层(1221.43㎡),地上十一层(8913.06㎡),建筑高度 36.85M。本工程抗震设防裂度为七级,上部建筑结构抗震等级框架为二级,地下一层剪力墙抗震等级为二级,框架抗震等级为二级。建筑场地类别为 II 类。基础采用人工挖孔灌注桩,个别采用柱下独立基础。(人工挖孔灌注桩现施工完毕).1.2、工程特点:施工场地非常狭窄,施工时交通拥挤,场内材料运输调配很困难,工期紧,总工期为 465 个日历天。第二章、设备表投入工程中主要机械设备计划序号 型 号数量单位1对焊机UN1-1001台2电焊机BX1-2502台3弯曲机GW401台4切断机GQ-401台5提升机SSD60×601台6塔吊TC1001台7砼搅拌机JZ3502台8砂浆机HJ2002台2.8KW×39圆盘踞MT-1063台1.5KW×210潜水泵10台1.5KW×1011电渣压力焊机CZH-36C2台76KVA12振动器PG-506台1.5KW×6第三章、用电设备参数表序号机械名称技术参数功率备注1对焊机UN1-100。COSφ=0.78380V。JC=0.65I×63KW=63.0KW2电焊机BX1-250,COSφ=0.45380V。JC=0.822×12.5KW=25KW3弯曲机COSφ=0.83。N=0.841×3KW=3KW380V。3KW,GW40F4切断机COSφ=0.83。N=0.84380V。3KW,GW40F1×3KW=3KW5提升机SSD60×60B380V。2×4KW1×8KW=8KW6塔吊MC80A。380V JC=0.15 35KW1×35KW=35KW7搅拌机COSφ=0.82。N=0.8380V。7.5KW,JZC3501×7.5KW=7.5KW8砂浆机COSφ=0.82。N=0.8380V。3KW,HJ2002×3KW=6KW9振动机COSφ=0.85。N=0.85380V。1.5KW4×1.5KW=6KW10圆盘锯COSφ=0.88。N=0.85380V。3KW,MT-1063×3KW=9KW11电渣压力焊机CZH-36C。380V JC=0.6 1×77KW=77KW12潜水泵COSφ=0.88。N=0.85380V。2.2KW1×2.2KW=2.2KW13生活照明10KW10KW第四章、负荷计算1)供电系统图 4 电源进线 315KVA 变压器 3 干线 低压线至总箱(配电箱) 2 支线至分配电箱 2 2 至其他车间 支线至用电设备2)变压器供电容量2. 1 塔吊pe=2 pe√ jc=2×35=27kw2.2 电焊机pe=Se √ jc⋅cosΦ×2=12×√0.65×0.87×2=17 KW 2.3压力焊机pe=Se √ jc⋅cosΦ×2=12×√0.65×0.87×2=17 KW2.4 对焊机pe=Se √ jc⋅cosΦ×2=100×√0.65×0.78=63KW2.5 除照明外,所有用电设备的总量为:∑ PQ=3+3+8+7.5+6+6+9+22+27...

1、当您付费下载文档后,您只拥有了使用权限,并不意味着购买了版权,文档只能用于自身使用,不得用于其他商业用途(如 [转卖]进行直接盈利或[编辑后售卖]进行间接盈利)。
2、本站所有内容均由合作方或网友上传,本站不对文档的完整性、权威性及其观点立场正确性做任何保证或承诺!文档内容仅供研究参考,付费前请自行鉴别。
3、如文档内容存在违规,或者侵犯商业秘密、侵犯著作权等,请点击“违规举报”。

碎片内容

某公寓临时用水用电工程施工组织设计

您可能关注的文档

确认删除?
VIP
微信客服
  • 扫码咨询
会员Q群
  • 会员专属群点击这里加入QQ群
客服邮箱
回到顶部