电脑桌面
添加小米粒文库到电脑桌面
安装后可以在桌面快捷访问

交通信号灯模拟控制器VIP免费

交通信号灯模拟控制器_第1页
1/7
交通信号灯模拟控制器_第2页
2/7
交通信号灯模拟控制器_第3页
3/7
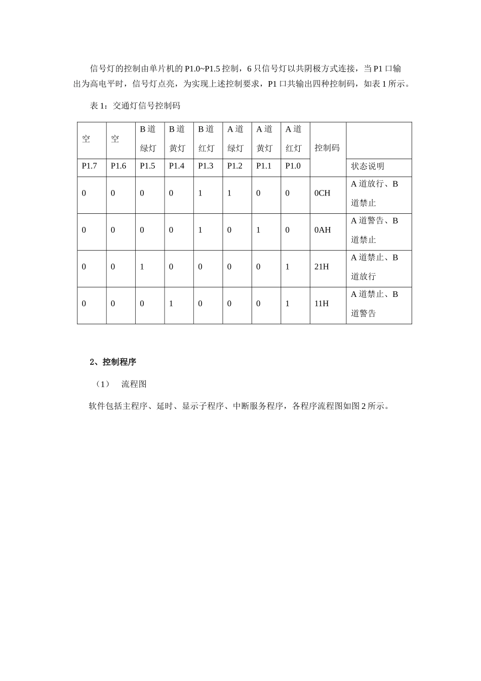
昆明冶金高等专科学校教学教案课题: 编程实例 2教学时数:2 学时教学目的:1、通过交通灯控制的编程掌握单片机的编程方法2、学习中断服务程序的编写方法。重点、难点:中断服务程序的编写。主要教学内容(提纲):一、课题内容二、编程指导三、参考程序教学方法、手段:课堂讲授,学生练习课内外练习将所编程序在实验仪验证.课后小结 北西东南讲授要点一、课题内容编写一程序实现城市“十字”路口正常情况下以及特殊情况和紧急情况下交通信号灯的模拟控制。 1、在十字路口东西南北各设置红、黄、绿三种信号灯,如图 1 所示。正常情况下,东西、南北方向轮流放行。当东西方向(A 线)放行、南北方向(B 线)禁行时,东西方向(A 线)绿灯亮 25 秒,然后黄灯亮 5 秒,南北方向(B 线)红灯亮 30 秒;当南北方向(B 线)放行、东西方向(A 线)禁行时,南北方向(B 线)绿灯亮 25 秒,然后黄灯亮 5 秒,东西方向(A 线)红灯亮 30 秒。如此循环,实现交通灯定时控制。2、有急救车优先通过功能。当有急救车到达时,路口的信号灯全部变红灯,以便急救车通过,急救车的通行时间为 10 秒,急救车过后,交通灯恢复先前状态。3、交通灯在红、绿灯交替点亮中,用两个数码管显示点亮的灯还能持续的时间。 图 1 交通灯布置示意图二、编程指导1、电路图交通灯控制电路的核心元件采用单片机芯片 AT89C51,其内部带有 4KB 的 ROM,无须扩展存储器。信号灯的控制由单片机的 P1.0~P1.5 控制,6 只信号灯以共阴极方式连接,当 P1 口输出为高电平时,信号灯点亮,为实现上述控制要求,P1 口共输出四种控制码,如表 1 所示。表 1:交通灯信号控制码空空B 道绿灯B 道黄灯B 道红灯A 道绿灯A 道黄灯A 道红灯控制码P1.7P1.6P1.5P1.4P1.3P1.2P1.1P1.0状态说明000011000CHA 道放行、B道禁止000010100AHA 道警告、B道禁止0010000121HA 道禁止、B道放行0001000111HA 道禁止、B道警告2、控制程序(1)流程图软件包括主程序、延时、显示子程序、中断服务程序,各程序流程图如图 2 所示。图 2 程序流程图三、参考程序主程序:ORG 2000HMAIN:MOV DPTR,#7F00HMOV A,#0BH;PA、PC 口均为输出MOVX @DPTR,AMAIN:SETB EA;开中断SETB EX0MOV 50H,#1FH;设置时间显示初值MOV P1,#0CH;A 道放行,B 道禁行MOV R7,#19H;延时秒数MAIN1:LCALL DISP;调 1 秒延时、及显示子程序DJNZ R7,MAIN1MOV P1,#0AH;A 道警告...

1、当您付费下载文档后,您只拥有了使用权限,并不意味着购买了版权,文档只能用于自身使用,不得用于其他商业用途(如 [转卖]进行直接盈利或[编辑后售卖]进行间接盈利)。
2、本站所有内容均由合作方或网友上传,本站不对文档的完整性、权威性及其观点立场正确性做任何保证或承诺!文档内容仅供研究参考,付费前请自行鉴别。
3、如文档内容存在违规,或者侵犯商业秘密、侵犯著作权等,请点击“违规举报”。

碎片内容

交通信号灯模拟控制器

书海行舟+ 关注
实名认证
内容提供者

热爱教学事业,对互联网知识分享很感兴趣

确认删除?
VIP
微信客服
  • 扫码咨询
会员Q群
  • 会员专属群点击这里加入QQ群
客服邮箱
回到顶部