电脑桌面
添加小米粒文库到电脑桌面
安装后可以在桌面快捷访问

桩板墙施工方案(DOC31页)VIP免费

桩板墙施工方案(DOC31页)_第1页
1/22
桩板墙施工方案(DOC31页)_第2页
2/22
桩板墙施工方案(DOC31页)_第3页
3/22
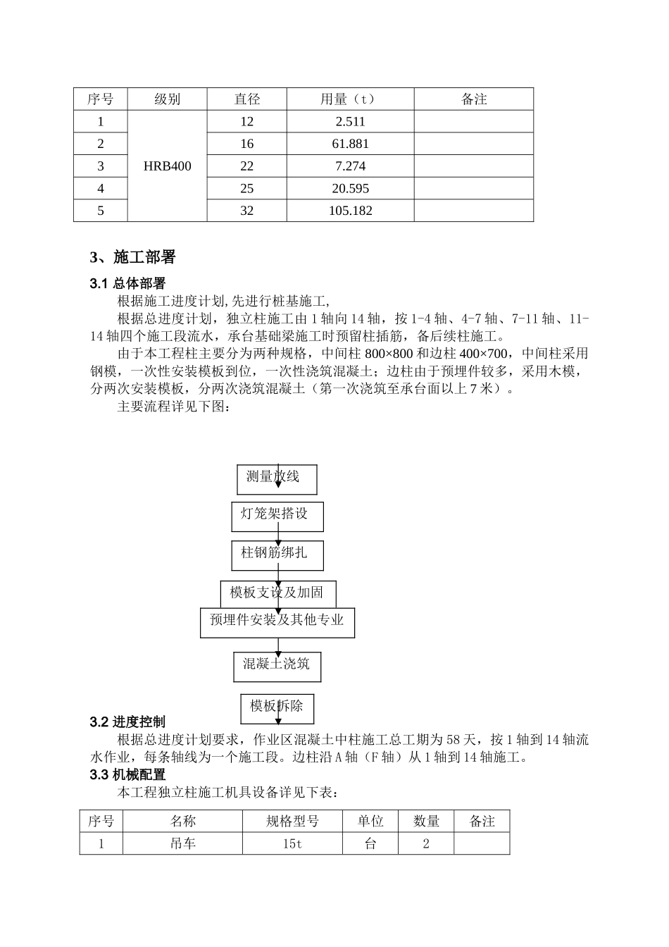
目 录1、编制依据........................................................................................................................12、工程概况........................................................................................................................12.1 主要工程概况...............................................................................................................12.2 主要工程量...................................................................................................................13、施工部署........................................................................................................................23.1 总体部署.......................................................................................................................23.2 进度控制.......................................................................................................................33.3 机械配置.......................................................................................................................33.4 劳动力安排...................................................................................................................44、施工方法........................................................................................................................44.1 准备工作.......................................................................................................................44.2 测量控制.......................................................................................................................44.3 操作架施工...................................................................................................................54.4 钢筋施工.......................................................................................................................64.5 模板施工.......................................................................................................................84.6 混凝...

1、当您付费下载文档后,您只拥有了使用权限,并不意味着购买了版权,文档只能用于自身使用,不得用于其他商业用途(如 [转卖]进行直接盈利或[编辑后售卖]进行间接盈利)。
2、本站所有内容均由合作方或网友上传,本站不对文档的完整性、权威性及其观点立场正确性做任何保证或承诺!文档内容仅供研究参考,付费前请自行鉴别。
3、如文档内容存在违规,或者侵犯商业秘密、侵犯著作权等,请点击“违规举报”。

碎片内容

桩板墙施工方案(DOC31页)

确认删除?
VIP
微信客服
  • 扫码咨询
会员Q群
  • 会员专属群点击这里加入QQ群
客服邮箱
回到顶部