电脑桌面
添加小米粒文库到电脑桌面
安装后可以在桌面快捷访问

河北建筑工程竣工验收资料表格VIP专享VIP免费

河北建筑工程竣工验收资料表格_第1页
1/229
河北建筑工程竣工验收资料表格_第2页
2/229
河北建筑工程竣工验收资料表格_第3页
3/229
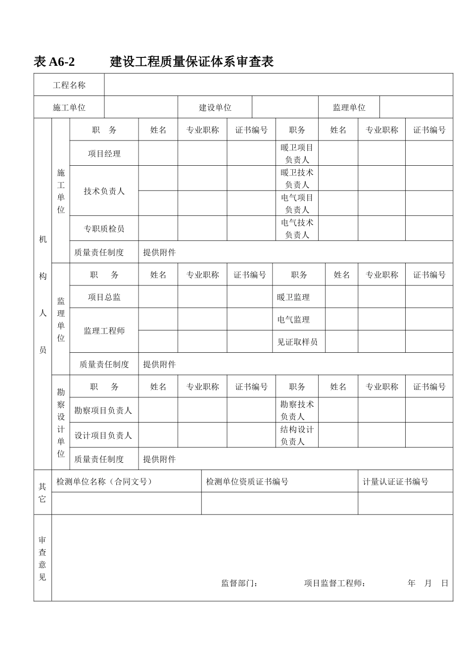
表 A6-1 建设工程质量监督报监备案登记表工程名称工程地点结构层数建设规模结构类型施工承包单位及资质等级施工承包单位项目经理项目经理资质勘察单位及资质等级资质证书号码项目注册岩土工程师资质证书号码监理单位及资质等级总监理工程师资质证书号码设计单位及资质等级项目设计注册建筑师注册登记号码项目设计注册结构师注册登记号码建设单位:法人代表:电 话:项目负责人:电 话:盖 章年 月 日表 A6-2 建设工程质量保证体系审查表工程名称施工单位建设单位监理单位机构人员施工单位职 务姓名专业职称证书编号职务姓名专业职称证书编号项目经理暖卫项目负责人技术负责人暖卫技术负责人电气项目负责人专职质检员电气技术负责人质量责任制度提供附件监理单位职 务姓名专业职称证书编号职务姓名专业职称证书编号项目总监暖卫监理监理工程师电气监理见证取样员质量责任制度提供附件勘察设计单位职 务姓名专业职称证书编号职务姓名专业职称证书编号勘察项目负责人勘察技术负责人设计项目负责人结构设计负责人质量责任制度提供附件其它检测单位名称(合同文号)检测单位资质证书编号计量认证证书编号审查意见监督部门: 项目监督工程师: 年 月 日表 A6-3 见证取样送检见证人授权书 (质量监督机构)经研究决定授权 同志任 工程见证取样和送检见证人。负责对涉及结构安全的试块、试样和材料见证取样和送检,施工单位、试验单位予以认可。见证取样和送检印章见证人签字手迹监理(建设)单位(章)年 月 日表 A6-4 见证取样试验委托单工程名称使用部位委托试验单位委托日期样品名称样品数量产地(生产厂家)代表数量合格证号样品规格试验内容及要求备注取样人见证人表 A6-5 建设工程质量整改通知单质监( )改字第 号 : 你单位 工程,经查存在下列质量问题:处理意见:1、边施工,边整改。2、需对发生问题的部位暂缓施工,进行整改。3、对上述问题处理后重新组织竣工验收。4、以上问题需在 日内整改完毕,报我站复查。 工程质量监督站(章) 签发人:通知单接受人签字: 年 月 日表 A8-1 工程概况表一般情况工程名称建设单位建设用途设计单位建设地点监理单位总建筑面积施工单位开工日期年 月 日竣工日期年 月 日结构类型基础类型层数(地上/地下)建筑檐高地上面积地下室面积人防等级抗震等级构造特征地基与基础柱、内外墙梁板楼盖外墙装饰楼地面装饰屋面防水内墙装饰防火装备机电系统简要描述建设单位...

1、当您付费下载文档后,您只拥有了使用权限,并不意味着购买了版权,文档只能用于自身使用,不得用于其他商业用途(如 [转卖]进行直接盈利或[编辑后售卖]进行间接盈利)。
2、本站所有内容均由合作方或网友上传,本站不对文档的完整性、权威性及其观点立场正确性做任何保证或承诺!文档内容仅供研究参考,付费前请自行鉴别。
3、如文档内容存在违规,或者侵犯商业秘密、侵犯著作权等,请点击“违规举报”。

碎片内容

河北建筑工程竣工验收资料表格

确认删除?
VIP
微信客服
  • 扫码咨询
会员Q群
  • 会员专属群点击这里加入QQ群
客服邮箱
回到顶部