电脑桌面
添加小米粒文库到电脑桌面
安装后可以在桌面快捷访问

第一章 数控系统简介VIP免费

第一章 数控系统简介_第1页
1/27
第一章 数控系统简介_第2页
2/27
第一章 数控系统简介_第3页
3/27
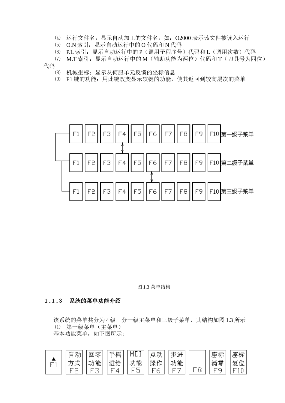
第一章 数控系统介绍本实训室配备有华中Ⅰ型车削、铣削数控系统的模拟软件以及对应的硬加密狗 ,SIENUMENS 810D 铣加工中心数控系统。第一节 华中Ⅰ型车削数控系统华中Ⅰ型车削数控系统是(HCNC—1T)华中理工大学、武汉华中数控系统有限公司研制开发出来的。在保证系统可靠性的基础上,为用户提供了一个简捷、方便的操作平台。1.1.1 CNC 结构CNC 结构如图 1.1 所示:说明:图 1.1 数控教学型车床系统框图① 系统用中文 CRT 显示,具有很好的人——机界面。② 3.5 英寸软盘可用于保存或调入加工程序。③ 通讯接口可用于系统集成化、联网、数据输入、输出、远程诊断等。④ 标准面板包括 CRT/MDI 面板和操作面板。⑤ 系统采用实时多任务的管理方式,能够在加工的同时进行其他操作。1.系统启动步骤⑴ 打开电柜开关⑵ 打开计算机开关⑶ 开始自检并由电子盘引导系统,进入 DOS 或 WINDOWS 工作环境。⑷ 执行 CNC.EXE 文件,系统显示如图 1.2 所示112 系统通电后的屏幕说明⑴ 系统通电后,系统的屏幕显示如图 1.2 所示。⑵ 工作方式:显示系统目前的运行方式,如:自动运行、回零功能、手摇进给、MDI 功能、手动操作、步进功能等。⑶ 运行状态:表示在不同的工作方式下有不同的运行状态,如:自动方式的状态显示:100%(进给修调)、机床锁住、程序单段等回零方式的状态显示:X 轴回零、Z 轴回零手摇功能的状态显示:*10(手摇倍率)、X 轴进给、Z 轴进给等MDI 功能的状态显示:摸态 G00 G90 G20 G99 等点动功能的状态显示:100%(最大速度的百分比)、X 轴进给、Z 轴进给等步进功能的状态显示:*10(步进倍率)、X 轴进给、Z 轴进给等图 1.2 系统上电屏幕显示⑷ 运行文件名:显示自动加工的文件名,如:O2000 表示该文件被读入运行⑸ O.N 索引:显示自动运行中的 O 代码和 N 代码⑹ P.L 索引:显示自动运行中的 P(调用子程序号)代码和 L(调用次数)代码⑺ M.T 索引:显示自动运行中的 M(辅助功能为两位)代码和 T(刀具号为四位)代码⑻ 机械坐标:显示从伺服单元反馈的坐标信息⑼ F1 键的功能:用此键改变显示软键的功能,使其返回到较高层次的菜单1.1.3 系统的菜单功能介绍该系统的菜单共分为 4 级,分一级主菜单和三级子菜单,其结构如图 1.3 所示⑴ 第一级菜单(主菜单)基本功能菜单,如下图所示:图 1.3 菜单结构⑵ 第二级菜单(第一级子菜单)...

1、当您付费下载文档后,您只拥有了使用权限,并不意味着购买了版权,文档只能用于自身使用,不得用于其他商业用途(如 [转卖]进行直接盈利或[编辑后售卖]进行间接盈利)。
2、本站所有内容均由合作方或网友上传,本站不对文档的完整性、权威性及其观点立场正确性做任何保证或承诺!文档内容仅供研究参考,付费前请自行鉴别。
3、如文档内容存在违规,或者侵犯商业秘密、侵犯著作权等,请点击“违规举报”。

碎片内容

第一章 数控系统简介

您可能关注的文档

确认删除?
VIP
微信客服
  • 扫码咨询
会员Q群
  • 会员专属群点击这里加入QQ群
客服邮箱
回到顶部