电脑桌面
添加小米粒文库到电脑桌面
安装后可以在桌面快捷访问

标志标线安全专项施工方案VIP免费

标志标线安全专项施工方案_第1页
1/43
标志标线安全专项施工方案_第2页
2/43
标志标线安全专项施工方案_第3页
3/43
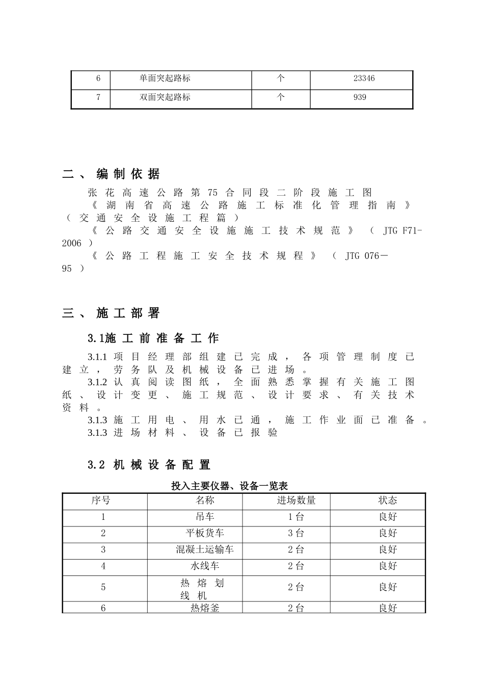
标 志 标 线 工 程 安 全 专 项 施 工方 案一 、 工 程 概 况张花高速75合同段的起止桩号为K68+760 ~K139+760/HK0+000 ~ HK7+880, 起 于 永 顺 县 老 司 城 , 途 经 保靖 县 、 花 垣 县 , 止 于 花 垣 县 排 楼 互 通 , 包 含 六 个互通,两个服务区,一个停车区。合同总金额13697675 元 。主要施工内容为交通标志与标线工程,工程量 见 下 表 :主 要 工 程 数 量 表序号工程项目单位数量一标志1单柱式块4542双柱式块1663单悬臂式块864双悬臂式块75门架式块26附着式块1847公路界碑个8078百米牌块21349垃圾桶个76二标线、突起路标1标线(厚2.0mm±0.2mm)m290253.472减速标线(厚5.0mm±0.5mm)m27780.783振动标线m28800.44立面标记(铝背基反光膜)m24615立面标记(反光涂料)m21346单面突起路标个233467双面突起路标个939二 、 编 制 依 据张 花 高 速 公 路 第 75 合 同 段 二 阶 段 施 工 图《湖南省高速公路施工标准化管理指南》( 交 通 安 全 设 施 工 程 篇 )《 公 路 交 通 安 全 设 施 施 工 技 术 规 范 》 (JTG F71-2006 )《 公 路 工 程 施 工 安 全 技 术 规 程 》 ( JTG 076-95 )三 、 施 工 部 署3.1施 工 前 准 备 工 作3.1.1 项 目 经 理 部 组 建 已 完 成 , 各 项 管 理 制 度 已建 立 , 劳 务 队 及 机 械 设 备 已 进 场 。3.1.2 认 真 阅 读 图 纸 , 全 面 熟 悉 掌 握 有 关 施 工 图纸 、 设 计 变 更 、 施 工 规 范 、 设 计 要 求 、 有 关 技 术资 料 。3.1.3 施 工 用 电 、 用 水 已 通 , 施 工 作 业 面 已 准 备 。3.1.3 进 场 材 料 、 设 备 已 报 验3.2 机 械 设 备 配 置投入主要仪器、设备一览表 序号名称进场数量状态1吊车1 台良好2平板货车3 台良好3混凝土运输车2 台良好4水线车2 台良好5热 熔 划线 机2 台良好6热熔釜2 台良好7全站仪1 台良好8工具车3 台良好9小车1 台良好10塞尺2 把良好11砼试模15 组良好12坍落度筒2 套良好 3.3 人 员 配 置 1 、 投 入 本 项 工 程 主 要 管 理 人 员 情 况主要管理人员一览表 序号姓名担任职务职称备注1袁自能项目经理工程师2周 乐项目总工...

1、当您付费下载文档后,您只拥有了使用权限,并不意味着购买了版权,文档只能用于自身使用,不得用于其他商业用途(如 [转卖]进行直接盈利或[编辑后售卖]进行间接盈利)。
2、本站所有内容均由合作方或网友上传,本站不对文档的完整性、权威性及其观点立场正确性做任何保证或承诺!文档内容仅供研究参考,付费前请自行鉴别。
3、如文档内容存在违规,或者侵犯商业秘密、侵犯著作权等,请点击“违规举报”。

碎片内容

标志标线安全专项施工方案

您可能关注的文档

确认删除?
VIP
微信客服
  • 扫码咨询
会员Q群
  • 会员专属群点击这里加入QQ群
客服邮箱
回到顶部