电脑桌面
添加小米粒文库到电脑桌面
安装后可以在桌面快捷访问

机械传动性能测试和系统方案设计VIP免费

机械传动性能测试和系统方案设计_第1页
1/28
机械传动性能测试和系统方案设计_第2页
2/28
机械传动性能测试和系统方案设计_第3页
3/28
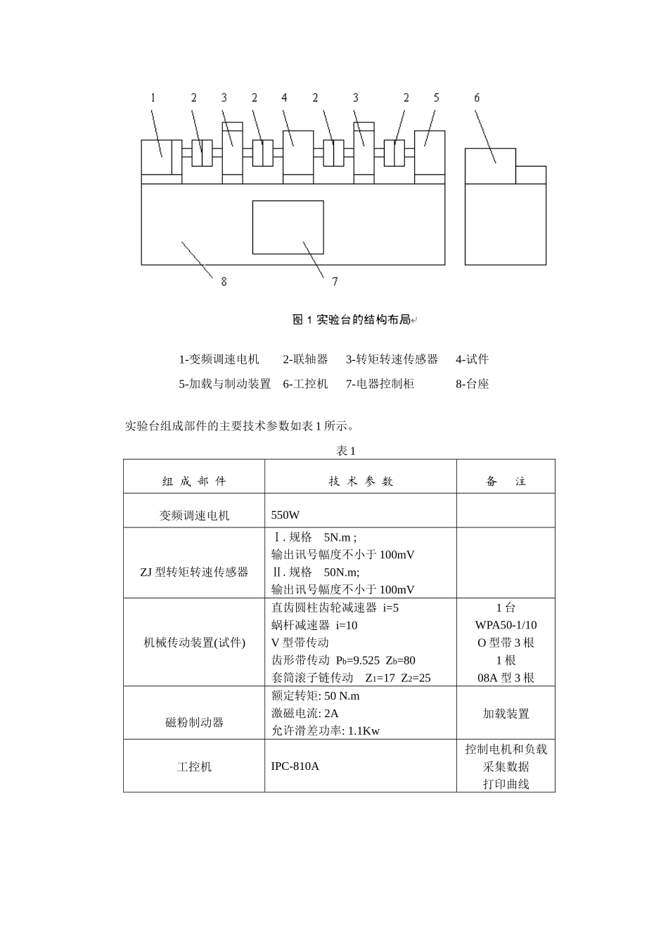
机械传动系统方案设计和性能测试综合实验指导书一、实验目的..........................................................................2二、实验设备介绍..................................................................2三、实验任务..........................................................................4四、实验安排..........................................................................4五、实验台的使用与操作......................................................51.实验台各部分的安装连线..........................................52.实验前的准备及实验操作..........................................6六、测试软件介绍..................................................................81.界面总览......................................................................82.数据操作面板............................................................83.电机控制操作面板....................................................84.下拉菜单....................................................................9附录 1:机械传动方案设计和性能测试综合实验任务卡. 12附录 2:机械传动方案设计和性能测试综合实验方案书. 13附录 3:机械传动方案设计和性能测试综合实验报告.....13附录 4:实验系统各模块展示.............................................14附录5:转矩转速传感器介绍............................................25附录 6: 实验注意事项..........................................................27一、实验目的1.培养学生根据机械传动实验任务,进行自主实验的能力。实验在“机械传动性能综合测试实验台”上进行,实验室提供机械传动装置和测试设备资料,学生根据实验任务自主设计实验方案,写出实验方案书,搭接传动系统进行测试,分析传动系统设计方案,写出实验报告。2.掌握机械传动合理布置的基本要求,机械传动方案设计的一般方法,并利用机械传动综合实验台对机械传动系统组成方案的性能进行测试,分析组成方案的特点;3.通过实验掌握机械传动性能综合测试的工作原理和方法,掌握计算机辅助实验的新方法。4.测试常用机械传动装置(如带传动、链传动、齿轮传动、蜗杆传动等)在传递运动与动力过程中的参数曲线(速度曲线、转矩曲线、传动比曲线、功...

1、当您付费下载文档后,您只拥有了使用权限,并不意味着购买了版权,文档只能用于自身使用,不得用于其他商业用途(如 [转卖]进行直接盈利或[编辑后售卖]进行间接盈利)。
2、本站所有内容均由合作方或网友上传,本站不对文档的完整性、权威性及其观点立场正确性做任何保证或承诺!文档内容仅供研究参考,付费前请自行鉴别。
3、如文档内容存在违规,或者侵犯商业秘密、侵犯著作权等,请点击“违规举报”。

碎片内容

机械传动性能测试和系统方案设计

文泉书屋+ 关注
实名认证
内容提供者

热爱教学事业,对互联网知识分享很感兴趣

确认删除?
VIP
微信客服
  • 扫码咨询
会员Q群
  • 会员专属群点击这里加入QQ群
客服邮箱
回到顶部