电脑桌面
添加小米粒文库到电脑桌面
安装后可以在桌面快捷访问

最新中级电气试题VIP免费

最新中级电气试题_第1页
1/12
最新中级电气试题_第2页
2/12
最新中级电气试题_第3页
3/12
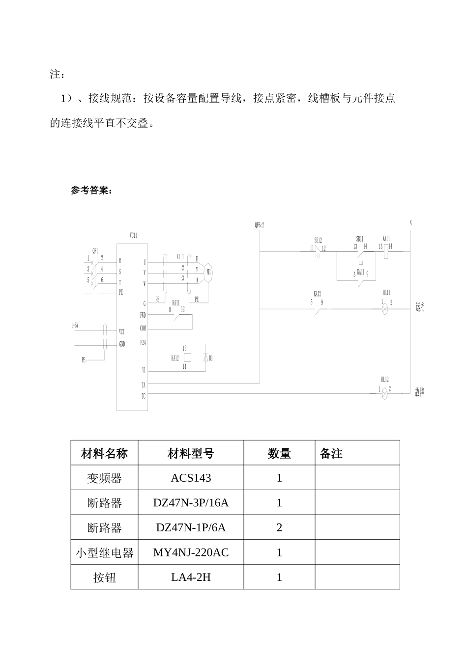
《维修电工中级工》职业技能鉴定(最新)电气控制——试题姓名 车间 一、考核要求:1、 要求:个人作图,根据图纸,在规定的时间内完成控制电路的接线、调试,达到考核题规定的要求。2、 时间:180 分钟二、评分原则:按照完成的工作是否达到了全部或部分要求,由考评员按评分标准进行评分。在规定的时间内考核不得延时。三、考核内容:1、题目名称:安装和调试 ABB 变频器。2、题目内容:1.外部端子启动,电位器调节 10 至 50 赫兹(即电位器最小对应 10 赫兹,最大对应 50 赫兹)。 2.面板实现正反转,运行 40 赫兹。四、考核要求:1、根据作图进行控制电路接线2、能用仪表测量调整和选择元件3、板面导线经线槽敷设,线槽外导线须平直各节点必须紧密4、接电源、电动机及按钮等的导线必须通过接线柱引出,并有保护接地或接零5、装接完毕后,提请监考到位方可通电试车6、能熟练地对电路进行调试7、如遇故障自行排除泰 山 玻 纤 职 业 资 格 鉴 定高 级 操 作 技 能 - 项目评分细则表职 业 ( 工种)维修电工等级中级项目名称电气控制鉴定内容安装和调试 ABB 变频器鉴定时限180 分钟细则号鉴定要求配分分值评 分 细 则考 评 记 录1个人图纸305主电路正确,错一处扣 2 分10辅助电路正确,错一处扣 1 分5电器元件选择合理,错一处扣 2 分10电器元件表示正确清楚,错一处扣 1分2根据图纸进行线路安装2020线路接线规范、步骤完全正确15不符合接线规范 1~2 处10不符合接线规范 3~4 处0线路接线错误或不会接线3通电调试3030通电调试结果完全正确25调试未达到要求,能自行修改,通电后结果基本正确20调试未达到要求,经提示 1 次后能修改,通电结果基本正确15通电调试失败,外部端子启动,电位器调节 10 至 50 赫兹(即电位器最小对应 10 赫兹,最大对应 50 赫兹)计 10分;面板实现正反转,运行 40 赫兹计 5 分3安全生产无事故发生2020安全文明生产,符合操作规程15操作基本规范10经提示后能规范操作0不能文明生产,不符合操作规程注: 1)、接线规范:按设备容量配置导线,接点紧密,线槽板与元件接点的连接线平直不交叠。参考答案:材料名称材料型号数量备注变频器ACS1431断路器DZ47N-3P/16A1断路器DZ47N-1P/6A2小型继电器MY4NJ-220AC1按钮LA4-2H1VC11VCIGND13546QF12RPETS128TATCY1COMP24FWD14KA1213UWGVPEUKA11PEWVM1QF6:2KA125912SB12115 KA11 913SB1114HL1212HL1112KA...

1、当您付费下载文档后,您只拥有了使用权限,并不意味着购买了版权,文档只能用于自身使用,不得用于其他商业用途(如 [转卖]进行直接盈利或[编辑后售卖]进行间接盈利)。
2、本站所有内容均由合作方或网友上传,本站不对文档的完整性、权威性及其观点立场正确性做任何保证或承诺!文档内容仅供研究参考,付费前请自行鉴别。
3、如文档内容存在违规,或者侵犯商业秘密、侵犯著作权等,请点击“违规举报”。

碎片内容

最新中级电气试题

您可能关注的文档

确认删除?
VIP
微信客服
  • 扫码咨询
会员Q群
  • 会员专属群点击这里加入QQ群
客服邮箱
回到顶部