电脑桌面
添加小米粒文库到电脑桌面
安装后可以在桌面快捷访问

热电厂主要能耗指标计算VIP免费

热电厂主要能耗指标计算_第1页
1/7
热电厂主要能耗指标计算_第2页
2/7
热电厂主要能耗指标计算_第3页
3/7
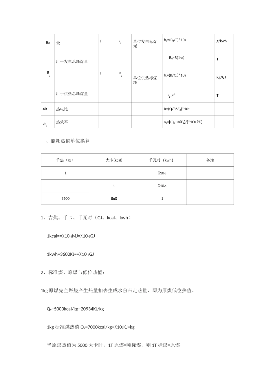
绍兴热电专委会陈耀东、热电厂能耗计算公式符号说明符号名称单位符号名称公式单位1电量E总发电量104kwhE=(Eg+Ez)104kwhEg总供电量104kwhEz总厂用电量104kwhed发电厂用电率Ez=(Ed+Er+Ew)104kwhEd用于发电厂用电量104kwhed=(Ed/E)*102%Erer单位供热厂用电Ed=Ez⑴a)104kwhEw用于供热厂用电量104kwher=(E/Qr)*104kwh/GJ当 Ew=0时,ER=Eza104kwh用于热网和其他厂用电104kwh量2供热量Qr总供热量GJa供热比a=Qr/QhQh用于发电和供热总热量GJ3标煤耗量B用于供热和发电总耗煤Tbg单位供电标煤耗bg=bd/[1-(ed/100)]g/kwhBdBr量用于发电总耗煤量用于供热总耗煤量TTbdbr单位发电标煤耗单位供热标煤耗bd=(Bd/E)*102Bd=B(1-a)br=(B/Qr)*103Br=Bag/kwhTKg/GJT4R热电比R=(Q/36Eg)*1025no热效率n0=[(Qr+36Eg)/]*1O2(%)、能耗热值单位换算千焦(KJ)大卡(kcal)千瓦时(kwh)备注1X10-31X10-3360086011、吉焦、千卡、千瓦时(GJ、kcal、kwh)1kcal==X10-3MJ=X10-6GJ1kwh=3600KJ==X10-3GJ2、标准煤、原煤与低位热值:1kg 原煤完全燃烧产生热量扣去生成水份带走热量,即为原煤低位热值。Qy=5000kcal/kg=20934KJ/kg1kg 标准煤热值 Qy=7000kcal/kg=X103KJ=kg当原煤热值为 5000 大卡时,1T 原煤=吨标煤,则 1T 标煤=原煤3、每 GJ 蒸汽需要多少标煤:br=B/Q=1/Qyn=1/n=n其中:n=nWxng=锅炉效率 x 管道效率当 nw=,ng=时,供热蒸汽标煤耗率 br=X=40kg/GJ当 nW=,ng=时,供热蒸汽标煤耗率 br=x=GJ二、热电厂热电比和总热效率计算绍兴热电专委会骆稽坤一、热电比(R):1、根据 DB33《热电联产能效能耗限额及计算方法》定义:热电比为“统计期内供热量与供电量所表征的热量之比”。R=供热量/供电量 X100%2、根据热、能单位换算表:1kwh=3600KJ(千焦)1 万 kwh=3600X104KJ=36GJ(吉焦)3、统一计量单位后的热电比计算公式为:R=(Qr/EgX36)X100%式中:Qr——供热量 GJEg——供电量万 kwh4、示例:某热电厂当月供电量 634 万 kwh,供热量 16 万 GJ,其热电比为:R=(16X104/634X36)X100%=701%二、综合热效率(n0)1、根据浙江省地方标准 DB33 定义,综合热效率为“统计期内供热量与供电量所表征的热量之和与总标准煤耗量的热量之比”n0=(供热量+供电量)/(供热标煤量+供电标煤量)2、根据热、能单位换算表1 万 kwh=36GJ1kcal=1kg 标煤热值=7000kcal1kg 标煤热值=7X103X=X103KJ=3、统一计量单位后的综合热效率计算公式为n0=[(Qr+36Eg)/(BX)]X100...

1、当您付费下载文档后,您只拥有了使用权限,并不意味着购买了版权,文档只能用于自身使用,不得用于其他商业用途(如 [转卖]进行直接盈利或[编辑后售卖]进行间接盈利)。
2、本站所有内容均由合作方或网友上传,本站不对文档的完整性、权威性及其观点立场正确性做任何保证或承诺!文档内容仅供研究参考,付费前请自行鉴别。
3、如文档内容存在违规,或者侵犯商业秘密、侵犯著作权等,请点击“违规举报”。

碎片内容

热电厂主要能耗指标计算

wxg+ 关注
实名认证
内容提供者

该用户很懒,什么也没介绍

确认删除?
VIP
微信客服
  • 扫码咨询
会员Q群
  • 会员专属群点击这里加入QQ群
客服邮箱
回到顶部