电脑桌面
添加小米粒文库到电脑桌面
安装后可以在桌面快捷访问

完整水电预埋__施工技术交底大全VIP免费

完整水电预埋__施工技术交底大全_第1页
1/9
完整水电预埋__施工技术交底大全_第2页
2/9
完整水电预埋__施工技术交底大全_第3页
3/9
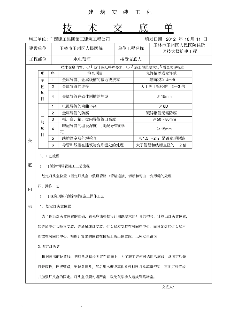
.. .. 建筑安装工程技术交底单施工单位 : 广西建工集团第三建筑工程公司填发日期年月日建设单位玉林市玉州区人民医院单位工程名称玉林市玉州区人民医院住院医技大楼扩建工程部位水电预埋接受交底人交底内容技术交底内容:○1 设计图纸特殊要求,○ 2 施工规范要求○3 质量验评标准现浇顶板内管路敷设工程一、施工准备 ( 一) 现浇顶板内镀锌钢管施工准备1. 作业条件 (1)土建完成顶板、梁支模;(2) 梁钢筋绑扎完毕;(3) 现浇板底层钢筋绑扎完毕,上层钢筋绑扎前。2. 材料要求(1)所有穿线镀锌钢管品牌为天来. (2)所有管材、配件规格型号应符合设计要求;应有相应的质量检验合格证。(3) 外观检查钢管壁厚是否均匀、是否有无劈裂、毛刺砂眼、棱刺和凹扁等缺陷;直管接头、弯管接头外形完好;无翘曲变形等缺陷。(4) 所有铁质盒、开关盒、灯位盒厚度应达到要求均需镀锌;且镀锌后无剥落;无变形脱焊;敲落孔完整无缺;接地孔面板装置孔齐全。3. 主要机具铅笔、钢卷尺、手锤、电锤、锯条、半圆锉、圆锉、扁锉、钢锯、手动弯管器、电钻、角磨机、砂轮切割机、工具袋、电工常用工具等。二、质量要求质量要求符合《建筑电气工程施工质量验收规范》(GB50303-2002) 的规定。下表:交底人:.. .. 建筑安装工程技术交底单施工单位 : 广西建工集团第三建筑工程公司填发日期 2012 年 10 月 11 日建设单位玉林市玉州区人民医院单位工程名称玉林市玉州区人民医院住院医技大楼扩建工程工程部位水电预埋接受交底人交底内容技术交底内容:○1 设计图纸特殊要求,○ 2 施工规范要求○3 质量验评标准项序检查项目允许偏差或允许值主控项目1 金属导管、金属线槽的接地或接零截面积≥ 4mm22 金属导管的连接大于等于管径的2~3 倍4 金属导管在砌体剔槽的埋设≥15mm 一般项目1 电缆导管的弯曲半径≥6D 2 金属导管的防腐镀锌钢管无需防腐3 柜、台、箱、盘内导管管口高度≥50~80mm 4 暗配导管的埋设深度, 明配导管的固定≥15mm 5 线槽固定及外观检查≤1.5 ~2m、是否变形脱漆6 导管和线槽在建筑物变形缝处的处理大于管径和线槽直径的2 倍三、工艺流程 ( 一) 镀锌钢导管施工工艺流程划定灯头盒位置→固定灯头盒→敷设管路→管路连接、切断和弯曲→变形缝的处理四、操作工艺 ( 一) 现浇顶板内镀锌刚管施工操作工艺 1.划定灯头盒位置为了保证灯头盒位置的准确,首先应该根据设计图纸要求的灯具的型号,计算出灯头盒...

1、当您付费下载文档后,您只拥有了使用权限,并不意味着购买了版权,文档只能用于自身使用,不得用于其他商业用途(如 [转卖]进行直接盈利或[编辑后售卖]进行间接盈利)。
2、本站所有内容均由合作方或网友上传,本站不对文档的完整性、权威性及其观点立场正确性做任何保证或承诺!文档内容仅供研究参考,付费前请自行鉴别。
3、如文档内容存在违规,或者侵犯商业秘密、侵犯著作权等,请点击“违规举报”。

碎片内容

完整水电预埋__施工技术交底大全

您可能关注的文档

确认删除?
VIP
微信客服
  • 扫码咨询
会员Q群
  • 会员专属群点击这里加入QQ群
客服邮箱
回到顶部