电脑桌面
添加小米粒文库到电脑桌面
安装后可以在桌面快捷访问

(钢梯)检验批质量检验记录表VIP免费

(钢梯)检验批质量检验记录表_第1页
1/6
(钢梯)检验批质量检验记录表_第2页
2/6
(钢梯)检验批质量检验记录表_第3页
3/6
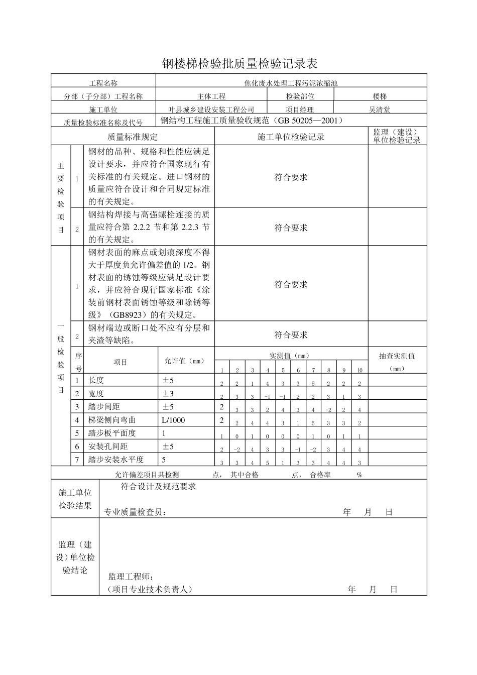
钢 楼 梯 安 装 检 验 批 质 量 检 验 记 录 表 工 程 名 称 焦 化 废 水 处 理 工 程 生 化 沉 淀 池 分 部 ( 子 分 部 ) 工 程 名 称 主 体 工 程 检 验 部 位 楼 梯 施 工 单 位 ****建 设 安 装 工 程 公 司 项 目 经 理 **** 质 量 检 验 标 准 名 称 及 代 号 钢 结 构 工 程 施 工 质 量 验 收 规 范 ( GB 50205— 2001) 质 量 标 准 规 定 施 工 单 位 检 验 记 录 监 理 ( 建 设 )单 位 检 验 记 录 主要 检验项目 1 钢 材 的 品 种 、 规 格 和 性 能 应 满 足设 计 要 求 , 并 应 符 合 国 家 现 行 有关 标 准 的 有 关 规 定 。 进 口 钢 材 的质 量 应 符 合 设 计 和 合 同 规 定 标 准的 有 关 规 定 。 符 合 要 求 2 钢 结 构 焊 接 与 高 强 螺 栓 连 接 的 质量 应 符 合 第2.2.2 节 和 第2.2.3 节的 有 关 规 定 。 符 合 要 求 一般检验项目 1 钢 材 表 面 的 麻 点 或 划 痕 深 度 不 得大 于 厚 度 负 允 许 偏 差 值 的 1/2。 钢材 表 面 的 锈 蚀 等 级 应 满 足 设 计 要求 , 并 应 符 合 现 行 国 家 标 准 《 涂装 前 钢 材 表 面 锈 蚀 等 级 和 除 锈 等级 》 ( GB8923) 的 有 关 规 定 。 符 合 要 求 2 钢 材 端 边 或 断口 处 不 应 有 分 层和夹渣等 缺陷。 符 合 要 求 序号 项 目 允 许 值 ( mm) 实测值 ( mm) 抽查实测值( mm) 1 2 3 4 5 6 7 8 9 10 1 长度 ±5 2 1 1 3 5 4 -2 5 4 4 2 宽度 ±3 2 2 -1 3 3 1 1 -2 1 3 3 踏步间距 ±5 2 2 4 1 1 3 5 -2 -2 4 4 梯 梁侧向弯曲 L/1000 2 2 4 3 3 1 1 4 2 2 5 踏步板平面 度 1 1 1 1 0 0 1 1 0 0 1 6 安 装 孔间距 ±5 2 2 4 -1 3 5 -2 3 3 5 7 踏步安 装 水 平度 5 2 3 3 5 1 1 3 3 4 2 允 许 偏 差 项 目 共检 测 点 , 其中合 格 点 , 合 格 率 % 施 工 单 位 检 验 结 果 符 合 设 计 及 规 范 要 求 专业 质 量 检 查员 ...

1、当您付费下载文档后,您只拥有了使用权限,并不意味着购买了版权,文档只能用于自身使用,不得用于其他商业用途(如 [转卖]进行直接盈利或[编辑后售卖]进行间接盈利)。
2、本站所有内容均由合作方或网友上传,本站不对文档的完整性、权威性及其观点立场正确性做任何保证或承诺!文档内容仅供研究参考,付费前请自行鉴别。
3、如文档内容存在违规,或者侵犯商业秘密、侵犯著作权等,请点击“违规举报”。

碎片内容

(钢梯)检验批质量检验记录表

确认删除?
VIP
微信客服
  • 扫码咨询
会员Q群
  • 会员专属群点击这里加入QQ群
客服邮箱
回到顶部