电脑桌面
添加小米粒文库到电脑桌面
安装后可以在桌面快捷访问

光纤激光器用掺镱光纤VIP免费

光纤激光器用掺镱光纤_第1页
1/7
光纤激光器用掺镱光纤_第2页
2/7
光纤激光器用掺镱光纤_第3页
3/7
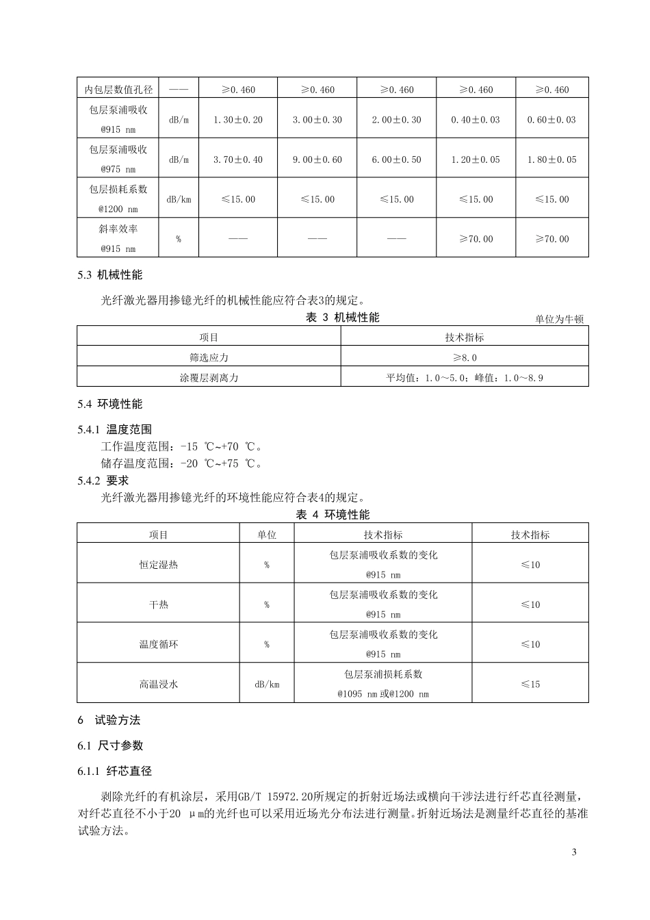
1 光纤激光器用掺镱光纤 1 范围 本标准规定了光纤激光器用掺镱光纤的分类和型号、结构与尺寸参数、光学性能、机械性能、环境性能等要求、试验方法、检验规则、包装、标志、运输和贮存等。 本标准适用于光纤激光器中使用的掺镱光纤。 2 规范性引用文件 下列文件对于本文件的应用是必不可少的。凡是注日期的引用文件,仅注日期的版本适用于本文件。凡是不注日期的引用文件,其最新版本(包括所有的修改单)适用于本文件。 GB/T 15972.20 光纤试验方法规范第20 部分:尺寸参数的测量方法和试验程序——光纤几何参数(GB/T 15972.20-2008,IEC 60793-1-20:2001,MOD) GB/T 15972.21 光纤试验方法规范 第21 部分:尺寸参数的测量方法和试验程序——涂覆层几何参数(GB/T 15972.21-2008,IEC 60793-1-21:2001,MOD) GB/T 15972.30 光纤试验方法规范 第30 部分:机械性能的测量方法和试验程序——光纤筛选试验(GB/T 15972.30-2008,IEC 60793-1-30:2001,MOD) GB/T 15972.32 光纤试验方法规范 第32 部分:机械性能的测量方法和试验程序——涂覆层可剥性(GB/T 15972.32-2008,IEC 60793-1-32:2001,MOD) GB/T 15972.43 光纤试验方法规范 第43 部分:传输特性和光学特性的测量方法和试验程序——数值孔径(GB/T 15972.43-2008,IEC 60793-1-43:2001,MOD) GB/T 15972.50 光纤试验方法规范 第50 部分:环境性能和光学特性的测量方法和试验程序——恒定湿热(GB/T 15972.50-2008,IEC 60793-1-50:2001,MOD) GB/T 15972.51 光纤试验方法规范 第51 部分:环境性能和光学特性的测量方法和试验程序——干热(GB/T 15972.51-2008,IEC 60793-1-51:2001,MOD) GB/T 15972.52 光纤试验方法规范 第52 部分:环境性能和光学特性的测量方法和试验程序——温度循环(GB/T 15972.52-2008,IEC 60793-1-52:2001,MOD) GB/T 28504.1-2012 掺稀土光纤 第1 部分:双包层掺镱光纤特性 3 术语和定义 GB/T 28504.1-2012 中界定的以及下列术语和定义适用于本标准。 3.1 内包层标称直径 Inner-cladding diameter 多边形内包层内与相邻三条边相切的拟合圆直径的平均值。 4 分类和型号 4.1 分类 本标准规定的光纤激光器用掺镱光纤按照纤芯和内包层标称直径进行分类: a) 纤芯标称直径10 μm,内包层标称直径130 μm; b) 纤芯标称直径20 μm,内包层标称直径130 μm; c) 纤芯标称直径30 μm,内包层标称直...

1、当您付费下载文档后,您只拥有了使用权限,并不意味着购买了版权,文档只能用于自身使用,不得用于其他商业用途(如 [转卖]进行直接盈利或[编辑后售卖]进行间接盈利)。
2、本站所有内容均由合作方或网友上传,本站不对文档的完整性、权威性及其观点立场正确性做任何保证或承诺!文档内容仅供研究参考,付费前请自行鉴别。
3、如文档内容存在违规,或者侵犯商业秘密、侵犯著作权等,请点击“违规举报”。

碎片内容

光纤激光器用掺镱光纤

确认删除?
VIP
微信客服
  • 扫码咨询
会员Q群
  • 会员专属群点击这里加入QQ群
客服邮箱
回到顶部