电脑桌面
添加小米粒文库到电脑桌面
安装后可以在桌面快捷访问

完整版10kV真空断路器技术参数VIP免费

完整版10kV真空断路器技术参数_第1页
1/13
完整版10kV真空断路器技术参数_第2页
2/13
完整版10kV真空断路器技术参数_第3页
3/13
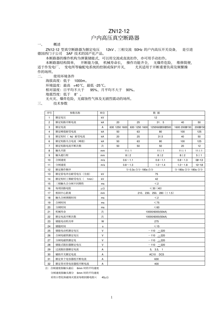
目 录高压真空 断路器ZN12-12 型户内高压真空断路器⋯⋯⋯⋯⋯⋯⋯⋯⋯⋯⋯⋯⋯⋯⋯ZN12-40.5 型户内高压真空断路器⋯⋯⋯⋯⋯⋯⋯⋯⋯⋯⋯⋯⋯⋯⋯ZN65-12 型户内高压真空断路器⋯⋯⋯⋯⋯⋯⋯⋯⋯⋯⋯⋯⋯⋯⋯VS1-12 型户内高压真空断路器⋯⋯⋯⋯⋯⋯⋯⋯⋯⋯⋯⋯⋯⋯⋯⋯ZN28-12 型户内高压真空断路器⋯⋯⋯⋯⋯⋯⋯⋯⋯⋯⋯⋯⋯⋯⋯ZN28A-12 型户内高压真空断路器⋯⋯⋯⋯⋯⋯⋯⋯⋯⋯⋯⋯⋯⋯⋯ZW32-12 型户外高压真空断路器⋯⋯⋯⋯⋯⋯⋯⋯⋯⋯⋯⋯⋯⋯⋯1ZN12-12 户内高压真空断路器一、概述ZN12-12 型真空断路器为额定电压12kV 、三相交流 50Hz 的户内高压开关设备,是引进德国西门子公司3AF 技术的国产化产品。本断路器的操作机构为弹簧储能式,可以用交流或直流扣作,亦可用手动扣作。本断路器结构简单,开断能力强, 机械寿命长, 操作功能齐全, 无爆炸危险, 维修简便,适于作发电厂、 变电所等输配电系统的控制或保护开关,尤其适用于开断重要负荷及频繁操作的场所。二、使用环境条件海拔高度:低于1000m。环境温度:最高+40℃,最低 -25℃。相对湿度:日平均不大于95%,月平均不大于90%。地震烈度:低于8° 。无火灾、爆炸危险,无腐蚀性气体及无剧烈震动的场所。三、技术参数序号参数名称单位数 据1 额定电压kV 12 2 额定短路开断电流kA 20 25 31.5 40 50 3 额定电流A 630 1250 1600630 1250 16001250 1600 2000 2500 1600 2000 31502000 31504 额定峰值耐受电流kA 50 63 80 100 125 5 额定短时( 4s)耐受电流kA 20 25 31.5 40 50 6 额定短路关合电流(峰值)kA 50 63 80 100 125 7 额定短路电流开断次数次50 50 50 20 12 8 触头开距mm 11± 1 11±1 11± 1 11±1 9 触头超行程mm 8±2 8±2 8±2 5±1 10 合闸速度m/s 0.6~1.1 0.6~1.1 0.8~1.3 0.8~1.311 分闸速度m/s 0.8~1.3 1.0~1.4 1.0~1.8 1.0~1.812 额定操作顺序分-0.3s-合分 -180s-合分分-180s-合分 -180s-合分13 额定雷电冲击耐受电压(全波)kV 75 14 额定短时工频耐受电压(1min)kV 42 15 三相触头合分闸不同期性ms ≤2 16 每项回路电阻μΩ≤ 30(40)17 相间中心距离mm 210、230、250、280(± 1.5)18 触头合闸弹跳时间ms ≤2 19 合闸时间ms ≤75 20 分闸时间ms ≤60 21 机械寿命次10000/6000(50kA) 22 额定电流开断...

1、当您付费下载文档后,您只拥有了使用权限,并不意味着购买了版权,文档只能用于自身使用,不得用于其他商业用途(如 [转卖]进行直接盈利或[编辑后售卖]进行间接盈利)。
2、本站所有内容均由合作方或网友上传,本站不对文档的完整性、权威性及其观点立场正确性做任何保证或承诺!文档内容仅供研究参考,付费前请自行鉴别。
3、如文档内容存在违规,或者侵犯商业秘密、侵犯著作权等,请点击“违规举报”。

碎片内容

完整版10kV真空断路器技术参数

文库响当当+ 关注
实名认证
内容提供者

该用户很懒,什么也没介绍

确认删除?
VIP
微信客服
  • 扫码咨询
会员Q群
  • 会员专属群点击这里加入QQ群
客服邮箱
回到顶部