电脑桌面
添加小米粒文库到电脑桌面
安装后可以在桌面快捷访问

完整版PDCA项目改善报告书VIP免费

完整版PDCA项目改善报告书_第1页
1/4
完整版PDCA项目改善报告书_第2页
2/4
完整版PDCA项目改善报告书_第3页
3/4
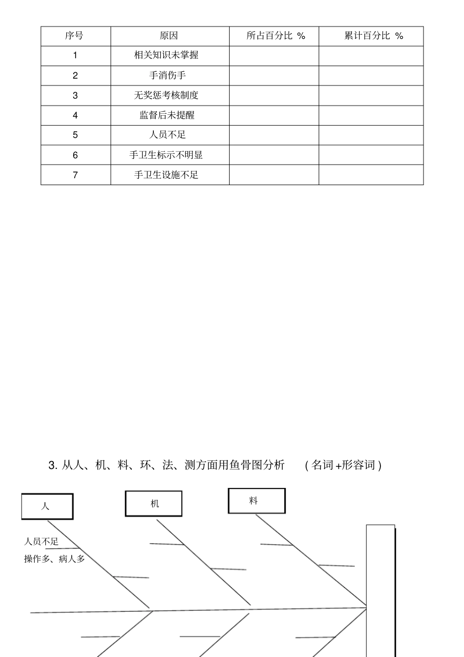
护理项目改善报告书一、项目申报名称:提高门诊美容医护人员手卫生依从性二、项目小组成员:成员姓名科室第一学历专科工作年限职称 / 职务项目分工组长周红琼美容科中专23 主管护师检查实施副组长田方兴美容科指导解疑组员董洁美容科确定要因组员文汉东美容科对策实施组员王圣早美容科对策实施组员徐艳美容科中专15 护师组织活动组员赵璐美容科中专8 护士效果确认组员李维美容科大专5 护师报告制作组员刘杜娟美容科本科护师数据收集组员刘贝美容科大专护师指定巩固措施三、计划阶段(P)(一)相关定义1、手卫生 : 为洗手、卫生手消毒和外科手消毒的总称。2、洗手:洗手是指医务人员用肥皂或者皂液和流动水洗手,去除手部皮肤污垢、碎屑和部分致病菌的过程。3、卫生手消毒:指医务人员用速干手消毒剂搓双手,以减少手部暂居菌的过程。4、外科手消毒:外科手术前医务人员用肥皂(皂液)和流动水洗手,再用手消毒剂清除或杀灭手部暂居菌和减少常居菌的过程。 5 、依从性:也称顺从性、顺应性, 指医务人员按规定进行洗手。(二)查检表(见附表1)(三)分析1. 存在问题主次因素分析表及帕累托图3. 从人、机、料、环、法、测方面用鱼骨图分析( 名词 +形容词 ) 人员不足操作多、病人多序号原因所占百分比 % 累计百分比 % 1 相关知识未掌握2 手消伤手3 无奖惩考核制度4 监督后未提醒5 人员不足6 手卫生标示不明显7 手卫生设施不足机人料(四)制定措施(提出计划)四、实施阶段(D)实施阶段用 PDCA循环法,措施有计划、有实施、有对比、有改进时间P(计划)D(实施: 时间、 责任人、图片)C(附查检表)A(改进、下一步计划)7 月8 月9 月10 月11 月12 月五、检查阶段(C)(项目总体改善前中后效果进行对比)六、改进阶段(A)(一)标准化(上交护理质量安全委员会)(二)进入下一个PDCA附表 1 手卫生依从性观察表医院名称:科室 /病房 : 日期 : 年月日阶段编号 : 开始 /结束时间 : : / : 观察持续时间: 观察者 : 专业类:专业类:专业类:法测环编码 :编码 :编码 :人数:人数:人数:时机手卫生指征手卫生措施手卫生是否正确时机手卫生指征手卫生措施手卫生是否正确时机手卫生指征手卫生措施手卫生是否正确1 □ 接触病人前□ 无菌操作前□ 接触体液后□ 接触病人后□ 接触环境后□ 擦手□ 洗手未采取gloves□是□否1 □ 接触病人前□ 无菌操作前□ 接触体液后□ 接触...

1、当您付费下载文档后,您只拥有了使用权限,并不意味着购买了版权,文档只能用于自身使用,不得用于其他商业用途(如 [转卖]进行直接盈利或[编辑后售卖]进行间接盈利)。
2、本站所有内容均由合作方或网友上传,本站不对文档的完整性、权威性及其观点立场正确性做任何保证或承诺!文档内容仅供研究参考,付费前请自行鉴别。
3、如文档内容存在违规,或者侵犯商业秘密、侵犯著作权等,请点击“违规举报”。

碎片内容

完整版PDCA项目改善报告书

您可能关注的文档

确认删除?
VIP
微信客服
  • 扫码咨询
会员Q群
  • 会员专属群点击这里加入QQ群
客服邮箱
回到顶部