电脑桌面
添加小米粒文库到电脑桌面
安装后可以在桌面快捷访问

国网电流互感器资质文件VIP免费

国网电流互感器资质文件_第1页
1/11
国网电流互感器资质文件_第2页
2/11
国网电流互感器资质文件_第3页
3/11
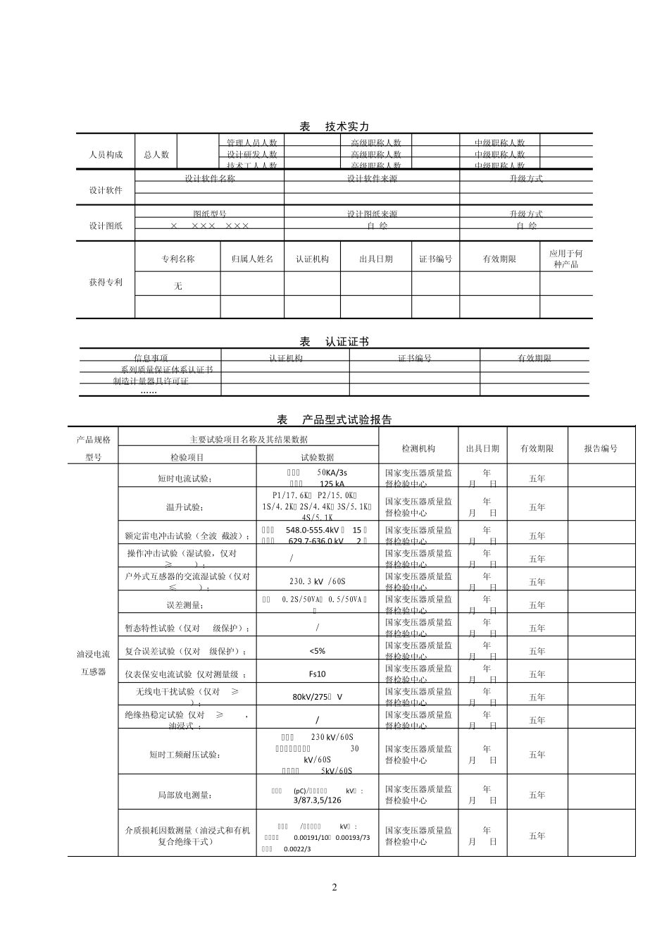
国家电网公司集中招标采购 第三章 应答文件格式 国家电网公司集中招标采购 供应商资质业绩信息核实 应答文件 (2011) 1 目 录 一、应答函 二、法定代表人身份证明 三、授权委托书 四、供应商资质业绩核实应答文件 五、业绩信息汇总表 六、型式试验报告汇总表 七、供应商资质业绩核实应答文件信息数据支持证明文件 八、其他材料 2 表3 技术实力 人员构成 总人数 管理人员人数 高级职称人数 中级职称人数 设计研发人数 高级职称人数 中级职称人数 技术工人人数 高级职称人数 中级职称人数 设计软件 设计软件名称 设计软件来源 升级方式 Autocad 设计图纸 图纸型号 设计图纸来源 升级方式 ×HT.×××. ××× 自 绘 自 绘 获得专利 专利名称 归属人姓名 认证机构 出具日期 证书编号 有效期限 应用于何种产品 无 表4 认证证书 信息事项 认证机构 证书编号 有效期限 ISO9000系列质量保证体系认证书 制造计量器具许可证 „„. 表5 产品型式试验报告 产品规格型号 主要试验项目名称及其结果数据 检测机构 出具日期 有效期限 报告编号 检验项目 试验数据 LVB-110W2 油浸电流互感器 短时电流试验; 热稳定50KA/3s 动稳定125 kA 国家变压器质量监督检验中心 2008年05月 16日 五年 CTQC/H-08.019 温升试验; P1/17.6K, P2/15.0K,1S/4.2K,2S/4.4K,3S/5.1K,4S/5.1K 国家变压器质量监督检验中心 2008年05月 16日 五年 CTQC/H-08.019 额定雷电冲击试验(全波/截波); 全波:548.0-555.4kV 各 15 次 截波:629.7-636.0 kV 2 次 国家变压器质量监督检验中心 2008年05月 16日 五年 CTQC/H-08.019 操作冲击试验(湿试验,仅对 Um≥363kV); / 国家变压器质量监督检验中心 2008年05月 16日 五年 CTQC/H-08.019 户外式互感器的交流湿试验(仅对Um≤252kV); 230.3 kV /60S 国家变压器质量监督检验中心 2008年05月 16日 五年 CTQC/H-08.019 误差测量; 满足0.2S/50VA, 0.5/50VA 要求 国家变压器质量监督检验中心 2008年05月 16日 五年 CTQC/H-08.019 暂态特性试验(仅对 TP级保护); / 国家变压器质量监督检验中心 2008年05月 16日 五年 CTQC/H-08.019 复合误差试验(仅对 P级保护); <5% 国家变压器质量监督检验中心 2008年05月 16日 五年 CTQC/H-08.019 仪表保安电流试验(仅对测量级); Fs10 ...

1、当您付费下载文档后,您只拥有了使用权限,并不意味着购买了版权,文档只能用于自身使用,不得用于其他商业用途(如 [转卖]进行直接盈利或[编辑后售卖]进行间接盈利)。
2、本站所有内容均由合作方或网友上传,本站不对文档的完整性、权威性及其观点立场正确性做任何保证或承诺!文档内容仅供研究参考,付费前请自行鉴别。
3、如文档内容存在违规,或者侵犯商业秘密、侵犯著作权等,请点击“违规举报”。

碎片内容

国网电流互感器资质文件

小辰+ 关注
实名认证
内容提供者

出售各种文档和资料

确认删除?
VIP
微信客服
  • 扫码咨询
会员Q群
  • 会员专属群点击这里加入QQ群
客服邮箱
回到顶部