电脑桌面
添加小米粒文库到电脑桌面
安装后可以在桌面快捷访问

完整版地下室防水施工质量控制_QC成果报告VIP免费

完整版地下室防水施工质量控制_QC成果报告_第1页
1/8
完整版地下室防水施工质量控制_QC成果报告_第2页
2/8
完整版地下室防水施工质量控制_QC成果报告_第3页
3/8
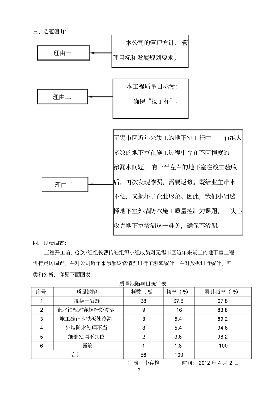
QC 成 果 报 告课题名称:地下室防水施工质量控制类型:技术攻关型发表单位:中太建设集团股份有限公司小组名称:无锡锡东科技产业园聚智创富中心QC小组发 表 人 : 马 素 瑞二 0 一三年三月- 1 - 一、工程概况:本工程名称为:聚智创富中心工程,位于:无锡市锡山区安镇东盛一路与纬四路交汇处,工程由无锡科技产业园股份有限公司投资兴建,由江苏泛亚联合建筑设计有限公司设计,由江苏赛华建设监理有限限公司监理,由中太建设集团承建,本工程共分为3个单体及 1 个整体地下室,分别为聚智创富高层,楼层为24 层,其中裙房为3 层;企业孵化 A 和企业孵化 B 栋分别为 5 层 6 层。本工程± 0.000 米相当于黄海高程4.700 米,总建筑面积 85000 ㎡,其中地上 60000 ㎡,地下 25000㎡。建筑物桩承地基采用钻孔灌注桩基础,建筑物结构基础采用整体筏板基础形式,主要功能为停车库及设备用房;主楼办公楼建筑高度99.5 米,框架筒体结构;裙房建筑高度为14.95 米,框架抗震墙结构。地下室按六度人防设计。本工程设计使用年限为50 年,建筑安全等级为二级,地基基础设计等级为高层为甲级A、B 栋为乙级,桩基安全等级为二级。本工程目标定为:确保“扬子杯”。二、小组简介小组名称无锡锡东科技产业园聚智创富中心QC小组课题地下室防水施工质量控制注册号ZT/锡-1-2012 注册时间2012.4.25 课题类型攻关型培训学习小组成员均接受过TQC学习培训学习课时80 学时序号姓 名性别职 称职 务组内职务接受教育课时1 曹传皓男工程师项 目 经理组长80 2 李存检男工程师技术负责人副组长80 3 胡义男工程师质量负责人组员80 4 柴斌男助理工程师施工员组员80 5 马素瑞男助理工程师质量员组员80 6 王勋吉男助理工程师资料员组员80 7 冯春利男技术员材料员组员80 制表人:李存检制表时间: 2012 年 4 月 28 日- 2 - 理由一本公司的管理方针、 管理目标和发展规划要求。理由二本工程质量目标为:确保“扬子杯”。理由三无锡市区近年来竣工的地下室工程中,有绝大多数的地下室在施工过程中存在不同程度的渗漏水问题, 有一半左右的地下室在竣工验收后,再次发现渗漏,需要返修。既给业主带来不便,又损坏了企业形象。因此,我们小组选择地下室外墙防水施工质量控制为课题,决心攻克地下室渗漏这一难关,确保不渗漏。三、选题理由:四、现状调查:工程开工前,QC小组组长曹传皓组织小组成员对无锡市区...

1、当您付费下载文档后,您只拥有了使用权限,并不意味着购买了版权,文档只能用于自身使用,不得用于其他商业用途(如 [转卖]进行直接盈利或[编辑后售卖]进行间接盈利)。
2、本站所有内容均由合作方或网友上传,本站不对文档的完整性、权威性及其观点立场正确性做任何保证或承诺!文档内容仅供研究参考,付费前请自行鉴别。
3、如文档内容存在违规,或者侵犯商业秘密、侵犯著作权等,请点击“违规举报”。

碎片内容

完整版地下室防水施工质量控制_QC成果报告

您可能关注的文档

文库响当当+ 关注
实名认证
内容提供者

该用户很懒,什么也没介绍

确认删除?
VIP
微信客服
  • 扫码咨询
会员Q群
  • 会员专属群点击这里加入QQ群
客服邮箱
回到顶部