电脑桌面
添加小米粒文库到电脑桌面
安装后可以在桌面快捷访问

完整版暖通空调施工设计说明一二VIP免费

完整版暖通空调施工设计说明一二_第1页
1/14
完整版暖通空调施工设计说明一二_第2页
2/14
完整版暖通空调施工设计说明一二_第3页
3/14
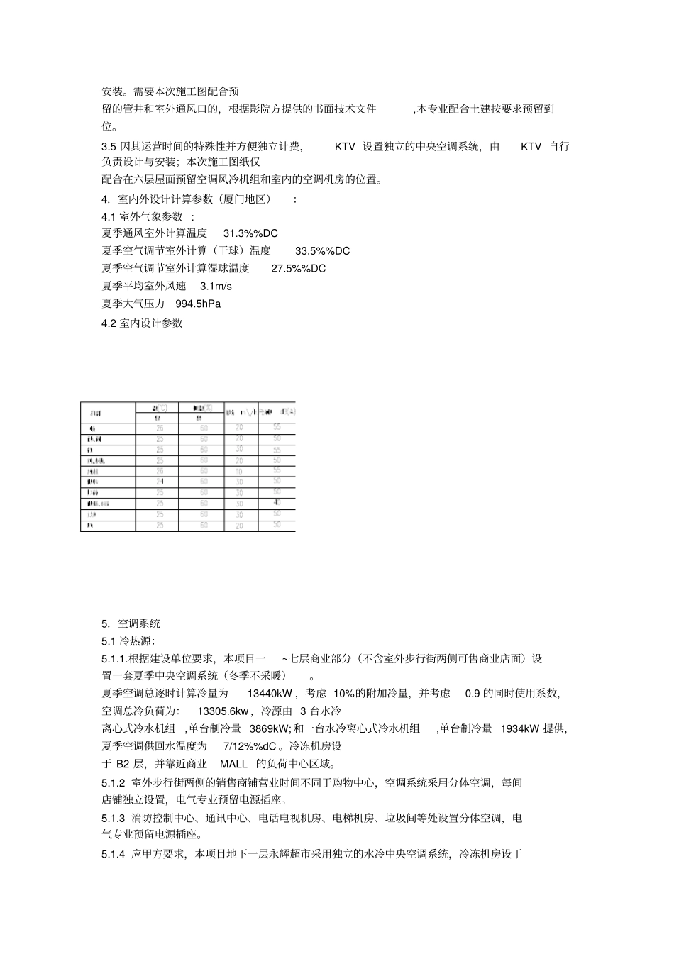
暖通空调施工设计说明(一)1.设计依据:1.1《采暖通风与空气调节设计规范》GB50019-2003 1.2《民用建筑供暖通风与空气调节设计规范》GB50736-2012 1.3《高层民用建筑设计防火规范》GB50045-95 (2005 1.4《建筑设计防火规范》GB50016-2006 1.5《汽车库、修车库、停车场设计防火规范》GB50067-97 1.6《公共建筑节能设计标准》GB50189-2005 1.7《中华人民共和国工程建设标准强制性条文》2009 1.8《通风管道技术规程》JGJ141-2004 1.9《通风与空调工程施工质量验收规范》GB50243-2002 1.10 建筑和有关工种提供的作业图和有关资料1.11 建设单位提供的本工程有关资料和设计任务书1.12 国家现行的其它规范、标准、规程、规定及图集1.13 方案及扩初设计审批意见及甲方内部自审意见1.14《福建省高层建筑防火设计指导意见》1.15《关于明确建筑防火设计审核有关问题的通知(172 号文件)》1.16《石狮泰禾广场(二期)消防性能化设计报告(第5 版)》1.17《石狮泰禾广场(二期)消防性能化设计评估复核报告(第5 版)》1.18 闽公消网 [2014]142号文件的附件《石狮泰禾广场(二期 )建设工程消防设计专家评审会纪要》1.19 关于同意石狮泰禾广场(二期)建设工程采用消防性能化设计评估的批复(闽公消网[2014]62 号文件)2.工程概况:2.1.工程名称 :石狮泰禾广场(二期)2.2 工程地点 :石狮市宝岛路南侧长福段,南向为市府南路, 北临宝岛中路, 东西向均为规划路。2.3 建设单位:石狮泰禾广场投资有限公司2.4 建筑规模与功能:本工程名称石狮泰禾广场(二期) ,二期 10#楼 1~7 层为商业综合体,地下一层局部为车库,局部为超市,地下超市与下沉式店面通过下沉式广场或防火隔间相连,地下二层为机动车库及设备间。本次设计内容为 10#上部。3.设计范围:3.1 本设计范围包括10#楼的空调、通风及防排烟 (本说明仅适用于10#楼上部通风及防排烟,10#楼上部及地下一层永辉超市空调系统。地下室通风及防排烟说明详工程编号1311-D2 施工图 N-01 的 V2.0 版)。3.2 地下一层永辉超市特殊区域如生鲜、熟食、面包房等的通风与排气系统,均由永辉自行设计与安装;本次施工图纸仅按超市提供的职责清单的要求配合预留所需的竖井。3.3 六层、七层影院的中央空调系统,由影院自行负责设计与安装;本次施工图纸仅配合在六层屋面预留空调风冷机组的位置。3.4 影院的特殊通风系统,如放映室设备的通风,由影院根据自身的设备要求,...

1、当您付费下载文档后,您只拥有了使用权限,并不意味着购买了版权,文档只能用于自身使用,不得用于其他商业用途(如 [转卖]进行直接盈利或[编辑后售卖]进行间接盈利)。
2、本站所有内容均由合作方或网友上传,本站不对文档的完整性、权威性及其观点立场正确性做任何保证或承诺!文档内容仅供研究参考,付费前请自行鉴别。
3、如文档内容存在违规,或者侵犯商业秘密、侵犯著作权等,请点击“违规举报”。

碎片内容

完整版暖通空调施工设计说明一二

您可能关注的文档

确认删除?
VIP
微信客服
  • 扫码咨询
会员Q群
  • 会员专属群点击这里加入QQ群
客服邮箱
回到顶部