电脑桌面
添加小米粒文库到电脑桌面
安装后可以在桌面快捷访问

工业过程与过程控制4单元课后习题VIP免费

工业过程与过程控制4单元课后习题_第1页
1/8
工业过程与过程控制4单元课后习题_第2页
2/8
工业过程与过程控制4单元课后习题_第3页
3/8
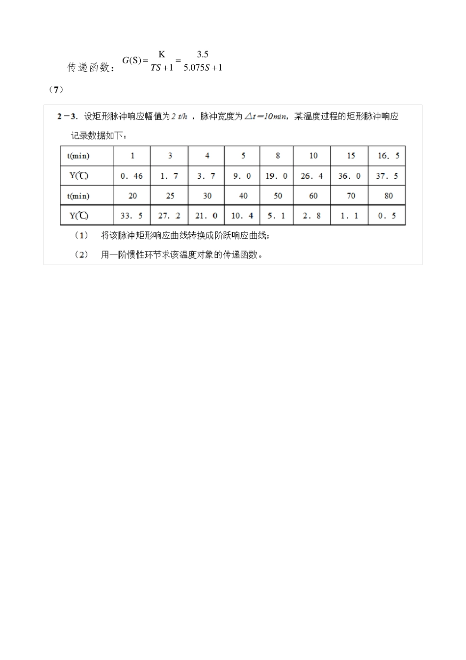
第4 章 1、基本练习题 (1)什么是被控过程的特性?什么是被控过程的数学模型?为什么要研究过程的数学模型?目前研究过程数学模型的主要方法有哪几种? Q:1)被控过程的特性:被控过程输入量与输出量之间的关系。2)被控过程的数学模型:被控过程的特性的数学描述,即过程输入量与输出量之间定量关系的数学描述。3)研究过程的数学模型的意义:是控制系统设计的基础;是控制器参数确定的重要依据;是仿真或研究、开发新型控制策略的必要条件;是设计与操作生产工艺及设备时的指导;是工业过程故障检测与诊断系统的设计指导。4)主要方法:机理演绎法、试验辨识法、混合法。 (2)响应曲线法辨识过程数学模型时,一般应注意哪些问题? Q:试验测试前,被控过程应处于相对稳定的工作状态;相同条件下应重复多做几次试验;分别作正、反方向的阶跃输入信号进行试验;每完成一次试验后,应将被控过程恢复到原来的工况并稳定一段时间再做第二次试验;输入的阶跃幅度不能过大也不能过小。 (4)图 4-30 所示液位过程的输入量为 q1,流出量为 q2、q3,液位 h 为被控参数,C 为容量系数,并设 R1、R2、R3 均为线性液阻。要求:1)列写该过程的微分方程组。2)画出该过程框图。3)求该过程的传递函数 G0(s)=H(s)/Q1(s)。 Q:1)微分方程组:1232233d hqqqC dthqRhqR   2)过程框图: 3)传递函数:01231( )( ) /( )11G sH sQ sCsRR (5)某水槽水位阶跃响应的试验记录为: t/s 0 10 20 40 60 80 100 150 200 300 … h/mm 0 9.5 18 33 45 55 63 78 86 95 … 98 其中阶跃扰动量u 为稳态值的10%。 1)画出水位的阶跃响应标幺值曲线。2)若该水位对象用一阶惯性环节近似,试确定其增益K 和时间常数T。 Q:1)阶跃响应标幺值0( )( )( )()98y ty ty ty,图略。 2 )一阶惯性环节传递函数:00( )1KG sT s,又u=10%*h( ∞ )=9.8 ,放 大 系 数K=()98109.8yu ,时间常数T=100s,是达到新的稳态值的63%所用的时间。 (6)、有一流量对象,当调节阀气压改变 0.01MPa 时,流量的变化如表。 若该对象用一阶惯性环节近似,试确定其传递函数。 解:方法一:作图得,T1=5.2S; 方法二: 4.951.9)-(5.2*1.5)t-(t5.10.2830.6322T 我们用两种方法求平均: 5.302.01.001.0500018002.01.001.0075...

1、当您付费下载文档后,您只拥有了使用权限,并不意味着购买了版权,文档只能用于自身使用,不得用于其他商业用途(如 [转卖]进行直接盈利或[编辑后售卖]进行间接盈利)。
2、本站所有内容均由合作方或网友上传,本站不对文档的完整性、权威性及其观点立场正确性做任何保证或承诺!文档内容仅供研究参考,付费前请自行鉴别。
3、如文档内容存在违规,或者侵犯商业秘密、侵犯著作权等,请点击“违规举报”。

碎片内容

工业过程与过程控制4单元课后习题

您可能关注的文档

确认删除?
VIP
微信客服
  • 扫码咨询
会员Q群
  • 会员专属群点击这里加入QQ群
客服邮箱
回到顶部