电脑桌面
添加小米粒文库到电脑桌面
安装后可以在桌面快捷访问

数控加工工序卡VIP免费

数控加工工序卡_第1页
1/9
数控加工工序卡_第2页
2/9
数控加工工序卡_第3页
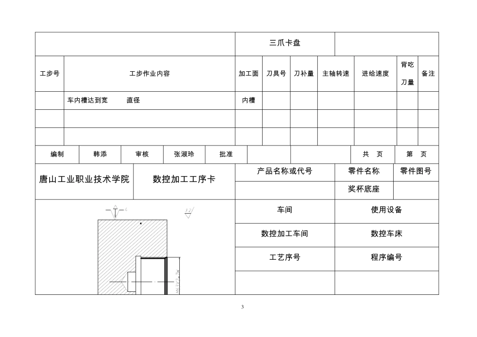
3/9
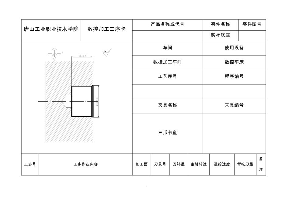
1 唐 山 工 业 职 业 技 术 学 院 数 控 加 工 工 序 卡 产 品 名 称 或 代 号 零 件 名 称 零 件 图 号 GJJB 奖 杯 底 座 JBDZ . 车 间 使 用 设 备 数 控 加 工 车 间 数 控 车 床 工 艺 序 号 程 序 编 号 20 %0001 夹 具 名 称 夹 具 编 号 三爪卡 盘 01 工 步号 工 步作业 内容 加 工 面 刀具 号 刀补量 主轴转速 进给速度 背吃刀量 备注 2 20.1 粗 车 内 轮 廓 留 有 0.4mm的 切 削 用 量 Ra6.4 内 端 面 T0303 200r/min 108mm/min 1.5mm 20.2 精 车 内 轮 廓 达 到 尺 寸 精 度 要 求 Ra3.2 内 端 面 T0303 300r/min 75mm/min 0.2mm 编 制 韩 添 审 核 张 淑 玲 批 准 08.12.20 共 9页 第 6页 唐 山 工 业职业技术学院 数控加工 工 序卡 产品名称或代号 零件名称 零件图号 GJJB 奖杯底座 JBDZ 车 间 使用 设备 数控加工 车 间 数控车 床 工 艺序号 程序编 号 30 %0001 夹具名称 夹具编 号 3 三爪卡盘 01 工步号 工步作业内容 加工面 刀具号 刀补量 主轴转速 进给速度 背吃刀量 备注 30.1 车内槽达到宽 6mm直径 66mm Ra3.2 内槽 T0404 200r/min 30mm/min 3 编制 韩添 审核 张淑玲 批准 08.12.20 共 9页 第 7页 唐山工业职业技术学院 数控加工工序卡 产品名称或代号 零件名称 零件图号 GJJB 奖杯底座 JBDZ 车间 使用设备 数控加工车间 数控车床 工艺序号 程序编号 40 %0001 4 夹 具 名 称 夹 具 编 号 三爪卡盘 01 工步号 工步作业内容 加工面 刀具 号 刀补量 主轴转速 进给速度 背吃刀量 备注 40.1 粗车内螺纹留有 0.4mm切削用量 Ra6.4 内螺纹 T0505 150r/min 2mm/min 1.5 40.2 精车内螺纹达到尺寸精度要求 Ra3.2 内螺纹 T0505 150r/min 2mm/min 0.2 编 制 韩添 审核 张淑玲 批准 08.12.20 共 9页 第 8页 唐山工业职业技术学院 数控加工工序卡 产品名 称 或代号 零件名 称 零件图号 GJJB 奖杯底座 JBDZ 车间 使用设备 数控加工车间 数控车床 5 工 艺 序 号 程 序 编 号 50 %0002 夹 具 名 称 夹 具 编 号 三爪卡盘 01 工 步号 工 步作业内容 加工 面 刀具 号 刀补量 主轴转速 进给速度 背吃...

1、当您付费下载文档后,您只拥有了使用权限,并不意味着购买了版权,文档只能用于自身使用,不得用于其他商业用途(如 [转卖]进行直接盈利或[编辑后售卖]进行间接盈利)。
2、本站所有内容均由合作方或网友上传,本站不对文档的完整性、权威性及其观点立场正确性做任何保证或承诺!文档内容仅供研究参考,付费前请自行鉴别。
3、如文档内容存在违规,或者侵犯商业秘密、侵犯著作权等,请点击“违规举报”。

碎片内容

数控加工工序卡

您可能关注的文档

确认删除?
VIP
微信客服
  • 扫码咨询
会员Q群
  • 会员专属群点击这里加入QQ群
客服邮箱
回到顶部