电脑桌面
添加小米粒文库到电脑桌面
安装后可以在桌面快捷访问

第十二章制动系统说明书VIP免费

第十二章制动系统说明书_第1页
1/33
第十二章制动系统说明书_第2页
2/33
第十二章制动系统说明书_第3页
3/33
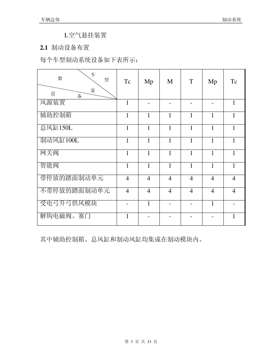
车辆总体 制动系统 第 1 页 共 3 3 页 第十二章 制动系统 车辆总体 制动系统 第 2 页 共 33 页 1 、概述 沈阳地铁1号线采用3动3拖――6辆编组。 Tc-Mp-T-M-Mp-Tc (Tc:带司机室的拖车)。如图12-1所示: Tc-Car Mp-Car M-Car T-Car Mp-Car Tc-Car 图 12-1:列车配置 基本的车辆单元为1动和1拖(1M1T单元)。 单车配置: a) 以转向架为单位直接作用式、负载控制型的EP2002电空制动系统。通过司机主控制器实现数字控制。对动车来说,在正常状况下,摩擦制动力与电制动力混合。 b) 每辆车的停放制动采用弹簧制动方式。 列车设计速度为90km/h,制动设备包括动车的电制动(ED)和在每个轴上的电-空(EP)摩擦制动(踏面制动)。 制动管路控制设备和储风单元等用钢框架构成的模块组成吊装在车体底架上。每辆车均设有制动控制单元EP2002,在Tc车上单独设有风源模块。 2 、制动设备分类描述 车辆制动系统包括以下设备: A 风源装置 B 制动控制装置,(EP2002,包括防滑控制装置、执行装置等) C 基础制动装置 G 车轮滑动保护装置 车辆总体 制动系统 第 3 页 共 33 页 L 空气悬挂装置 2 .1 制动设备布置 每个车型制动系统设备如下表所示: Tc Mp M T Mp Tc 风源装置 1 - - - - 1 辅助控制箱 1 1 1 1 1 1 总风缸150L 1 1 1 1 1 1 制动风缸100L 1 1 1 1 1 1 网关阀 1 1 1 1 1 1 智能阀 1 1 1 1 1 1 带停放的踏面制动单元 4 4 4 4 4 4 不带停放的踏面制动单元 4 4 4 4 4 4 受电弓升弓供风模块 - 1 - - 1 - 解钩电磁阀、塞门 1 - - - - 1 其中辅助控制箱、总风缸和制动风缸均集成在制动模块内。 车 型 数 量 设 备 车辆总体 制动系统 第 4 页 共 33 页 Tc车设备和管路布置见图12-2。 图12-2 车辆总体 制动系统 第 5 页 共 33 页 Mp车设备和管路布置见图12-3。 图12-3 车辆总体 制动系统 第 6 页 共 33 页 M 车设备和管路布置见图12-4。 图12-4 车辆总体 制动系统 第 7 页 共 33 页 T车设备和管路布置见图12-5。 图12-5 在上述所有车型中,只要部件号(见TA31977-1供货清单)相同的所有进口部件均具有互换性。 3 制动设备功能介绍 3.1 风源装置(A 组) 风源装置(ASU)主要有空压机(活塞式空压机,配有干燥型过滤器、后冷装置,弹性安装)、干燥剂型空气干燥...

1、当您付费下载文档后,您只拥有了使用权限,并不意味着购买了版权,文档只能用于自身使用,不得用于其他商业用途(如 [转卖]进行直接盈利或[编辑后售卖]进行间接盈利)。
2、本站所有内容均由合作方或网友上传,本站不对文档的完整性、权威性及其观点立场正确性做任何保证或承诺!文档内容仅供研究参考,付费前请自行鉴别。
3、如文档内容存在违规,或者侵犯商业秘密、侵犯著作权等,请点击“违规举报”。

碎片内容

第十二章制动系统说明书

您可能关注的文档

确认删除?
VIP
微信客服
  • 扫码咨询
会员Q群
  • 会员专属群点击这里加入QQ群
客服邮箱
回到顶部