电脑桌面
添加小米粒文库到电脑桌面
安装后可以在桌面快捷访问

完整版钢筋扫描仪操作规程VIP免费

完整版钢筋扫描仪操作规程_第1页
1/4
完整版钢筋扫描仪操作规程_第2页
2/4
完整版钢筋扫描仪操作规程_第3页
3/4
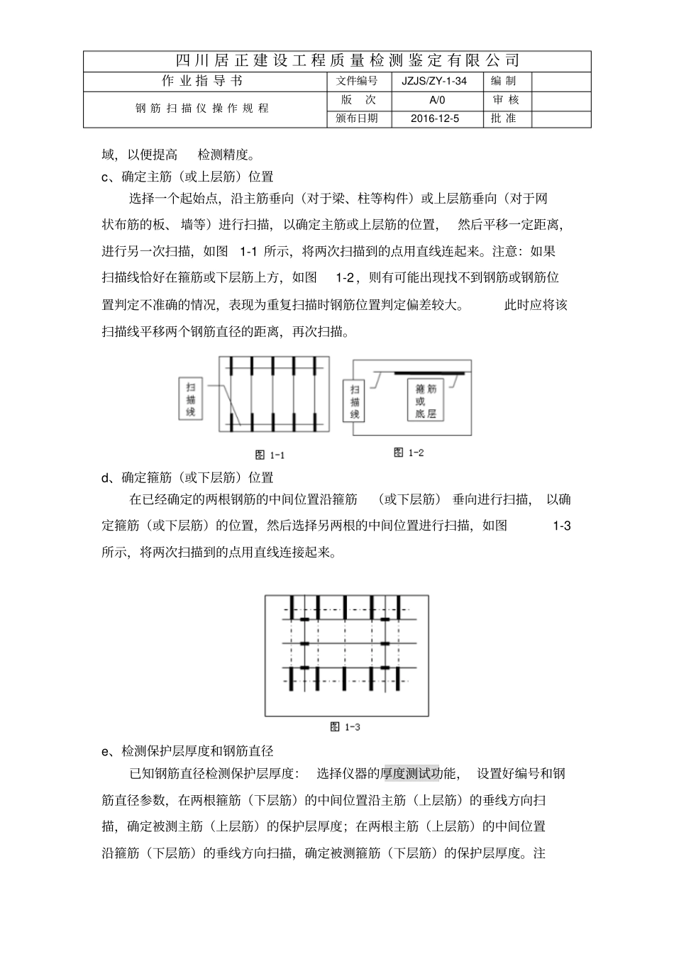
四 川 居 正 建 设 工 程 质 量 检 测 鉴 定 有 限 公 司作 业 指 导 书文件编号JZJS/ZY-1-34 编 制钢 筋 扫 描 仪 操 作 规 程版次A/0 审 核颁布日期2016-12-5 批 准钢 筋 扫 描 仪 操 作 规 程一、适用范围及用途主要用于工程建筑混凝土结构中钢筋分布、直径、走向,混凝土保护层厚度质量的检测。 钢筋扫描仪能够在混凝土的表面测定钢筋的位置、布筋情况、 测量混凝土保护层厚度、钢筋直径等。二、编制依据GB 50010-2010《混凝土结构设计规范》GB 50204-2015《混凝土结构工程施工质量验收规范》GB/T50344-2004《建筑结构检测技术标准》JGJ/T152-2008《混凝土中钢筋检测技术规程》三、环境要求1、工作环境要求:环境温度: -10 ℃~40℃相对湿度:﹤ 90%RH 电磁干扰:无强交变电磁场不得长时间阳光直射2、储存环境要求:环境温度: -20℃~50℃相对湿度:﹤ 90%RH 四、操作前准备及具体步骤1、使用前的准备工作首先将仪器从机箱内取出,在厚度测试和直径测试时,连接好探头和主机,在钢筋扫描时要将主机连上探头和扫描小车,然后按下键盘上的电源键, 之后出现开机画面。2、钢筋扫描方法 a、获取资料获取被测构件的设计施工资料, 确定被测构件中钢筋的大致位置、走向和直径,并将仪器的钢筋直径参数设置为设计值。如上述资料无法获取, 将钢筋直径设置为系统默认值, 用网络扫描或剖面扫描和直径测试功能来检测钢筋直径和其保护层厚度。 b 、确定检测区根据需要在被测构件上选择一块区域作为检测区,尽量选择表面光滑的区四 川 居 正 建 设 工 程 质 量 检 测 鉴 定 有 限 公 司作 业 指 导 书文件编号JZJS/ZY-1-34 编 制钢 筋 扫 描 仪 操 作 规 程版次A/0 审 核颁布日期2016-12-5 批 准域,以便提高检测精度。c、确定主筋(或上层筋)位置选择一个起始点,沿主筋垂向(对于梁、柱等构件)或上层筋垂向(对于网状布筋的板、 墙等)进行扫描,以确定主筋或上层筋的位置, 然后平移一定距离,进行另一次扫描,如图1-1 所示,将两次扫描到的点用直线连起来。注意:如果扫描线恰好在箍筋或下层筋上方,如图1-2 ,则有可能出现找不到钢筋或钢筋位置判定不准确的情况,表现为重复扫描时钢筋位置判定偏差较大。此时应将该扫描线平移两个钢筋直径的距离,再次扫描。d、确定箍筋(或下层筋)位置在已经确定的两根钢筋的中间位置沿箍筋(或下层筋) ...

1、当您付费下载文档后,您只拥有了使用权限,并不意味着购买了版权,文档只能用于自身使用,不得用于其他商业用途(如 [转卖]进行直接盈利或[编辑后售卖]进行间接盈利)。
2、本站所有内容均由合作方或网友上传,本站不对文档的完整性、权威性及其观点立场正确性做任何保证或承诺!文档内容仅供研究参考,付费前请自行鉴别。
3、如文档内容存在违规,或者侵犯商业秘密、侵犯著作权等,请点击“违规举报”。

碎片内容

完整版钢筋扫描仪操作规程

您可能关注的文档

确认删除?
VIP
微信客服
  • 扫码咨询
会员Q群
  • 会员专属群点击这里加入QQ群
客服邮箱
回到顶部