电脑桌面
添加小米粒文库到电脑桌面
安装后可以在桌面快捷访问

完整版附着式爬架技术交底VIP免费

完整版附着式爬架技术交底_第1页
1/18
完整版附着式爬架技术交底_第2页
2/18
完整版附着式爬架技术交底_第3页
3/18
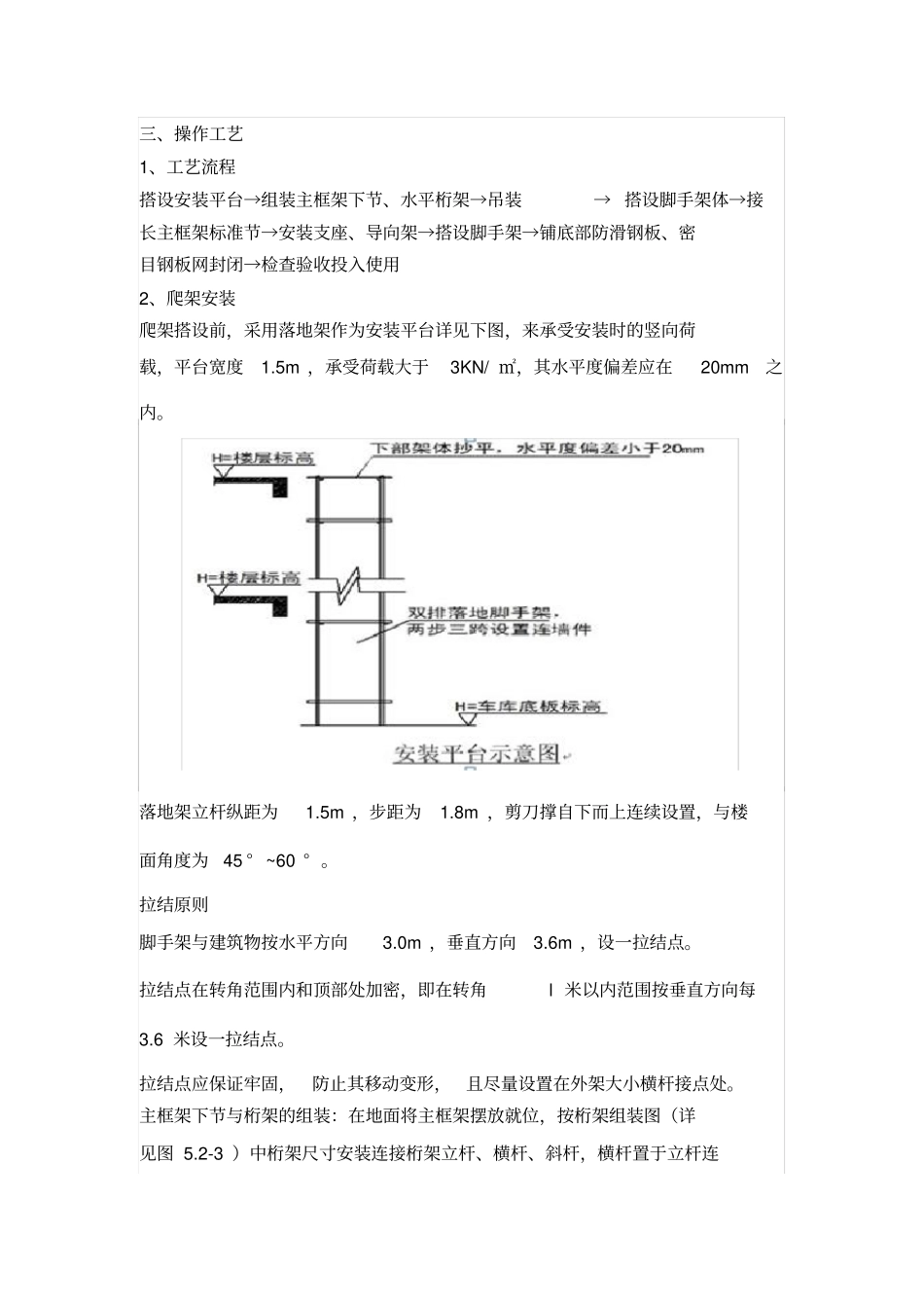
附着式爬架技术交底交底内容:一、材料要求1、脚手钢管外观质量平直光滑,没有裂纹、分层、压痕、硬弯等缺陷,并应进行防锈处理;立杆最大弯曲变形应小于L/500 ,横杆最大弯曲变形应小于 L/150 ;端面平整,倾斜偏角应小于1.70mm;实际壁厚不得小于标准公称壁厚的 90%;2、扣件螺纹连接件应无滑丝、变形、严重锈蚀等现象;3、脚手板采用防滑钢板;4、螺栓采用国标螺栓,严禁采用钣牙套丝或螺纹锥攻丝。5、安全网:密目钢板网(绿色),必须有材质证明和出厂合格证或检验报告书。6、钢结构件的材料、规格、型号应当符合图纸要求。一般选用Q235 钢制作,其材质应符合国家GB/T700 的规定,材料进货时应当有合格证和检验单。7、电焊条宜选用GB/T5117 规定的 T422,Ф 3.2 、Ф 4 的规格。二、施工准备1、每一次升降、拆除前均应根据施工方案要求组织技术人员与操作人员进行技术、安全交底。大风、大雨、大雪、浓雾等恶劣天气时禁止爬架作业,遇五级以上(包括五级)大风时还应事先对爬架采取必要的加固措施或其他应急措施(用钢管将架体同结构拉接),并撤离架体上的所有施工活荷载。爬架在安装、升降、拆除过程中,在操作区域及可能坠落范围均应设置安全警戒。施工现场应配备必要的通讯工具,以加强通讯联系。在爬架使用全过程中,各工种人员应固定,并按规定持证上岗。升降设备、控制柜、专用配电箱、防坠装置等应有防雨、防尘等措施。控制柜应专人负责操作,并应有安全防护措施,禁止闲杂人员动用。电动葫芦要编号,并与控制柜的插座编号相对连接。电动葫芦的表面要用帆布或塑料布包封,以免杂物掉入,链条要定期加油以免生锈(一般为每星期加一次);搬运时要轻拿轻放,以免碰坏影响正常使用。2、升降前的检查与准备附着支撑结构附着处混凝土实际强度已达到脚手架设计要求C20;所有螺纹连接处螺栓已拧紧;施工活荷载已撤离完毕;所有障碍物已拆除,所有不必要的约束已解除;升降系统运行正常;所有防坠装置功能正常;所有安全措施已落实;由安全技术负责人对爬架提升的操作人员进行安全技术交底,明确分工责任落实到位,并记录和签字。按分工清除架体上的活荷载、杂物与建筑的连接物、障碍物,安装升降装置,接通电源,预紧电动葫芦,准备操作工具,专用扳手、撬棍。3、拆除准备组织现场技术人员、管理人员、操作人员、安全员等进行技术交底。明确拆除顺序、安全保护措施、特殊构件的拆除方法。现场总指挥、安全员及班组长要明确分工,...

1、当您付费下载文档后,您只拥有了使用权限,并不意味着购买了版权,文档只能用于自身使用,不得用于其他商业用途(如 [转卖]进行直接盈利或[编辑后售卖]进行间接盈利)。
2、本站所有内容均由合作方或网友上传,本站不对文档的完整性、权威性及其观点立场正确性做任何保证或承诺!文档内容仅供研究参考,付费前请自行鉴别。
3、如文档内容存在违规,或者侵犯商业秘密、侵犯著作权等,请点击“违规举报”。

碎片内容

完整版附着式爬架技术交底

确认删除?
VIP
微信客服
  • 扫码咨询
会员Q群
  • 会员专属群点击这里加入QQ群
客服邮箱
回到顶部